index
logo

内六角凹端紧定螺钉 GB /T 80 - 2000

查看供应商

选择规格尺寸 点击↓

M1.6

M2

M2.5

M3

M4

M5

M6

M8

M10

M12

M16

M20

M24

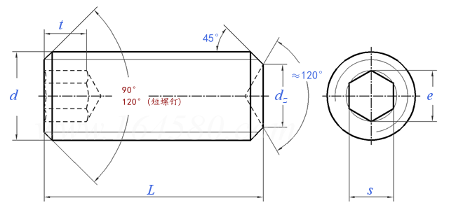
GB /T 80 - 2000 内六角凹端紧定螺钉

尺寸单位: mm
国标GB /T80 - 2000 GB80 80GB 内六角凹端紧定螺钉
GB /T 80 - 2000 内六角凹端紧定螺钉
扫一扫分享
千件重及价格计算 千件重 : kg x 元/kg = 元/千件
默认密度 g/cm3
公称长度L 注:选择后获得 相应重量
螺纹规格
d
M1.6 M2 M2.5 M3 M4 M5 M6 M8 M10 M12 M16 M20 M24
P 螺距
dz 最大值
最小值
s 公称
最大值
最小值
t 最小值 短螺钉
长螺钉
L0 公称
0.35 0.4 0.45 0.5 0.7 0.8 1 1.25 1.5 1.75 2 2.5 3
0.80 1.00 1.20 1.40 2.00 2.50 3.00 5.0 6.0 8.00 10.00 14.00 16.00
0.55 0.75 0.95 1.15 1.75 2.25 2.75 4.7 5.7 7.64 9.64 13.57 15.57
0.7 0.9 1.3 1.5 2 2.5 3 4 5 6 8 10 12
0.724 0.902 1.295 1.545 2.045 2.560 3.071 4.084 5.084 6.095 8.115 10.115 12.142
0.711 0.889 1.270 1.520 2.020 2.520 3.020 4.020 5.020 6.020 8.025 10.025 12.032
0.7 0.8 1.2 1.2 1.5 2 2 3 4 4.8 6.4 8 10
1.5 1.7 2 2 2.5 3 3.5 5 6 8 10 12 15
2 2.5 3 4 5 5 6 8 10 12 16 20 25
千件钢制重≈kg
- - - - - - - - - - - - -
①,当L≤L0时为短螺钉;当L>L0时为长螺钉。
替代列表
等效标准
国标 GB 国际 ISO 德标 DIN
GB /T 80
ISO 4029
DIN EN ISO 4029
以上有部分标准可能为近似等效,如有异议以标准原件为准

技术条件和引用标准

材料
不锈钢 有色金属
通用技术条件
螺纹 公差
标准
机械性能 等级
标准
公差 产品等级
标准
表面缺陷
表面处理 -
-
验收及包装
GB/T 16938
45H 级;5g6g,其地等级:6g
GB/T 196、GB/T 197
45H A1、A2 CU2、CU3、AL4
GB/T 3098.3 GB/T 3098.6 GB/T 3098.10
A
GB/T 3103.1
GB/T 5779.1、 GB/T 5779.3
氧化 简单处理 简单处理
电镀技术要求按 GB/T 5267;
如需其他表面镀层或表面处理,应由供需双方协议
GB/T 90
注:技术数据仅供参考,请以官方原件为准!
告诉我在“易紧通”看到,将给您优惠
联系人:徐海 点击这里给我发消息513543434   移动电话: 18621311857     电话:021-59766477
材质:301、302、303、304、304L、316、316L、316Ti、317L、310S、321、347、1.4529、1.4539、1.4462、1.4547、1.4980、904L、2205、2507、2520、S32750、S32760、1Cr13、1Cr17、2Cr13、3Cr13、14Cr17Ni2、410、416、420、430、431、440、630、631、17-4PH、MP350N、600、601、625、660、718、750、800、825、925、926、C22、C276、A286、GH2132、GH4033、GH4080、GH4169、GH4145、9C18Mo、4Cr10Si2Mo、35CrMoA、42CrMoA、40CrNiMoA、25Cr2Mo1VA、SCM435、SCM440、4130、4140、4145、A36、A307、A320、A325、A490、A574、F1554,不锈钢、合金钢、钛合金、镍基合金、高温合金、耐蚀合金、镍钴合金、特种合金等;等级:A1-50、A2-50、A2-70、A2-80、A3-70、A4-70、A4-80、A4-90、A4-100、A5-80、B8、B8M、B8C、B8T、B6、B7、B7M、B16、C1-50、C1-70、C1-110、C3-80、C3-120、C4-70、D2-80、D2-100、D4-80、D4-100、D6-80、D6-100、D8-80、D8-100、P1-90、P1-120、F51、F53、F55、F60、10.9、12.9、14.9、15.9、16.9等;规格范围:M3-M120,1/4"-4";表面处理:钝化、发黑、磷化、电泳、镀锌、镀镍、镀铬、镀镉、镀金、镀银、镀锡、镀铜、渗锌、海洋锌、渗铝、喷涂铝、达克罗、久美特、特氟龙、锌镍合金、镍钴合金、热镀锌、复合陶瓷、二硫化钼、二硫化钨、纳米涂层等,均可定制。
联系人:陈小姐 点击这里给我发消息564375190   移动电话: 13957439600     电话:0574-86022688
材质:不锈钢304、不锈钢316、合金钢、黄铜、铝合金、钛合金、尼龙;规格范围:M3-M24;长度范围:2.5mm-80mm;表面处理:本色、发黑、镀环保锌、防松。
联系人:谢经理 点击这里给我发消息147447360   移动电话: 13586889678     电话:0574-86582963、86572963
材料:304、316、316L、铜、合金钢、碳钢;公称直径:M2.5-M20;长度:3-150mm;表面处理:镀铬、镀黑锌、镀银
联系人:金经理 点击这里给我发消息1991518855   移动电话: 13758491108/17706776168     电话:0577-88657999
材质:铁(4.8级、8.8级、10.9级、12.9级)、不锈钢(201、304HC、316L)、黄铜H62、铝6061;规格:M2-M20;可定制英制/美制/非标品;
告诉我在“易紧通”看到,将给您优惠
类似标准及供货信息
1 内六角凹端紧定螺钉 [国标]
GB /T 80 - 2007
内六角凹端紧定螺钉
Hexagon Socket Set Screws with Cup Point
供应商(4)
2 内六角凹端紧定螺钉 [国标]
GB 80 - 1985
内六角凹端紧定螺钉
Hexagon Socket Set Screws with Cup Point
供应商(4)
3 内六角凹端紧定螺钉 [德标]
DIN 916 - 1980
内六角凹端紧定螺钉
Hexagon Socket Set Screws with Cup Point
供应商(4)
4 内六角凹端滚花紧定螺钉 [德标]
DIN 916 (K)
内六角凹端滚花紧定螺钉
Hexagon Socket Knurl Set Screws with Cup Point
5 内六角凹端紧定螺钉 [国际]
ISO 4029 - 2003
内六角凹端紧定螺钉
Hexagon Socket Set Screws with Cup Point
供应商(1)
6 内六角凹端紧定螺钉 [国际]
ISO 4029 - 1993
内六角凹端紧定螺钉
Hexagon Socket Set Screws with Cup Point
供应商(1)
7 内六角凹端紧定螺钉 [日标]
JIS B 1177 (T5) - 2007
内六角凹端紧定螺钉
Hexagon Socket Set Screws with Cup Point
8 内六角凹端紧定螺钉 [日标]
JIS B 1177 (T4) - 1997
内六角凹端紧定螺钉
Hexagon Socket Set Screws with Cup Point
9 内六角凹端紧定螺钉 [日标]
JIS B 1177 - 1988
内六角凹端紧定螺钉
Hexagon Socket Set Screws with Cup Point
10 内六角凹端紧定螺钉 [汽标代号]
Q 283
内六角凹端紧定螺钉
Hexagon Socket Set Screws with Cup Point
11 外球面球轴承用紧定螺钉 齿端型(ST) [机械行业]
JB /T 7755 (ST) - 2007
外球面球轴承用紧定螺钉 齿端型(ST)
Rolling Bearings - Accessories - Set Screws for Insert Bearings - Type ST
12 外球面球轴承用紧定螺钉 W端型(SW) [机械行业]
JB /T 7755 (SW) - 2007
外球面球轴承用紧定螺钉 W端型(SW)
Rolling Bearings - Accessories - Set Screws for Insert Bearings - Type SW
13 外球面球轴承用紧定螺钉 凹端型(S) [机械行业]
JB /T 7755 (S) - 2007
外球面球轴承用紧定螺钉 凹端型(S)
Rolling Bearings - Accessories - Set Screws for Insert Bearings - Type S
14 米制内六角凹端紧定螺钉 (ASTM F912M / F880M /A1-70) [美标]
ASME/ANSI B 18.3.6M (CUP) - 1986 (R2002)
米制内六角凹端紧定螺钉 (ASTM F912M / F880M /A1-70)
Metric Hexagon Socket Cup Point Set Screws (ASTM F912M / F880M /A1-70)
15 内六角凹端紧定螺钉 [法国]
NF E 25-174 - 2004
内六角凹端紧定螺钉
Hexagon Socket Set Screws with Cup Point
16 BA螺纹内六角凹端紧定螺钉  Table 6C [英标]
BS 2470 - 1973
BA螺纹内六角凹端紧定螺钉 Table 6C
Hexagon Socket Set Screws with Cup Point - BA Thread
供应商(1)
17 统一螺纹内六角凹端紧定螺钉  Table 6A [英标]
BS 2470 - 1973
统一螺纹内六角凹端紧定螺钉 Table 6A
Hexagon Socket Set Screws with Cup Point - Unified Thread
18 英制螺纹内六角凹端紧定螺钉  Table 6B [英标]
BS 2470 - 1973
英制螺纹内六角凹端紧定螺钉 Table 6B
Hexagon Socket Set Screws with Cup Point - BSW and BSF Threads
19 米制内六角凹端紧定螺钉 [Table 4] [澳标]
AS /NZS 1421 - 1996
米制内六角凹端紧定螺钉 [Table 4]
ISO Metric Hexagon Socket Set Screws - Cup Point [Table 4]
20 内六角凹端紧定螺钉 [台湾]
CNS 4480 - 1981
内六角凹端紧定螺钉
Hexagon Socket Set Screws with Cup Point
21 内六角凹端紧定螺钉 [韩标]
KS B 1028 (T4) - 1990 (R2020)
内六角凹端紧定螺钉
Hexagon Socket Set Screw with Cup Point
22 内六角凹端紧定螺钉 [德标]
DIN EN ISO 4029 - 2004
内六角凹端紧定螺钉
Hexagon Socket Set Screws with Cup Point
供应商(4)
23 内六角凹端紧定螺钉 [Table 14] (ASTM F912 / F880) [美标]
ASME B 18.3 (T14 CUP-A) - 2012
内六角凹端紧定螺钉 [Table 14] (ASTM F912 / F880)
Hexagon Socket Set Screws with Cup Point [Table 14] (ASTM F912 / F880)
供应商(3)
24 内六角凹端紧定螺钉 [Table 5A] [美标]
ASME B 18.3 - 2003 (R2008)
内六角凹端紧定螺钉 [Table 5A]
Hexagon Socket Set Screws with Cup Point
供应商(3)
25 内六角凹端紧定螺钉 [Type B] (ASTM F912 / F880) [美标]
ASME B 18.3 (T14 CUP-B) - 2012
内六角凹端紧定螺钉 [Type B] (ASTM F912 / F880)
Hexagon Socket Set Screws with Cup Point [Type B] (ASTM F912 / F880)
26 内六角凹端紧定螺钉 [Type C] (ASTM F912 / F880) [美标]
ASME B 18.3 (T14 CUP-C) - 2012
内六角凹端紧定螺钉 [Type C] (ASTM F912 / F880)
Hexagon Socket Set Screws with Cup Point [Type C] (ASTM F912 / F880)
27 内六角凹端紧定螺钉 [Type D] (ASTM F912 / F880) [美标]
ASME B 18.3 (T14 CUP-D) - 2012
内六角凹端紧定螺钉 [Type D] (ASTM F912 / F880)
Hexagon Socket Set Screws with Cup Point [Type D] (ASTM F912 / F880)
28 内六角凹端紧定螺钉 [Type E] (ASTM F912 / F880) [美标]
ASME B 18.3 (T14 CUP-E) - 2012
内六角凹端紧定螺钉 [Type E] (ASTM F912 / F880)
Hexagon Socket Set Screws with Cup Point [Type E] (ASTM F912 / F880)
29 内六角凹端紧定螺钉 [Type F] (ASTM F912 / F880) [美标]
ASME B 18.3 (T14 CUP-F) - 2012
内六角凹端紧定螺钉 [Type F] (ASTM F912 / F880)
Hexagon Socket Set Screws with Cup Point [Type F] (ASTM F912 / F880)
30 内六角凹端紧定螺钉 [Type G] (ASTM F912 / F880) [美标]
ASME B 18.3 (T14 CUP-G) - 2012
内六角凹端紧定螺钉 [Type G] (ASTM F912 / F880)
Hexagon Socket Set Screws with Cup Point [Type G] (ASTM F912 / F880)
© 易紧通 服务热线:4006-164580(免长途费)