index
logo

小六角头螺杆带孔铰制孔用螺栓 GB 28 - 1976

查看供应商

选择规格尺寸 点击↓

M6

M8

M10

M12

(M14)

M16

(M18)

M20

(M22)

M24

(M27)

M30

M36

M42

M48

括号内尺寸为非优选
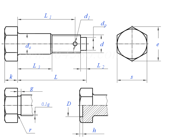
GB  28 - 1976 小六角头螺杆带孔铰制孔用螺栓

尺寸单位: mm
国标GB 28 - 1976 GB28 28GB 小六角头螺杆带孔铰制孔用螺栓
GB  28 - 1976 小六角头螺杆带孔铰制孔用螺栓
扫一扫分享
千件重及价格计算 千件重 : kg x 元/kg = 元/千件
默认密度 g/cm3
公称长度L 注:选择后获得 相应重量
螺纹规格
d
M6 M8 M10 M12 (M14) M16 (M18) M20 (M22) M24 (M27) M30 M36 M42 M48
P 螺距
ds 最大值
最小值
s 最大值
最小值
k 公称
最大值
最小值
d1 最大值
最小值
r
dp
L2
e
g
1 1.25 1.5 1.75 2 2 2.5 2.5 2.5 3 3 3.5 4 4.5 5
7 9 11 13 15 17 19 21 23 25 28 32 38 44 50
6.97 8.97 10.965 12.965 14.965 16.965 18.955 20.955 22.955 24.955 27.955 31.95 37.95 43.95 49.95
10 12 14 17 19 22 24 27 30 32 36 41 50 55 65
9.8 11.76 13.76 16.76 18.72 21.72 23.72 26.72 29.72 31.66 35.66 40.66 49.66 54.6 64.6
4 5 6 7 8 9 10 11 12 13 15 17 20 23 26
4.24 5.24 6.24 7.29 8.29 9.29 10.29 11.35 12.35 13.35 15.35 17.35 20.42 23.42 26.42
3.76 4.76 5.76 6.71 7.71 8.71 9.71 10.65 11.65 12.65 14.65 16.65 19.58 22.58 25.58
1.9 2.4 2.9 3.4 3.4 4.48 4.48 4.48 5.48 5.48 5.48 6.48 6.48 8.58 8.58
1.5 2 2.5 3 3 4 4 4 5 5 5 6 6 8 8
0.25 0.25 0.25 0.25 0.25 0.25 0.5 0.5 0.5 0.5 0.5 0.5 1 1 1
4 5.5 7 8.5 10 12 13 15 17 18 21 23 28 33 38
1.5 1.5 2 2 3 3 3 4 4 4 5 5 6 7 8
11.5 13.8 16.2 19.6 21.9 25.4 27.7 31.2 34.6 36.9 41.6 47.3 57.7 63.5 75
2.5 2.5 2.5 2.5 3.5 3.5 3.5 3.5 3.5 5 5 5 5 5 5
L1
- - - - - - - - - - - - - - -
L3
- - - - - - - - - - - - - - -
千件钢制重≈kg
- - - - - - - - - - - - - - -
①,技术条件按 GB 38-76 的规定。
替代列表
注:技术数据仅供参考,请以官方原件为准!
告诉我在“易紧通”看到,将给您优惠
联系人:刘晓文 点击这里给我发消息2574544008   移动电话: 18914518989     电话:0523-83987158     微信号:18914518989
材质:304、316、321、310S、2205、630、660等;规格齐全,尺寸标准,可定制
联系人:赵红友   移动电话: 15862668060     电话:15862668060
材质:奥氏体不锈钢: SUS321、SUS303、SUS304、SUS304L、SUS316、SUS316L、A193-B8/B8M、AISI310 MOLN;马氏体不锈钢:1Cr17Ni2、1Cr13、2Cr13、3Cr13;双相不锈钢:1.4410、1.4462、1.4542、1.4547;耐热钢: SUS630、SUS631、SUS660、GH2038、GH2135、GH3039、GH4033、25CrNi2MoV、4Cr10SiMo、4Cr10Si2Mo;合金结构钢:40Cr、40CrNiMoA、35CrMo、42CrMo、A193-B7/B7M;镍基合金、高温合金等特殊材料;规格范围:M3-M48 特别擅长大规格;等级:A2-50、A2-70、A2-80、A4-70、A4-80、A5-80、B8、B8M、B8C、B8T、B7、B7M、B16、C1-50、C1-70、C1-110、C3-80、C4-70、P1-90、F51、F53、F55、F60、8.8、10.9、12.9;表面处理:本色、发黑、镀锌、达克罗、特氟龙、锌镍合金、热镀锌
联系人:马先生 点击这里给我发消息1098745789   移动电话: 13365219120     电话:18051147283     微信号:DIPANIMY
材质:钛合金、不锈钢200、 304 、316;规格范围:M5-M20;公称长度:15-200mm;表面处理:光洗、钝化、镀镍、达克罗、抛光等。
类似标准及供货信息
1 六角头铰制孔用螺栓 [国标]
GB /T 27 - 2013
六角头铰制孔用螺栓
Hexagon Fit Shank Bolts
供应商(5)
2 六角头螺杆带孔加强杆螺栓 [国标]
GB /T 28 - 2013
六角头螺杆带孔加强杆螺栓
Hexagon Fit Shank Bolts with Split Pin Hole on Shank
供应商(3)
3 六角头铰制孔用螺栓 A级和B级 [国标]
GB /T 27 - 1988
六角头铰制孔用螺栓 A级和B级
Hexagon Fit Bolts - Product Grade A and B
供应商(5)
4 六角头螺杆带孔铰制孔用螺栓 A级和B级 [国标]
GB 28 - 1988
六角头螺杆带孔铰制孔用螺栓 A级和B级
Hexagon Fit Bolts with Split Pin Hole on Shank - Product Grade A and B
供应商(3)
5 小六角头铰制孔用螺栓 [国标]
GB 27 - 1976
小六角头铰制孔用螺栓
Small Hexagon Fit Bolts
供应商(5)
6 卡套式铰接六角螺栓 [国标]
GB 3750.3 - 1983
卡套式铰接六角螺栓
Hollow Screws
© 易紧通 服务热线:4006-164580(免长途费)