index
logo

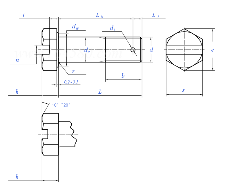
开槽六角头螺栓 HB 8260 - 2002

选择规格尺寸 点击↓

M2.5

M3

M4

M5

M6

M8

M10

M12

M14

HB  8260 - 2002 开槽六角头螺栓

尺寸单位: mm
航空HB 8260 - 2002 HB8260 8260HB 开槽六角头螺栓
HB  8260 - 2002 开槽六角头螺栓
扫一扫分享
千件重及价格计算 千件重 : kg x 元/kg = 元/千件
默认密度 g/cm3
公称长度L 注:选择后获得 相应重量
螺纹规格
d
M2.5 M3 M4 M5 M6 M8 M10 M12 M14
P 螺距 粗牙
细牙
ds 最大值
最小值
e 最小值
dw 最小值
s 最大值
最小值
k 最大值
最小值
t 最大值
最小值
n 最大值
最小值
r 公称
最大值
最小值
b 参考
d1
L1 参考
0.45 0.5 0.7 0.8 1 1.25 1.5 - -
- - - - - - - 1.5 1.5
2.5 3 4 5 6 8 10 12 14
2.4 2.9 3.88 4.88 5.88 7.85 9.85 11.82 13.82
5.5 6 7.8 8.8 11 15.5 18.8 21.1 24.5
4.3 4.8 6.3 7.3 9.2 13 16 18 21
5 5.5 7 8 10 14 17 19 22
4.88 5.38 6.85 7.85 9.85 13.82 16.82 18.79 21.79
1.8 2 2.8 3 4 5 6 7 9
1.55 1.75 2.55 2.75 3.7 4.7 5.7 6.64 8.64
0.8 1 1.4 1.8 2 2.5 3 3 3
0.6 0.75 1.15 1.55 1.75 2.25 2.75 2.75 2.75
0.8 1 1.25 1.45 1.85 1.85 2.25 2.75 3.25
0.6 0.8 1 1.2 1.6 1.6 2 2.5 3
0.4 0.4 0.5 0.5 0.5 0.8 0.8 1 1
0.4 0.4 0.5 0.7 0.7 1 1 1.2 1.2
0.2 0.2 0.3 0.3 0.3 0.6 0.6 0.8 0.8
7 7 7.5 8.5 10 11.5 15 17 19
- - 1 1.6 1.6 2 2.5 2.5 2.5
- - 2.5 3 3 4 4 4.5 4.5
千件钢制重≈kg
- - - - - - - - -

技术条件和引用标准

材料
限用直径
热处理
表面处理
标记示例:无开口销孔 ds=6,L=36
标记示例:有开口销孔(L1=3)
其他
1Cr17Ni2
2.5~14
ds ≥ 4,σb=(1100~1280)MPa
钝化
HB 8260-6*36
HB 8260-6*36*3
标志按 HB 0-3;
一般公差按 HB 5800-1999;
破坏拉力按 HB 1-217;
其余技术要求按 HB 1-218
注:技术数据仅供参考,请以官方原件为准!
类似标准及供货信息
1 十字槽凹穴六角头螺栓 [国标]
GB /T 29.2 - 1988
十字槽凹穴六角头螺栓
Cross Recessed Hexagon Bolts with Indentation
供应商(4)
2 开槽六角螺栓 [国标]
GB 29 - 1976
开槽六角螺栓
Slotted Hexagon Bolts
3 六角头带槽螺栓 [国标]
GB /T 29.1 - 2013
六角头带槽螺栓
Hexagon Bolts with Slot on Head
4 六角头头部带槽螺栓 A级和B级 [国标]
GB /T 29.1 - 1988
六角头头部带槽螺栓 A级和B级
Hexagon Bolts with Slot on Head - Product A and B
5 金属用螺钉 开槽六角头螺钉 A级 符号HS [法国]
NF E 25-137 - 1986
金属用螺钉 开槽六角头螺钉 A级 符号HS
Slotted Hexagon Head Screws for Metal, Product Grade A, Symbol HS
6 开槽六角头螺钉 [Table 16] [英标]
BS 1981 - 1991
开槽六角头螺钉 [Table 16]
Plain and Slotted Hexagon Head Screws [Table 16]
7 开槽六角头防脱出杆螺栓 [台湾]
CNS 4702 - 1982
开槽六角头防脱出杆螺栓
Slotted Hexagon Head Bolts with Reduced Body
8 无槽或开槽六角头以及大六角头螺钉 (ASTM F837,F468) [T2.2.9-1] [美标]
ASME B 18.6.3 (H9A) - 2024
无槽或开槽六角头以及大六角头螺钉 (ASTM F837,F468) [T2.2.9-1]
Plain (Unslotted) and Slotted Regular and Large Hex Head Screws (ASTM F837,F468) [T2.2.9-1]
9 无槽或开槽六角头以及大六角头螺钉 [Table 29] (ASTM F837, F468) [美标]
ASME B 18.6.3 (T29) - 2013
无槽或开槽六角头以及大六角头螺钉 [Table 29] (ASTM F837, F468)
Plain (Unslotted) and Slotted Regular and Large Hex Head Screws [Table 29] (ASTM F837, F468)
10 开槽六角头螺栓 [航空]
HB 8035 - 2002
开槽六角头螺栓
Hexagon Bolts with Recess
© 易紧通 服务热线:4006-164580(免长途费)