index
logo

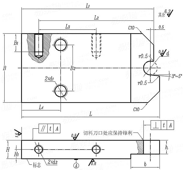
冷镦模具通用件-切料刀 F型 (适用于GB6170、GB6171、GB6175、GB6176) JB /T 4208.6 - 1996

选择规格尺寸 点击↓

M8

M10

M8

M10

M12

M14

JB /T 4208.6 - 1996 冷镦模具通用件-切料刀 F型 (适用于GB6170、GB6171、GB6175、GB6176)

尺寸单位: 毫米(mm)
机械行业JB /T4208.6 - 1996 JB4208.6 4208.6JB 冷镦模具通用件-切料刀 F型 (适用于GB6170、GB6171、GB6175、GB6176)
JB /T 4208.6 - 1996 冷镦模具通用件-切料刀 F型 (适用于GB6170、GB6171、GB6175、GB6176)
扫一扫分享
螺纹规格
M8 M10 M8 M10 M12 M14
d 最小值=公称
最大值
H 最大值=公称
最小值
L1 最大值=公称
最小值
L
B
b
h
L2
L3
L4
H1
B1
B2
d1
d2
t 垂直度
平行度
适用机床
9.1 11.2 9.1 11.2 12.6 14.7
9.19 11.31 9.19 11.31 12.71 14.81
12 12 16 16 16 16
11.89 11.89 15.89 15.89 15.89 15.89
115 115 115 115 115 115
114.78 114.78 114.78 114.78 114.78 114.78
120 120 120 120 120 120
50 50 60 60 60 60
25 25 25 25 25 25
8 8 12 12 12 12
100 100 100 100 100 100
50 50 50 50 50 50
35 35 26 26 26 26
6 6 8 8 8 8
14 14 16 16 16 16
32 32 40 40 40 40
M12 M12 M12 M12 M12 M12
M6 M6 M8 M8 M8 M8
0.12 0.12 0.12 0.12 0.12 0.12
0.08 0.08 0.08 0.08 0.08 0.08
A411 A411 A412 A412 A412 A412
①,适用于螺母自动冷镦机的模具。
②,技术要求:
材料GCr15(YB9)或T10A(GB1298)。
热处理硬度b段58~62HRC,其余45~50HRC。
切料刀口M处应保持锐角。
在规定部位标志出螺母标准号、螺纹规格及机床型号。
其他技术要求按JB/T 4213的规定。
替代列表
注:技术数据仅供参考,请以官方原件为准!
© 易紧通 服务热线:4006-164580(免长途费)