index
logo

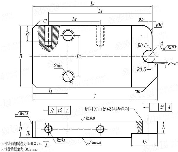
冷镦模通用件-切料刀 F型 (适用于GB6170、GB6171、GB6175、GB6176) JB /T 4208.1 - 2014

选择规格尺寸 点击↓

M8

M10

M8

M10

M12

M14

JB /T 4208.1 - 2014 冷镦模通用件-切料刀 F型 (适用于GB6170、GB6171、GB6175、GB6176)

尺寸单位: 毫米(mm)
机械行业JB /T4208.1 - 2014 JB4208.1 4208.1JB 冷镦模通用件-切料刀 F型 (适用于GB6170、GB6171、GB6175、GB6176)
JB /T 4208.1 - 2014 冷镦模通用件-切料刀 F型 (适用于GB6170、GB6171、GB6175、GB6176)
扫一扫分享
螺纹规格
M8 M10 M8 M10 M12 M14
d 最小值=公称
最大值
H 最大值=公称
最小值
L4 最大值=公称
最小值
L
B
L0
h
L3
L2
L1
H1
B1
B2
d1
d2
t1
t2
适用机型
9.1 11.2 9.1 11.2 12.6 14.7
9.19 11.31 9.19 11.31 12.71 14.81
12 12 16 16 16 16
11.89 11.89 15.89 15.89 15.89 15.89
115 115 115 115 115 115
114.78 114.78 114.78 114.78 114.78 114.78
120 120 120 120 120 120
50 50 60 60 60 60
25 25 25 25 25 25
8 8 12 12 12 12
100 100 100 100 100 100
50 50 50 50 50 50
35 35 26 26 26 26
6 6 8 8 8 8
14 14 16 16 16 16
32 32 40 40 40 40
M12 M12 M12 M12 M12 M12
M6 M6 M8 M8 M8 M8
0.12 0.12 0.12 0.12 0.12 0.12
0.08 0.08 0.08 0.08 0.08 0.08
A411 A411 A412 A412 A412 A412
①,适用于螺母自动冷镦机用紧固件冷镦模。
②,材料由制造者选定。推荐采用 Cr12MoV、GCr15 或T10A,L0 段硬度为 58~62 HRC,其余为 45~50 HRC。
技术要求应符合 JB/T 4213 的规定。
替代列表
注:技术数据仅供参考,请以官方原件为准!
© 易紧通 服务热线:4006-164580(免长途费)