index
logo

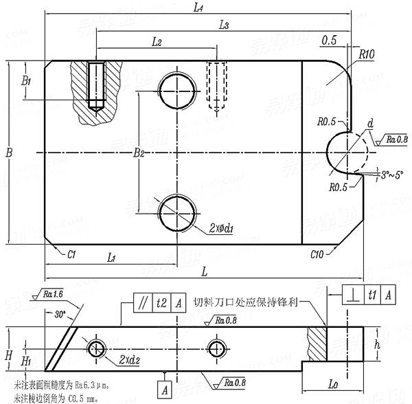
冷镦模通用件-切料刀 G型 (适用于GB6170、GB6171、GB6175、GB6176) JB /T 4208.1 - 2014

选择规格尺寸 点击↓

M14

M16

M16

M18

M20

同规格,其他部分尺寸不同
JB /T 4208.1 - 2014 冷镦模通用件-切料刀 G型 (适用于GB6170、GB6171、GB6175、GB6176)

尺寸单位: 毫米(mm)
机械行业JB /T4208.1 - 2014 JB4208.1 4208.1JB 冷镦模通用件-切料刀 G型 (适用于GB6170、GB6171、GB6175、GB6176)
JB /T 4208.1 - 2014 冷镦模通用件-切料刀 G型 (适用于GB6170、GB6171、GB6175、GB6176)
扫一扫分享
螺纹规格
M14 M16 M16 M18 M20
d 最小值=公称
最大值
H 最大值=公称
最小值
L4 最大值=公称
最小值
L
B
L0
h
L3
L2
L1
H1
B1
B2
d1
d2
t1
t2
适用机型
14.7 16.8 16.8 18.9 21
14.81 16.91 16.91 19.03 21.13
16 16 18 18 18
15.89 15.89 17.89 17.89 17.89
105 105 125 125 125
104.78 104.78 124.75 124.75 124.75
110 110 130 130 130
75 75 75 75 75
25 25 25 25 25
12 12 14 14 14
88 88 104 104 104
44 44 34 34 34
50 50 70 70 70
8 8 9 9 9
16 16 16 16 16
50 50 50 50 50
M16 M16 M16 M16 M16
M8 M8 M8 M8 M8
0.12 0.12 0.12 0.12 0.12
0.08 0.08 0.08 0.08 0.08
Z41-16、ZM416 Z41-16、ZM416 Z41-20、Z41-20G Z41-20、Z41-20G Z41-20、Z41-20G
①,适用于螺母自动冷镦机用紧固件冷镦模。
②,材料由制造者选定。推荐采用Cr12MoV、GCr15或T10A,L0段硬度为58~62HRC,其余为45~50HRC。
技术要求应符合JB/T 4213的规定。
替代列表
注:技术数据仅供参考,请以官方原件为准!
© 易紧通 服务热线:4006-164580(免长途费)