index
logo

螺尾销轴 GB 881 - 1976

查看供应商

选择规格尺寸 点击↓

3

4

5

6

8

10

12

16

20

25

30

40

50

60

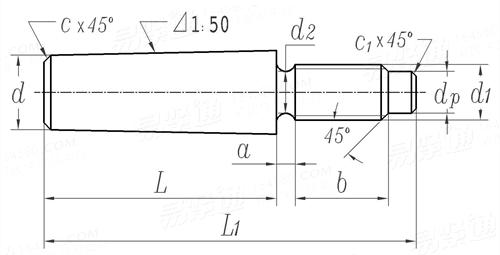
GB  881 - 1976 螺尾销轴

尺寸单位: mm
国标GB 881 - 1976 GB881 881GB 螺尾销轴
GB  881 - 1976 螺尾销轴
扫一扫分享
千件重及价格计算 千件重 : kg x 元/kg = 元/千件
默认密度 g/cm3
公称长度L 注:选择后获得 相应重量
公称直径
d
3 4 5 6 8 10 12 16 20 25 30 40 50 60
d 最大值
最小值
d1
dp
b
L1
a
c
c1
3.05 4.05 5.05 6.05 8.05 10.05 12.05 16.05 20.05 25.05 30.05 40.05 50.05 60.05
3 4 5 6 8 10 12 16 20 25 30 40 50 60
M3 M4 M5 M6 M8 M8 M10 M12 M16 M20 M24 M30 M36 M42
2.2 2.8 3.5 4.5 5.5 5.5 7.5 9 12 16 20 25 30 36
5 6 8 10 12 12 16 20 26 32 38 48 56 64
L+8 L+10 L+12 L+15 L+18 L+18 L+24 L+30 L+38 L+45 L+52 L+65 L+75 L+85
1 1.5 1.5 2 2 2 3 4 5 5 6 8 8 10
0.5 0.5 1 1 1 1.5 1.5 1.5 3 3 3 5 5 5
0.5 0.5 0.5 0.5 1 1 1 1 1.5 1.5 1.5 2.5 2.5 2.5
千件钢制重≈kg
- - - - - - - - - - - - - -
①,技术条件按 GB 121-76 的规定。
替代列表
等效标准
国标 GB 国际 ISO 德标 DIN
GB /T 881
ISO 8737
DIN EN 28737
以上有部分标准可能为近似等效,如有异议以标准原件为准
注:技术数据仅供参考,请以官方原件为准!
告诉我在“易紧通”看到,将给您优惠
联系人:杨帆(销售经理) 点击这里给我发消息2850588398   移动电话: 13813085707     电话:025-52758402,52758403,52758406分机:8859/8858
材料:碳钢、合金钢、304、304L、310S、316、316L、317、321、347、双相钢2205、2507、2520、904L、410、420、430、431、440、631、蒙乃尔K500、1.4410、1.4501、1.4529、1.4539、1.4547、1.4980;等级:A2-70、A2-80、A3-70、A4-70、A4-80、A5-80、C1-70、C4-70、C1-110、C3-80、8.8级、10.9级\12.9级以上;表面处理:本色、发黑、磷化、钝化、镀锌、达克罗、锌镍合金、镀金、镀银等;规格范围:M3-M72,可按图定制
联系人:郑坤   移动电话: 13967788091     电话:0577-65201156
材料:不锈钢、中碳、40Cr、Gcr15;规格范围:M5-M50
联系人:孔经理   移动电话: 13777727055     微信号:13777727055
材质:Gcr15、45#、40cr、316、304、303等;规格范围:M5-M50;公称长度:10-350mm;表面处理:镀白锌、抛光、发黑等。
类似标准及供货信息
1 螺尾锥销 [国标]
GB /T 881 - 2000
螺尾锥销
Taper Pins with External Thread
供应商(3)
2 螺尾锥销 [国标]
GB 881 - 1986
螺尾锥销
Taper Pins with External Thread
供应商(3)
3 螺尾锥销 [德标]
DIN 258 - 2012
螺尾锥销
Taper Pins with Thread Ends and Constant Taper Lengths
供应商(1)
4 带螺纹圆锥销 [德标]
DIN 258 - 2011
带螺纹圆锥销
Taper Pins with Thread Ends and Constant Taper Lengths
供应商(1)
5 螺尾锥销 [德标]
DIN 7977 - 1986
螺尾锥销
Taper Pins with External Thread
供应商(1)
6 螺尾锥销 [德标]
DIN 258 - 1977
螺尾锥销
Taper Pins with Thread Ends and Constant Taper Lengths
供应商(1)
7 螺尾锥销 [德标]
DIN 7977 - 1977
螺尾锥销
Taper Pins with Thread and Constant Thread Part
供应商(1)
8 不淬硬螺尾锥销 [国际]
ISO 8737 - 1986
不淬硬螺尾锥销
Taper Pins with External Thread, Unhardened
9 外螺纹球面圆柱端圆锥销 [日标]
JIS B 1358 - 1990
外螺纹球面圆柱端圆锥销
Taper Pins with Dog Point and Ball Face
10 带螺纹圆锥销 [意大利]
UNI 7285 - 1974
带螺纹圆锥销
Taper Pins with Thread and Constant Taper Length
11 不淬硬带螺纹圆锥销 [法国]
NF E 25-759 - 1992 (R2002)
不淬硬带螺纹圆锥销
Taper Pins with External Thread, Unhardened
12 螺尾锥销 [法国]
NF E 27-477 - 1972
螺尾锥销
Morse Taper Pins with External Thread
13 带螺纹圆锥销 [韩标]
KS B 1308 - 2021
带螺纹圆锥销
Taper Pins with Thread
14 带螺纹圆锥销 [韩标]
KS B 1308 - 2000
带螺纹圆锥销
Taper Pins with Thread
15 螺尾锥销 [德标]
DIN EN 28737 - 1992
螺尾锥销
Unhardened Taper Pins with External Thread
供应商(1)
© 易紧通 服务热线:4006-164580(免长途费)