index
logo

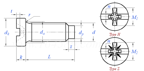
复合槽圆柱头圆柱端断路器用螺钉 JB /T 14725 - 2024

选择规格尺寸 点击↓

M2.5

M3

M3.5

M4

M5

M6

M7

JB /T 14725 - 2024 复合槽圆柱头圆柱端断路器用螺钉

尺寸单位: mm
机械行业JB /T14725 - 2024 JB14725 14725JB 复合槽圆柱头圆柱端断路器用螺钉
JB /T 14725 - 2024 复合槽圆柱头圆柱端断路器用螺钉
扫一扫分享
千件重及价格计算 千件重 : kg x 元/kg = 元/千件
默认密度 g/cm3
公称长度L 注:选择后获得 相应重量
螺纹规格
M2.5 M3 M3.5 M4 M5 M6 M7
P 螺距
dk 最大值
最小值
da 最大值
k 最大值
最小值
r 最小值
n 最大值
最小值
t 最大值
最小值
dp 最大值
最小值
z 最大值
最小值
槽号
M1 参考
深度 Type H 最小值
最大值
M2 参考
深度 Type Z 最小值
最大值
0.45 0.5 0.6 0.7 0.8 1 1
3.9 5.1 6.1 6.6 7.6 9.4 9.4
3.72 4.92 5.88 6.38 7.38 9.18 9.18
3.1 3.6 4.1 4.7 5.7 6.8 7.8
2 2.2 2.4 2.5 2.7 3.8 3.8
1.75 1.95 2.15 2.25 2.45 3.5 3.5
0.1 0.1 0.1 0.2 0.2 0.25 0.25
0.8 1 1 1.2 1.2 1.4 1.4
0.6 0.8 0.8 1 1 1.2 1.2
0.95 1.15 1.15 1.15 1.5 1.8 1.8
0.65 0.85 0.85 0.85 1.1 ı.40 1.4
1.9 2.3 2.6 3.1 3.7 4.6 5.3
1.7 2.1 2.4 2.9 3.5 4.4 5.1
0.6 0.7 0.9 1.3 1.4 1.6 1.6
0.4 0.5 0.7 1.1 1.2 1.4 1.4
1 1 2 2 2 2 2
2.8 3 4.1 4.1 4.4 4.9 4.9
1.48 1.76 1.75 1.75 2.06 2.6 2.6
1.73 2.01 2.2 2.2 2.51 3.05 3.05
2.9 3.2 4.4 4.4 4.6 5.2 5.2
1.4 1.7 1.9 1.9 2.1 2.7 2.7
1.8 2.1 2.4 2.4 2.6 3.2 3.2
千件钢制重≈kg
- - - - - - -

技术条件和引用标准

材料
通用技术条件
螺纹 公差
标准
机械性能 热处理方式
硬度
最小破坏扭矩 /N·m
最小破坏扭矩 /N·m,标准
渗碳层深度 / mm
公差 产品等级
标准
表面缺陷
表面处理 -
-
验收及包装
有色金属
GB/T 16938
6g
GB/T 193、GB/T 9145
表面渗碳 淬火并回火 /
表面硬度:≥450 HV 0.3。
芯部硬度:含碳量<0.15%,120~250HV;
含碳量≥0.15%,270~390HV
GB/T 3098.1 /
含碳量<0.15%:M2.5 (0.4),M3 (1.1),M3.5 (1.5),M4 (2.9),M5 (6.1),M6 (9.2),M7 (11.5);
含碳量<0.15%:M2.5 (0.82),M3 (1.5),M3.5 (2.4),M4 (3.6),M5 (7.6),M6 (13),M7 (23)。
8.8级 CU2级
破坏扭矩试验方法按 GB/T 3098.13 GB/T 3098.13 GB/T 3098.10
M2.5:0.04~0.1
M3、M3.5:0.05~0.18
M4、M5、M6:0.1~0.23
M7:0.15~0.28
/ /
A级
GB/T 3103.1
GB/T 5779.1 /
电镀技术要求按 GB/T 5267.1;
非电解锌片涂层技术要求按 GB/T 5267.2
简单处理;
电镀技术要求按 GB/T 5267.1
如需其他技术要求或表面处理,就由供需协议。
GB/T 90.1、GB/T 90.2
注:技术数据仅供参考,请以官方原件为准!
类似标准及供货信息
1 复合槽小盘头螺钉 [机械行业]
JB /T 14722 (A) - 2024
复合槽小盘头螺钉
Complex Groove SmalI Pan Head Screws
2 复合槽小盘头螺钉 [机械行业]
JB /T 14723 (A) - 2024
复合槽小盘头螺钉
Complex Groove Small Pan Head Screw
3 复合槽圆柱头螺钉 [机械行业]
JB /T 14724 (A) - 2024
复合槽圆柱头螺钉
Complex Groove Cap Head Screw
4 复合槽圆柱头球面端螺钉 [机械行业]
JB /T 14726 - 2024
复合槽圆柱头球面端螺钉
Complex Groove Cheese Head Screws with Rounded End
5 十一字槽盘头螺钉Table20 [美标]
ASME/ANSI B 18.6.3 (T20) - 2010
十一字槽盘头螺钉Table20
Combination Slotted-Cross Recessed Round Head Machine Screws
供应商(3)
6 塑料十一字槽圆柱头头部带孔螺钉 [标准]
YJT 4016
塑料十一字槽圆柱头头部带孔螺钉
Plastic Composit Slot Screws with Hole Through Cheese Head
7 复合十字槽盘头螺钉 (ASTM F837, F468) [TABLE 2.2.5-4 I/IA/III] [美标]
ASME B 18.6.3 (H5D) - 2024
复合十字槽盘头螺钉 (ASTM F837, F468) [TABLE 2.2.5-4 I/IA/III]
Combination Slotted-Pan Head Screws (ASTM F837, F468) [TABLE 2.2.5-4 I/IA/III]
供应商(3)
8 复合十字槽盘头螺钉 [Table 20] (ASTM F837, F468) [美标]
ASME B 18.6.3 (T20) - 2013
复合十字槽盘头螺钉 [Table 20] (ASTM F837, F468)
Combination Slotted - Pan Head Screws (ASTM F837, F468)
供应商(3)
9 I型 复合槽大扁头螺钉 [TABLE 2.2.7-3 I] [美标]
ASME 18.6.3 (H7C-I) - 2024
I型 复合槽大扁头螺钉 [TABLE 2.2.7-3 I]
Combination Slotted Truss Head Screws - Type I [TABLE 2.2.7-3 I]
10 III型 复合槽大扁头螺钉 [TABLE 2.2.7-3 III] [美标]
ASME B 18.6.3 (H7C-III) - 2024
III型 复合槽大扁头螺钉 [TABLE 2.2.7-3 III]
Combination Slotted Truss Head Screws - Type III [TABLE 2.2.7-3 III]
11 十字复合槽六角凸缘头螺钉 [TABLE 2.2.10-3] [美标]
ASME B 18.6.3 (H10C) - 2024
十字复合槽六角凸缘头螺钉 [TABLE 2.2.10-3]
Combination Slotted Type I Indented Hex Washer Head Screws [TABLE 2.2.10-3]
12 复合十字槽圆头螺钉 [TABLE 2.2.11-3] [美标]
ASME B 18.6.3 (H11C-I/H11C-IA) - 2024
复合十字槽圆头螺钉 [TABLE 2.2.11-3]
Combination Slotted Round Head Screws [TABLE 2.2.11-3]
13 十字复合槽六角凸缘头螺钉 [美标]
ASME B 18.6.3 (T34) - 2013
十字复合槽六角凸缘头螺钉
Combination Slotted Type I Indented Hex Washer Head Screws
14 复合十字槽圆头螺钉 [美标]
ASME B 18.6.3 (T37-I T37-IA) - 2013
复合十字槽圆头螺钉
Combination Slotted Round Head Screws
15 I型复合槽大扁头螺钉 [美标]
ASME B 18.6.3 (T26-I) - 2013
I型复合槽大扁头螺钉
Combination Slotted Truss Head Screws,Type I
16 III型复合槽大扁头螺钉 [美标]
ASME B 18.6.3 (T26-III) - 2013
III型复合槽大扁头螺钉
Combination Slotted Truss Head Screws,Type III
© 易紧通 服务热线:4006-164580(免长途费)