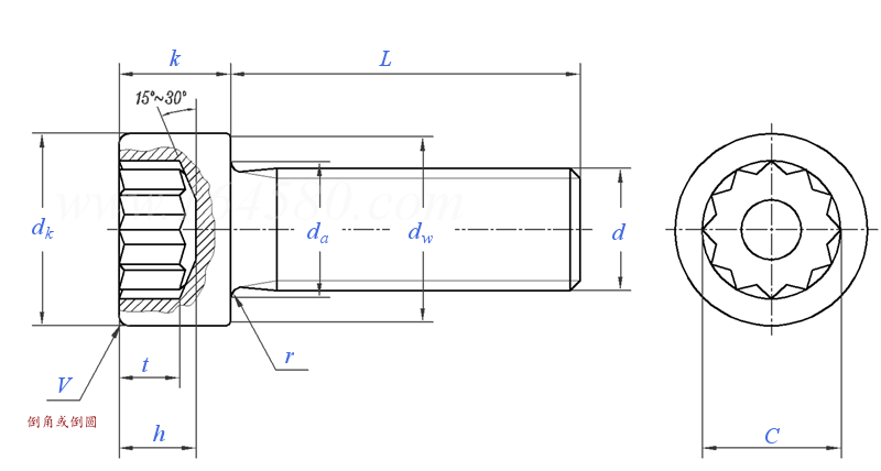
| 选择规格尺寸 点击↓ M6 M8 M10 M12 M14 M16 |
尺寸单位:
mm |
|
|
||||||||||||||||||||||||||||||||||||||||||||||||||||||||||||||||||||||||||||||||||||||||||||||||||||||||||||||||||||||
|
|
|||||||||||||||||||||||||||||||||||||||||||||||||||||||||||||||||||||||||||||||||||||||||||||||||||||||||||||||||||||
|
||||||||||||||||||||||||||||||||||||||||||||||||||||||||||||||||||||||||||||||||||||||||||||||||||||||||||||||||||||||
类似标准及供货信息
| 1 |
|
[德标] DIN 65517 - 2020 |
航空和航天.钛合金制、短螺纹、有内锯齿和MJ螺纹的圆柱头螺钉 Aerospace; Cheese Head Bolts, with Internal Serrations and MJ Thread, Short Thread, Titanium Alloy |
| 2 |
|
[德标] DIN 34822 - 2005 |
带法兰的12孔座凸头螺钉 Cheese Head Screws with Flange with 12 Point Socket |
| 3 |
|
[德标] DIN 34823 - 2005 |
12孔座凸头螺钉 Raised Countersunk Head Screws with 12 Point Socket |
| 4 |
|
[德标] DIN 65517 - 2002 |
航空和航天.钛合金制、短螺纹、有内锯齿和MJ螺纹的圆柱头螺钉 Aerospace; Cheese Head Bolts, with Internal Serration and MJ-thread, Short Thread, Titanium Alloy |