index
logo

沉头双尖榫螺栓 CNS 4697 - 1982

选择规格尺寸 点击↓

M6

M8

M10

M12

M16

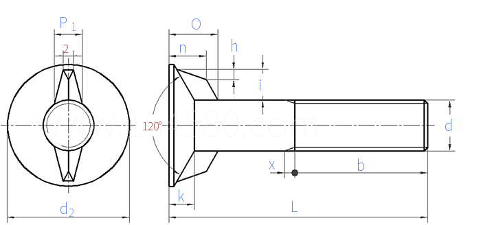
CNS  4697 - 1982 沉头双尖榫螺栓

尺寸单位: mm
台湾CNS 4697 - 1982 CNS4697 4697CNS 沉头双尖榫螺栓
CNS  4697 - 1982 沉头双尖榫螺栓
扫一扫分享
千件重及价格计算 千件重 : kg x 元/kg = 元/千件
默认密度 g/cm3
公称长度L 注:选择后获得 相应重量
螺纹规格
d
M6 M8 M10 M12 M16
P 螺距
b L<120
130≤L≤160
d2
i
k
n
O
P1
h
1 1.25 1.5 1.75 2
18 22 26 30 38
24 28 32 36 44
16 20 24 30 38
4 5 6 8 10
3.5 4 5 6 7.5
5.7 6.1 7.3 7.5 8.9
7.2 8.2 9.6 10.7 13.3
3.5 4.5 5.5 6.5 8
1.5 1.5 2 2.5 2.5
千件钢制重≈kg
- - - - -
①,x 按 CNS 4324。
注:技术数据仅供参考,请以官方原件为准!
类似标准及供货信息
1 沉头带榫螺栓 [国标]
GB /T 11 - 2013
沉头带榫螺栓
Countersunk Head Nib Bolts
供应商(2)
2 沉头带榫螺栓 [国标]
GB /T 11 - 1988
沉头带榫螺栓
Flat Countersunk Nib Bolts
供应商(2)
3 沉头带榫螺栓 [国标]
GB 11 - 1976
沉头带榫螺栓
Countersunk Head Nib Bolts
供应商(2)
4 沉头双榫螺栓 [国标]
GB /T 800 - 2020
沉头双榫螺栓
Countersunk Head Double Nib Bolts
5 沉头双榫螺栓 [国标]
GB /T 800 - 1988
沉头双榫螺栓
Countersunk Head Bolts with Double Nibs
6 沉头带榫螺栓 [德标]
DIN 604 - 2017
沉头带榫螺栓
Flat Countersunk Head Nib Bolts
供应商(1)
7 沉头带榫螺栓 [德标]
DIN 604 - 2010
沉头带榫螺栓
Flat Countersunk Head Nib Bolts
供应商(1)
8 沉头带榫螺栓 [德标]
DIN 604 - 1981
沉头带榫螺栓
Flat Countersunk Nib Bolts
供应商(1)
9 铁路车辆用沉头双榫螺栓 [德标]
DIN 25195 - 2003
铁路车辆用沉头双榫螺栓
Railway Vehicles - Countersunk Bolts with Double Nip with Metric ISO Thread - Class C
10 圆柱沉头带榫螺栓 [德标]
DIN 792 - 1976
圆柱沉头带榫螺栓
Cylindrical Counter Sunk Screws
11 农业机械用,米制螺纹、精制沉头双榫螺栓 [德标]
DIN 11014 - 1968
农业机械用,米制螺纹、精制沉头双榫螺栓
Agricultural Equipment; Countersunk Double-nip Bolts, Sinkings, Metric Thread, Finish
12 沉头带榫螺栓 [Table 2] [日标]
JIS B 1179 (T2) - 1994
沉头带榫螺栓 [Table 2]
Flat Countersunk Nib Bolts [Table 2]
13 沉头带尖榫螺栓4 [美标]
ASME/ANSI B 18.9 - 2007
沉头带尖榫螺栓4
Flat Countersunk Head Nib Bolts
14 沉头带尖榫螺栓6 [美标]
ASME/ANSI B 18.9 - 2007
沉头带尖榫螺栓6
Flat Countersunk Head Nib Bolts
15 沉头带榫螺栓 [美标]
ASME/ANSI B 18.9 - 2007
沉头带榫螺栓
Flat Countersunk Head Nib Bolts
16 C级沉头带榫螺栓 [意大利]
UNI 6105 - 1967
C级沉头带榫螺栓
Flat Countersunk Head Nib Bolts - Grade C
17 米制90°沉头带榫螺栓 [英标]
BS 4933 - 1973
米制90°沉头带榫螺栓
Metric 90°Countersunk Head Nibbed Bolts
18 粗制沉头带榫螺栓Table4 [英标]
BS 325 - 1947
粗制沉头带榫螺栓Table4
Black Countersunk Nibbed Bolts
19 沉头双榫螺栓 [台湾]
CNS 4698 - 1982
沉头双榫螺栓
Countersunk Double-Rib Bolts
20 沉头带榫螺栓 [台湾]
CNS 4417 - 1981
沉头带榫螺栓
Countersunk Head Nip Bolts
21 7号沉头带榫螺栓 [Table 2] (A307, F468, F593, SAE J 429) [美标]
ASME B 18.9 - 2012
7号沉头带榫螺栓 [Table 2] (A307, F468, F593, SAE J 429)
No.7 Head Plow Bolts (Round, Countersunk, Reverse Key) [Table 2] (A307, F468, F593, SAE J 429)
22 6号沉头带尖榫螺栓(修正头) [Table 4]  (A307, F468, F593, SAE J 429) [美标]
ASME B 18.9 - 2012
6号沉头带尖榫螺栓(修正头) [Table 4] (A307, F468, F593, SAE J 429)
No.6 Repair Head Plow Bolts (Countersunk, Heavy Key) [Table 4] (A307, F468, F593, SAE J 429)
© 易紧通 服务热线:4006-164580(免长途费)