尺寸单位:
毫米(mm) |
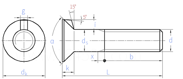
沉头带榫螺栓
供应商 (2)
沉头带榫螺栓
供应商 (2)
沉头带榫螺栓
供应商 (2)
沉头双榫螺栓
沉头双榫螺栓
沉头带榫螺栓
供应商 (1)
沉头带榫螺栓
供应商 (1)
沉头带榫螺栓
供应商 (1)
铁路车辆用沉头双榫螺栓
圆柱沉头带榫螺栓
农业机械用,米制螺纹、精制沉头双榫螺栓
沉头带榫螺栓 [Table 2]
沉头带尖榫螺栓4
沉头带尖榫螺栓6
沉头带榫螺栓
C级沉头带榫螺栓
米制90°沉头带榫螺栓
粗制沉头带榫螺栓Table4
沉头双尖榫螺栓
沉头双榫螺栓
7号沉头带榫螺栓 [Table 2] (A307, F468, F593, SAE J 429)
6号沉头带尖榫螺栓(修正头) [Table 4] (A307, F468, F593, SAE J 429)
