<< 返回

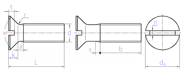
CNS 4411 - 1981 开槽沉头螺钉


尺寸单位: 毫米(mm)
重量计算
选择 公称长度L 获得单重

滑动查看

  • M1~M1.4
  • M1.6~M2
  • M2.5~M3.5
  • M4~M6
  • M8~M12
  • M14~M18
  • M20
  • 螺纹规格
    d
    b
    dk 最大值
    最小值
    k 最大值
    n
    r 最大值
    t 最大值
    最小值
    千件钢制重≈kg
    M1 M1.2 M1.4 M1.6 (M1.8) M2 M2.5 M3 (M3.5) M4 M5 M6 M8 M10 M12 (M14) M16 (M18) M20
    / / / 15 15 16 18 19 20 22 25 28 34 40 46 52 58 64 70
    1.9 2.3 2.6 3 3.4 3.8 4.7 5.6 6.5 7.5 9.2 11 14.5 18 22 25 29 33 36
    1.76 2.16 2.46 2.86 3.22 3.5 4.4 5.3 6.14 7.14 8.84 10.57 14.07 17.57 21.48 24.48 28.48 32.38 35.38
    0.6 0.72 0.84 0.96 1.08 1.2 1.5 1.65 1.93 2.2 2.5 3 4 5 6 7 8 9 10
    0.25 0.3 0.3 0.4 0.4 0.5 0.6 0.8 0.8 1 1.2 1.6 2 2.5 3 3 4 4 5
    0.1 0.12 0.14 0.16 0.18 0.2 0.25 0.3 0.35 0.4 0.5 0.6 0.8 1 1.2 1.4 1.6 1.8 2
    0.3 0.35 0.4 0.45 0.5 0.6 0.7 0.85 1 1.1 1.3 1.6 2.1 2.6 3 3.5 4 4.5 5
    0.2 0.25 0.28 0.32 0.35 0.4 0.5 0.6 0.7 0.8 1 1.2 1.6 2 2.4 2.8 3.2 3.6 4
    - - - - - - - - - - - - - - - - - - -

    我要采购 我能供货
    类似产品及供货信息
    开槽沉头螺钉

    GB /T 68 - 2016

    开槽沉头螺钉
    供应商 (6)

    开槽沉头螺钉

    GB /T 68 - 2000

    开槽沉头螺钉
    供应商 (6)

    开槽沉头螺钉

    GB 68 - 1985

    开槽沉头螺钉
    供应商 (6)

    开槽沉头不脱出螺钉

    GB 948 - 1988

    开槽沉头不脱出螺钉

    米制开槽沉头机械螺钉  Table 2

    IFI 513 - 1982

    米制开槽沉头机械螺钉 Table 2

    开槽沉头螺钉

    DIN 963 - 1990

    开槽沉头螺钉
    供应商 (4)

    钢结构用带六角螺母的开槽沉头螺栓

    DIN 7969 - 2017

    钢结构用带六角螺母的开槽沉头螺栓

    钢结构用带六角螺母的开槽沉头螺栓

    DIN 7969 - 1989

    钢结构用带六角螺母的开槽沉头螺栓

    开槽沉头(平头)螺钉 - 适用于精密机械;M0.4至M1.4

    DIN 8245 - 1972

    开槽沉头(平头)螺钉 - 适用于精密机械;M0.4至M1.4

    开槽沉头螺钉(通用头型) - 产品等级A级

    ISO 2009 - 2011

    开槽沉头螺钉(通用头型) - 产品等级A级

    开槽沉头螺钉(通用头型) - 产品等级A级

    ISO 2009 - 1994

    开槽沉头螺钉(通用头型) - 产品等级A级

    开槽沉头螺钉 表8

    JIS B 1101 (T8) - 2017

    开槽沉头螺钉 表8

    开槽沉头螺钉 附表JA.4

    JIS B 1101 (JA4) - 2017

    开槽沉头螺钉 附表JA.4

    精密机械用开槽沉头螺钉

    JIS B 1116 (T4) - 2009

    精密机械用开槽沉头螺钉

    开槽沉头螺钉 附表2 [Annex Attached Table 2]

    JIS B 1101 (AAT2) - 1996

    开槽沉头螺钉 附表2 [Annex Attached Table 2]

    开槽沉头螺钉 表3 [Attached Table 3]

    JIS B 1101 (AT3) - 1996

    开槽沉头螺钉 表3 [Attached Table 3]

    开槽沉头螺栓 (精制) [Table 1-1]

    JIS B 1179 (T1-1) - 1994

    开槽沉头螺栓 (精制) [Table 1-1]

    开槽沉头螺栓  (粗制)[Table 1-2]

    JIS B 1179 (T1-2) - 1994

    开槽沉头螺栓 (粗制)[Table 1-2]

    米制开槽沉头螺钉Table2

    ASME/ANSI B 18.6.7M - 1998

    米制开槽沉头螺钉Table2
    供应商 (1)

    80°开槽沉头螺钉Table1

    ASME/ANSI B 18.6.3 - 2010

    80°开槽沉头螺钉Table1

    100°开槽沉头螺钉Table3

    ASME/ANSI B 18.6.3 - 2010

    100°开槽沉头螺钉Table3

    紧公差100°开槽沉头螺钉Table5

    ASME/ANSI B 18.6.3 - 2010

    紧公差100°开槽沉头螺钉Table5

    80°开槽沉头清根螺钉Table9

    ASME/ANSI B 18.6.3 - 2010

    80°开槽沉头清根螺钉Table9

    开槽沉头螺钉 [Table 1] (A307, SAE J429, F468, F593)

    ASME/ANSI B 18.6.2 (T1) - 1998 (R2010)

    开槽沉头螺钉 [Table 1] (A307, SAE J429, F468, F593)

    开槽100°沉头小螺钉 [Table 3]

    ASME/ANSI B 18.11 - 1961 (R1983)

    开槽100°沉头小螺钉 [Table 3]

    开槽沉头螺钉

    UNI 6109

    开槽沉头螺钉

    开槽沉头螺钉

    NF E 25-123 - 1994

    开槽沉头螺钉

    铁路车辆 沉头侧切口机械螺钉

    NF F 03-004 (F) - 1983

    铁路车辆 沉头侧切口机械螺钉

    铁路车辆 开槽沉头螺钉/螺母 A级 符号FP

    NF F 03-016 - 1983

    铁路车辆 开槽沉头螺钉/螺母 A级 符号FP

    开槽沉头螺钉(短的)Table 6

    BS 1981 - 1991

    开槽沉头螺钉(短的)Table 6

    开槽沉头螺钉Table4

    BS 1981 - 1991

    开槽沉头螺钉Table4

    开槽沉头机械螺钉

    BS 4183 (T2) - 1967

    开槽沉头机械螺钉

    英制开槽沉头螺钉 - B.S.W. & B.S.F. 螺纹 [Table 2]

    BS 450 - 1958

    英制开槽沉头螺钉 - B.S.W. & B.S.F. 螺纹 [Table 2]

    米制开槽沉头螺钉 [Table 1]

    AS /NZS 1427 - 1996

    米制开槽沉头螺钉 [Table 1]

    精密机械用开槽沉头螺钉

    CNS 9678 - 1982

    精密机械用开槽沉头螺钉

    开槽沉头螺栓

    CNS 4420 - 1981

    开槽沉头螺栓

    精密用开槽沉头螺钉 M0.4~M1.4

    CNS 4363 - 1980

    精密用开槽沉头螺钉 M0.4~M1.4

    开槽沉头螺钉 A级和B级

    GOST 17475 - 1980

    开槽沉头螺钉 A级和B级

    开槽沉头螺钉 [Table 5]

    KS B 1021 (T5) - 2012 (R2022)

    开槽沉头螺钉 [Table 5]

    开槽沉头螺钉(通用头型) A级

    DIN EN ISO 2009 - 2011

    开槽沉头螺钉(通用头型) A级
    供应商 (4)

    光杆公差带f9 100°沉头螺栓

    GJB 3371 (/61) - 1998

    光杆公差带f9 100°沉头螺栓

    100°开槽沉头螺钉

    GJB 3372 (/36~/44) - 1998

    100°开槽沉头螺钉

    100°沉头不脱出螺钉

    GJB 3372 (/56) - 1998

    100°沉头不脱出螺钉

    开槽沉头螺钉(通用头型) - 产品等级A级

    IS 1365 - 2005

    开槽沉头螺钉(通用头型) - 产品等级A级

    开槽100°沉头小螺钉 [Table 3] (A276, B16, B151)

    ANSI B 18.11 - 1961 (R2017)

    开槽100°沉头小螺钉 [Table 3] (A276, B16, B151)

    82°开槽沉头机械螺钉 (ASTM F837/F468) [TABLE 2.2.1-1]

    ASME B 18.6.3 (H1A) - 2024

    82°开槽沉头机械螺钉 (ASTM F837/F468) [TABLE 2.2.1-1]

    100°沉头开槽机械螺钉 (ASTM F837/F468) [TABLE 2.2.1-3]

    ASME B 18.6.3 (H1C) - 2024

    100°沉头开槽机械螺钉 (ASTM F837/F468) [TABLE 2.2.1-3]

    精密100°沉头开槽机械螺钉 (ASTM F837/F468) [TABLE 2.2.1-5]

    ASME B 18.6.3 (H1E) - 2024

    精密100°沉头开槽机械螺钉 (ASTM F837/F468) [TABLE 2.2.1-5]

    开槽82°沉头清根机械螺钉 (ASTM F837/F468)  [TABLE 2.2.3-1]

    ASME B 18.6.3 (H3A) - 2024

    开槽82°沉头清根机械螺钉 (ASTM F837/F468) [TABLE 2.2.3-1]

    82°开槽沉头机械螺钉  [Table 1] (ASTM F837 / F468)

    ASME B 18.6.3 (T1) - 2013

    82°开槽沉头机械螺钉 [Table 1] (ASTM F837 / F468)

    100°沉头开槽机械螺钉 [Table 3] (ASTM F837 / F468)

    ASME B 18.6.3 (T3) - 2013

    100°沉头开槽机械螺钉 [Table 3] (ASTM F837 / F468)

    开槽精密100°沉头机械螺钉 [Table 5] (ASTM F837 / F468)

    ASME B 18.6.3 (T5) - 2013

    开槽精密100°沉头机械螺钉 [Table 5] (ASTM F837 / F468)

    开槽82°沉头清根机械螺钉 [ Table 9 ] (ASTM F837 / F468)

    ASME B 18.6.3 (T9) - 2013

    开槽82°沉头清根机械螺钉 [ Table 9 ] (ASTM F837 / F468)

    开槽沉头螺栓

    QJ 2370 - 1992

    开槽沉头螺栓

    开槽沉头螺钉

    QJ 2373 - 1992

    开槽沉头螺钉

    100°开槽沉头螺钉

    HB 7187~7195 - 1995

    100°开槽沉头螺钉

    100°开槽沉头螺钉

    HB 7208~7216 - 1995

    100°开槽沉头螺钉

    首页

    产品与标准

    材料查询

    展会