index
logo

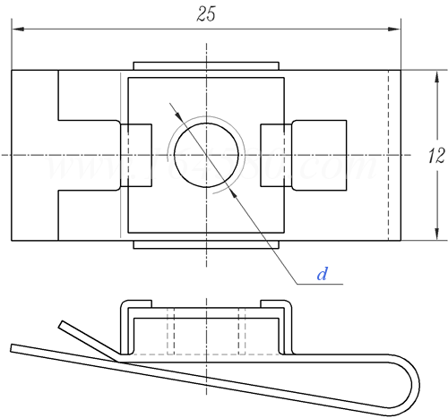
夹片螺母 YJT 3034

YJT标准体系

选择规格尺寸 点击↓

M3

M4

M5

M6

YJT  3034 夹片螺母

尺寸单位: mm
标准YJT 3034 YJT3034 3034YJT 夹片螺母
YJT  3034 夹片螺母
扫一扫分享
螺纹尺寸
d
M3 M4 M5 M6
注:技术数据仅供参考,请以官方原件为准!
本页面所载 YJT® 标准编码及相关内容版权归易紧通所有,需经授权方可使用。
类似标准及供货信息
1 双耳托板自锁螺母 [国标]
GB 930 - 1988
双耳托板自锁螺母
Selt-Locking Nuts, Twolug, Anchor
供应商(2)
2 簧片螺母 [德标]
DIN 34818 - 2002
簧片螺母
Sheet Spring Nuts with Tapping Screw Thread
供应商(1)
3 簧片螺母 [德标]
DIN 34818 - 1999
簧片螺母
Sheet Spring Nuts with Tapping Screw Thread
供应商(1)
4 簧片螺母 [日标]
JIS B 1216 (R) - 2006
簧片螺母
Push-On Spring Square Nuts
供应商(1)
5 A型簧片螺母 [汽标代号]
Q 397
A型簧片螺母
Spring Slice Nuts
供应商(1)
6 B型板簧螺母 (普通型) [汽标代号]
Q 312
B型板簧螺母 (普通型)
Spring Nuts - Type B
7 B型板簧锁紧螺母 (有效力矩型) [汽标代号]
Q 312
B型板簧锁紧螺母 (有效力矩型)
Spring Nuts - Type B - Prevailing Torque Type
8 E型通孔式嵌装塑料螺母 [汽标代号]
Q 379
E型通孔式嵌装塑料螺母
Plastic Expansion Nut with Open End, Type E
9 C型板簧螺母 [汽标代号]
Q 393
C型板簧螺母
Spring Nuts - Type C
10 卡式螺母 [旧YJT 1056] [标准]
YJT 3015
卡式螺母 [旧YJT 1056]
Cage Nuts
供应商(3)
11 弹簧螺母 - 用于41/22型钢和63/63型钢 [标准]
YJT 3020 (41/41SN)
弹簧螺母 - 用于41/22型钢和63/63型钢
Nuts with Springs
供应商(2)
12 弹性螺母块 [标准]
YJT 3027 (HRN)
弹性螺母块
Half Round Nut
13 卡式螺母 标准型 [标准]
YJT 3031
卡式螺母 标准型
Cage Nuts - Standard
14 卡式螺母 接地型 [标准]
YJT 3032
卡式螺母 接地型
Cage Nut with Earth Continuity
15 卡式螺母 正面安装型 [标准]
YJT 3033
卡式螺母 正面安装型
Cage Nut, Front Assembling
16 U形簧片螺母 [美标]
SAE J 891 (Figure 7) - 2016
U形簧片螺母
U Shape Wide-range Design Spring Nuts with or Without Retaining Extrusion
17 P型簧片螺母,J形(I-标准款,II-短款,III-长款) [美标]
SAE J 891 (Figure 8) - 2016
P型簧片螺母,J形(I-标准款,II-短款,III-长款)
Type P, J Shape Regular Design Spring Nuts
18 P型簧片螺母,U形(I-标准款,II-短款,III-长款) [美标]
SAE J 891 (Figure 9) - 2016
P型簧片螺母,U形(I-标准款,II-短款,III-长款)
Type P, U Shape Regular Design Spring Nuts
19 T型簧片螺母,J形(I-标准款,II-短款,III-长款) [美标]
SAE J 891 (Figure 10) - 2016
T型簧片螺母,J形(I-标准款,II-短款,III-长款)
Type T, J Shape Regular Design Spring Nuts
20 T型簧片螺母,U形(I-标准款,II-短款,III-长款) [table 6] [美标]
SAE J 891 (Figure 11) - 2016
T型簧片螺母,U形(I-标准款,II-短款,III-长款) [table 6]
Type T, U Shape Regular Design Spring Nuts
21 P型簧片螺母,single boss [美标]
SAE J 891 (Figure 13) - 2016
P型簧片螺母,single boss
Flat Spring Nuts, Type P Single Boss
22 P型簧片螺母,twin boss [美标]
SAE J 891 (Figure 14) - 2016
P型簧片螺母,twin boss
Flat Spring Nuts, Type P Twin Boss
23 T型簧片螺母,single boss [美标]
SAE J 891 (Figure 15) - 2016
T型簧片螺母,single boss
Flat Spring Nuts, Type T Single Boss
24 T型簧片螺母,Twin Boss [美标]
SAE J 891 (Figure 16) - 2016
T型簧片螺母,Twin Boss
Flat Spring Nuts, Type T Twin Boss
25 英制,压紧弹簧螺母 - 板簧螺母 [美标]
SAE J 892 (F1) - 1996
英制,压紧弹簧螺母 - 板簧螺母
Push-on Spring Nuts (Inch Series) - Rectangular Arched
26 英制,压紧弹簧螺母 - 螺柱止动盲螺母 [美标]
SAE J 892 (F7) - 1996
英制,压紧弹簧螺母 - 螺柱止动盲螺母
Push-on Spring Nuts (Inch series) - Blind, Stud Retained Style
27 英制,压紧弹簧螺母 - 面板止动盲螺柱 [美标]
SAE J 892 (F8) - 1996
英制,压紧弹簧螺母 - 面板止动盲螺柱
Push-on Spring Nuts (Inch Series) - Blind, Panel Retained
28 汽车用簧片螺母 [汽标]
QC /T 330 - 1999
汽车用簧片螺母
Spring Nuts for Motor Vehicles
供应商(1)
29 B型板簧螺母 [汽标]
QC /T 608 - 2011
B型板簧螺母
Spring Nuts - Type B
30 E型通孔式嵌装塑料螺母 [汽标]
QC /T 879 - 2011
E型通孔式嵌装塑料螺母
Plastic Expansion Nut with Open End, Type E
31 B型板簧锁紧螺母 [汽标]
QC /T 885 - 2011
B型板簧锁紧螺母
B Type Spring Nuts - Prevailing Torque Type
32 B型板簧螺母 [汽标]
QC /T 608 - 1999
B型板簧螺母
Spring Nuts - Type B
33 C型板簧螺母 [汽标]
QC /T 610 - 1999
C型板簧螺母
Spring Nuts - Type C
© 易紧通 服务热线:4006-164580(免长途费)