index
logo

A型簧片螺母 Q 397

查看供应商

选择规格尺寸 点击↓

ST3.9

ST3.9

ST3.9

ST3.9

ST3.9

ST3.9

ST4.8

ST4.8

ST4.8

ST4.8

ST6.3

ST6.3

同规格,其他部分尺寸不同
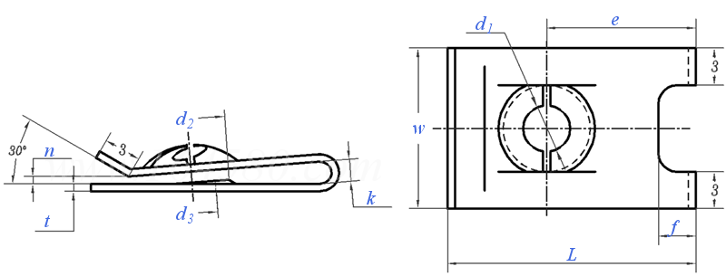
Q  397 A型簧片螺母

尺寸单位: mm
汽标代号Q 397 Q397 397Q A型簧片螺母
Q  397 A型簧片螺母
扫一扫分享
使用在
ST3.9 ST3.9 ST3.9 ST3.9 ST3.9 ST3.9 ST4.8 ST4.8 ST4.8 ST4.8 ST6.3 ST6.3
P 螺距
d1
d2
d3
L
w
e
t 最大值
最小值
f 参考
k
n
拧紧力矩/N·cm
1.4 1.4 1.4 1.4 1.4 1.4 1.6 1.6 1.6 1.6 1.8 1.8
3 3 3 3 3 3 3.8 3.8 3.8 3.8 5 5
6.8 6.8 6.8 6.8 6.8 6.8 7.8 7.8 7.8 7.8 8.8 8.8
5 5 5 5 5 5 6 6 6 6 7 7
16 16 20 20 25 25 20 20 25 25 25 25
12 12 12 12 12 12 13 13 13 13 13 13
9 9 13 13 18 18 12 12 16 16 14 14
0.4 0.4 0.4 0.4 0.4 0.4 0.6 0.6 0.6 0.6 0.8 0.8
0.36 0.36 0.36 0.36 0.36 0.36 0.55 0.55 0.55 0.55 0.73 0.73
2 2 2 2 2 2 3 3 3 3 3 3
1.8 2.8 1.8 2.8 1.8 2.8 1.8 2.8 1.8 2.8 1.8 2.8
0~0.6 0.6~1.3 0~0.6 0.6~1.3 0~0.6 0.6~1.3 0~0.6 0.6~1.3 0~0.6 0.6~1.3 0~0.6 0.6~1.3
80 80 80 80 80 80 140 140 140 140 255 255

技术条件和引用标准

材料 牌号
标准
硬度
拧紧力矩
表面处理 种类
标准
表面缺陷
验收及包装
65Mn
YB/T 5058
400 HV ~ 500 HV
配合螺钉进行拧紧力矩试验,在达到附表所列的拧紧力矩值时不得损坏。
防蚀磷化 镀锌钝化 Fe/Zn10
QC/T 625
螺母表面要求光滑,不允许有影响使用的裂纹、毛刺、变形等缺陷。
GB/T 90.1、GB/T 90.2
注:技术数据仅供参考,请以官方原件为准!
告诉我在“易紧通”看到,将给您优惠
联系人:莫惠明   移动电话: 13861171560     电话:0519-88315365
材料:弹簧钢65Mn;规格:按客户要求; 热处理:HRC42-48; 表面处理:发黑,镀锌,达克罗
类似标准及供货信息
1 双耳托板自锁螺母 [国标]
GB 930 - 1988
双耳托板自锁螺母
Selt-Locking Nuts, Twolug, Anchor
供应商(2)
2 簧片螺母 [德标]
DIN 34818 - 2002
簧片螺母
Sheet Spring Nuts with Tapping Screw Thread
供应商(1)
3 簧片螺母 [德标]
DIN 34818 - 1999
簧片螺母
Sheet Spring Nuts with Tapping Screw Thread
供应商(1)
4 簧片螺母 [日标]
JIS B 1216 (R) - 2006
簧片螺母
Push-On Spring Square Nuts
供应商(1)
5 B型板簧螺母 (普通型) [汽标代号]
Q 312
B型板簧螺母 (普通型)
Spring Nuts - Type B
6 B型板簧锁紧螺母 (有效力矩型) [汽标代号]
Q 312
B型板簧锁紧螺母 (有效力矩型)
Spring Nuts - Type B - Prevailing Torque Type
7 E型通孔式嵌装塑料螺母 [汽标代号]
Q 379
E型通孔式嵌装塑料螺母
Plastic Expansion Nut with Open End, Type E
8 C型板簧螺母 [汽标代号]
Q 393
C型板簧螺母
Spring Nuts - Type C
9 卡式螺母 [旧YJT 1056] [标准]
YJT 3015
卡式螺母 [旧YJT 1056]
Cage Nuts
供应商(3)
10 弹簧螺母 - 用于41/22型钢和63/63型钢 [标准]
YJT 3020 (41/41SN)
弹簧螺母 - 用于41/22型钢和63/63型钢
Nuts with Springs
供应商(2)
11 弹性螺母块 [标准]
YJT 3027 (HRN)
弹性螺母块
Half Round Nut
12 卡式螺母 标准型 [标准]
YJT 3031
卡式螺母 标准型
Cage Nuts - Standard
13 卡式螺母 接地型 [标准]
YJT 3032
卡式螺母 接地型
Cage Nut with Earth Continuity
14 卡式螺母 正面安装型 [标准]
YJT 3033
卡式螺母 正面安装型
Cage Nut, Front Assembling
15 夹片螺母 [标准]
YJT 3034
夹片螺母
Clip-on Nuts
16 U形簧片螺母 [美标]
SAE J 891 (Figure 7) - 2016
U形簧片螺母
U Shape Wide-range Design Spring Nuts with or Without Retaining Extrusion
17 P型簧片螺母,J形(I-标准款,II-短款,III-长款) [美标]
SAE J 891 (Figure 8) - 2016
P型簧片螺母,J形(I-标准款,II-短款,III-长款)
Type P, J Shape Regular Design Spring Nuts
18 P型簧片螺母,U形(I-标准款,II-短款,III-长款) [美标]
SAE J 891 (Figure 9) - 2016
P型簧片螺母,U形(I-标准款,II-短款,III-长款)
Type P, U Shape Regular Design Spring Nuts
19 T型簧片螺母,J形(I-标准款,II-短款,III-长款) [美标]
SAE J 891 (Figure 10) - 2016
T型簧片螺母,J形(I-标准款,II-短款,III-长款)
Type T, J Shape Regular Design Spring Nuts
20 T型簧片螺母,U形(I-标准款,II-短款,III-长款) [table 6] [美标]
SAE J 891 (Figure 11) - 2016
T型簧片螺母,U形(I-标准款,II-短款,III-长款) [table 6]
Type T, U Shape Regular Design Spring Nuts
21 P型簧片螺母,single boss [美标]
SAE J 891 (Figure 13) - 2016
P型簧片螺母,single boss
Flat Spring Nuts, Type P Single Boss
22 P型簧片螺母,twin boss [美标]
SAE J 891 (Figure 14) - 2016
P型簧片螺母,twin boss
Flat Spring Nuts, Type P Twin Boss
23 T型簧片螺母,single boss [美标]
SAE J 891 (Figure 15) - 2016
T型簧片螺母,single boss
Flat Spring Nuts, Type T Single Boss
24 T型簧片螺母,Twin Boss [美标]
SAE J 891 (Figure 16) - 2016
T型簧片螺母,Twin Boss
Flat Spring Nuts, Type T Twin Boss
25 英制,压紧弹簧螺母 - 板簧螺母 [美标]
SAE J 892 (F1) - 1996
英制,压紧弹簧螺母 - 板簧螺母
Push-on Spring Nuts (Inch Series) - Rectangular Arched
26 英制,压紧弹簧螺母 - 螺柱止动盲螺母 [美标]
SAE J 892 (F7) - 1996
英制,压紧弹簧螺母 - 螺柱止动盲螺母
Push-on Spring Nuts (Inch series) - Blind, Stud Retained Style
27 英制,压紧弹簧螺母 - 面板止动盲螺柱 [美标]
SAE J 892 (F8) - 1996
英制,压紧弹簧螺母 - 面板止动盲螺柱
Push-on Spring Nuts (Inch Series) - Blind, Panel Retained
28 汽车用簧片螺母 [汽标]
QC /T 330 - 1999
汽车用簧片螺母
Spring Nuts for Motor Vehicles
供应商(1)
29 B型板簧螺母 [汽标]
QC /T 608 - 2011
B型板簧螺母
Spring Nuts - Type B
30 E型通孔式嵌装塑料螺母 [汽标]
QC /T 879 - 2011
E型通孔式嵌装塑料螺母
Plastic Expansion Nut with Open End, Type E
31 B型板簧锁紧螺母 [汽标]
QC /T 885 - 2011
B型板簧锁紧螺母
B Type Spring Nuts - Prevailing Torque Type
32 B型板簧螺母 [汽标]
QC /T 608 - 1999
B型板簧螺母
Spring Nuts - Type B
33 C型板簧螺母 [汽标]
QC /T 610 - 1999
C型板簧螺母
Spring Nuts - Type C
© 易紧通 服务热线:4006-164580(免长途费)