index
logo

半圆头不脱出螺钉 GJB 3372 (/53) - 1998

选择规格尺寸 点击↓

M3

M4

M5

M6

GJB  3372 (/53) - 1998 半圆头不脱出螺钉

尺寸单位: mm
军标GJB 3372 (/53) - 1998 GJB3372 3372GJB 半圆头不脱出螺钉
GJB  3372 (/53) - 1998 半圆头不脱出螺钉
扫一扫分享
千件重及价格计算 千件重 : kg x 元/kg = 元/千件
默认密度 g/cm3
公称长度L 注:选择后获得 相应重量
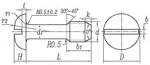
螺纹尺寸
d
M3 M4 M5 M6
d1 最大值=公称
最小值
H 最大值=公称
最小值
D 最大值=公称
最小值
b1
r1 参考
r2 参考
b 最小值=公称
最大值
t 最大值=公称
最小值
k 参考
2 2.8 3.5 4.5
1.9 2.7 3.38 4.38
1.8 2.4 3 3.5
1.55 2.15 2.75 3.2
5 7 9 10
4.7 6.64 8.64 9.64
4 5 6 7
1.8 2.4 3 3.5
4 6 9 11
0.8 1 1.2 1.5
0.9 1.1 1.3 1.6
0.5 0.8 1 1.5
0.25 0.55 0.75 1.25
1 1 1.5 1.5
千件钢制重≈kg
- - - -
①,材料:钢45,镀锌钝化。不要求做抗拉强度试验。其余技术要求按通用规范 GJB 3375。
注:技术数据仅供参考,请以官方原件为准!
类似标准及供货信息
1 开槽圆头螺钉 附表JA.8 [日标]
JIS B 1101 (JA8) - 2017
开槽圆头螺钉 附表JA.8
Slotted Round Head Screws - Table JA.8
2 开槽圆头螺钉 附表6 [Annex Attached Table 6] [日标]
JIS B 1101 (AAT6) - 1996
开槽圆头螺钉 附表6 [Annex Attached Table 6]
Slotted Round Head Screws [Annex Attached Table 6]
3 开槽圆头螺钉 [Table 2] (A307, SAE J429, F468, F593) [美标]
ASME/ANSI B 18.6.2 (T2) - 1998 (R2010)
开槽圆头螺钉 [Table 2] (A307, SAE J429, F468, F593)
Slotted Round Head Cap Screws [Table 2] (A307, SAE J429, F468, F593)
4 英制开槽圆头螺钉 - B.S.W. & B.S.F. 螺纹 [Table 4] [英标]
BS 450 - 1958
英制开槽圆头螺钉 - B.S.W. & B.S.F. 螺纹 [Table 4]
Slotted Round Head Screws with B.S.W. & B.S.F. Threads [Table 4]
5 开槽圆头螺钉 [台湾]
CNS 9671 - 1988
开槽圆头螺钉
Slotted Round Head Machine Screws
6 半圆头螺钉 开槽 [军标]
GJB 3372 (/25~/31) - 1998
半圆头螺钉 开槽
Slotted Round Head Screws
7 开槽圆头螺钉 [印标]
IS 8822 - 1978
开槽圆头螺钉
Slotted Mushroom Head Roofing Bolts
8 开槽圆头螺钉  (ASTM F837, F468) [TABLE 2.2.11-1] [美标]
ASME B 18.6.3 (H11A) - 2024
开槽圆头螺钉 (ASTM F837, F468) [TABLE 2.2.11-1]
Slotted Round Head Screws (ASTM F837, F468) [TABLE 2.2.11-1]
9 开槽圆头凸缘(带垫、带介)螺钉 (ASTM F837, F468) [TABLE 2.2.12-1] [美标]
ASME B 18.6.3 (H12A) - 2024
开槽圆头凸缘(带垫、带介)螺钉 (ASTM F837, F468) [TABLE 2.2.12-1]
Slotted Round Washer Head Screws (ASTM F837, F468) [TABLE 2.2.12-1]
10 开槽圆头螺钉 [Table 35] (ASTM F837, F468) [美标]
ASME B 18.6.3 (T35) - 2013
开槽圆头螺钉 [Table 35] (ASTM F837, F468)
Slotted Round Head Screws [Table 35] (ASTM F837, F468)
11 开槽圆头凸缘(带垫、带介)螺钉 [Table 38] (ASTM F837, F468) [美标]
ASME B 18.6.3 (T38) - 2013
开槽圆头凸缘(带垫、带介)螺钉 [Table 38] (ASTM F837, F468)
Slotted Round Washer Head Screws [Table 38] (ASTM F837, F468)
12 开槽圆头螺钉 [航天]
QJ 2369 - 1992
开槽圆头螺钉
Slotted Round Head Screws
13 开槽圆头螺钉 [航天]
QJ 2386 - 1992
开槽圆头螺钉
Slotted Round Head Screws
© 易紧通 服务热线:4006-164580(免长途费)