index
logo

航天航空 - 盘头螺钉 偏十字槽 光杆公差h12 短螺纹 钛合金 阳极氧化 MoS2润滑 - 等级:1100MPa(室温)/315℃ EN 2884 - 2024

选择规格尺寸 点击↓

030

040

050

060

070

080

100

120

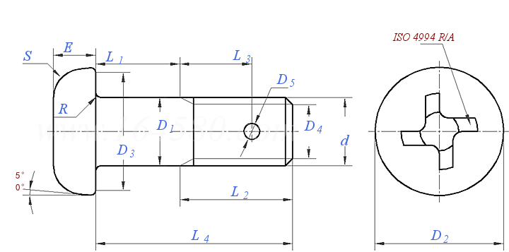
EN  2884 - 2024 航天航空 - 盘头螺钉 偏十字槽 光杆公差h12 短螺纹 钛合金 阳极氧化 MoS2润滑 - 等级:1100MPa(室温)/315℃

尺寸单位: mm
欧标EN 2884 - 2024 EN2884 2884EN 航天航空 - 盘头螺钉 偏十字槽 光杆公差h12 短螺纹 钛合金 阳极氧化 MoS2润滑 - 等级:1100MPa(室温)/315℃
欧标EN 2884 - 2024 EN2884 2884EN 航天航空 - 盘头螺钉 偏十字槽 光杆公差h12 短螺纹 钛合金 阳极氧化 MoS2润滑 - 等级:1100MPa(室温)/315℃
EN  2884 - 2024 航天航空 - 盘头螺钉 偏十字槽 光杆公差h12 短螺纹 钛合金 阳极氧化 MoS2润滑 - 等级:1100MPa(室温)/315℃
扫一扫分享
千件重及价格计算 千件重 : kg x 元/kg = 元/千件
默认密度 g/cm3
尺寸代码
030 040 050 060 070 080 100 120
d 螺纹
D1 最大值=公称
最小值
D2 最大值=公称
最小值
D3 最小值
D4 公称
最大值
最小值
D5 最小值=公称
最大值
E 最大值=公称
最小值
L1 ±0.2 代码
公称
L2
L3
R 最大值=公称
最小值
S 最大值
最小值
槽号 ISO 7994
千件重kg 4.45kg/dm³
MJ3×0.5-4h6h MJ4×0.7-4h6h MJ5×0.8-4h6h MJ6×1-4h6h MJ7×1-4h6h MJ8×1-4h6h MJ10×1.25-4h6h MJ12×1.25-4h6h
3 4 5 6 7 8 10 12
2.9 3.88 4.88 5.88 6.85 7.85 9.85 11.82
6 8 10 12 14 16 20 24
5.7 7.7 9.7 11.7 13.7 15.7 19.7 23.7
4.7 6.7 8.7 10.7 12.7 14.7 18.7 22.7
2.3 3 3.4 4.2 5.2 6.2 7.9 9.8
2.3 3 3.9 4.7 5.7 6.7 8.4 10.3
1.8 2.5 2.9 3.7 4.7 5.7 7.4 9.3
/ 1.1 1.5 1.5 1.9 1.9 2.4 2.4
/ 1.24 1.64 1.64 2.04 2.04 2.54 2.54
1.8 2.4 3 3.6 4.2 4.8 6 7.2
1.6 2.2 2.7 3.3 3.9 4.5 5.7 6.9
002 to 030 002 to 040 003 to 050 003 to 060 004 to 070 004 to 080 005 to 100 006 to 120
2 to 30 2 to 40 3 to 50 3 to 60 4 to 70 4 to 80 5 to 100 6 to 120
6 7.5 9 10 11 11.5 14.5 16
/ 5 6 7 7 7.5 9 10
0.4 0.4 0.5 0.7 0.7 0.7 0.8 0.9
0.2 0.2 0.3 0.5 0.5 0.5 0.6 0.6
1.2 1.6 2 2.4 2.8 3.2 4 4.8
0.3 0.4 0.5 0.6 0.7 0.8 1 1.2
R3 R4 R5 R6 R7 R8 R10 R12
0.38 0.92 1.88 3.1 5.31 7.23 14.24 25.17
0.03 0.06 0.09 0.13 0.17 0.23 0.35 0.5
①,D 为可选形式。
②,S处形状可选 。
③,适用于没有孔的螺钉。
④,Increments:(1 for L ≤ 30,  2 for 30 < L ≤ 100,  4 for L > 100). If greater lengths are required, they shall be chosen using the above increments. The length code corresponds to the length L, completed by one or two zeros to the left,  where necessary, to obtain a three digit code.
⑤,Value for head and first L.
⑥,Increase for each additional millimetre of L.
⑦,十字槽相关参数参见 ISO 7994
替代列表
注:技术数据仅供参考,请以官方原件为准!
类似标准及供货信息
1 十字槽盘头螺钉 [国标]
GB /T 818 - 2016
十字槽盘头螺钉
Pan Head Screws with Cross Recess
供应商(13)
2 十字槽小盘头螺钉 [国标]
GB /T 823 - 2016
十字槽小盘头螺钉
Small Pan Head Screws with Cross Recess
供应商(4)
3 十字槽盘头螺钉 [国标]
GB /T 818 - 2000
十字槽盘头螺钉
Pan Head Screws with Cross Recess
供应商(13)
4 十字槽小盘头螺钉 [国标]
GB 823 - 1988
十字槽小盘头螺钉
Cross Recessed Small Pan Head Screws
供应商(4)
5 十字槽盘头螺钉 [国标]
GB 818 - 1985
十字槽盘头螺钉
Cross Recessed Pan Head Screws
供应商(13)
6 十字槽盘头螺钉 [国标]
GB 818 - 1976
十字槽盘头螺钉
Cross Recessed Pan Head Screws
供应商(13)
7 十字槽盘头凸缘螺钉 A级 [德标]
DIN 967 - 2018
十字槽盘头凸缘螺钉 A级
Cross Recessed Pan Head Screws with Collar - Product Grade A
供应商(1)
8 十字槽盘头凸缘螺钉 A级 [德标]
DIN 967 - 2002
十字槽盘头凸缘螺钉 A级
Cross Recessed Pan Head Screws with Collar - Product Grade A
供应商(1)
9 十字槽球面(矮)圆柱头[盘头]螺钉 [德标]
DIN 7985 - 1990
十字槽球面(矮)圆柱头[盘头]螺钉
Cross Recessed Raised Cheese Head Screws
供应商(5)
10 粗牙十字槽盘头细杆螺钉 [德标]
DIN 6929 (CE) - 2013
粗牙十字槽盘头细杆螺钉
Pan Head Screws with Cross Recess
11 A级十字槽盘头螺钉 H型或Z型 [国际]
ISO 7045 - 2011
A级十字槽盘头螺钉 H型或Z型
Pan Head Screws with Type H or Type Z Cross Recess - Product Grade A
供应商(3)
12 十字槽盘头螺钉 [国际]
ISO 7045 - 1994
十字槽盘头螺钉
Pan Head Screws with Type H or Type Z Cross Recess - Product Grade A
供应商(3)
13 十字槽盘头螺钉 [表3] [日标]
JIS B 1111 (T3) - 2017
十字槽盘头螺钉 [表3]
Cross Recessed Pan Head Screws
供应商(2)
14 十字槽盘头螺钉 [表1] [日标]
JIS B 1111 (T1) - 2006
十字槽盘头螺钉 [表1]
Cross Recessed Pan Head Screws
供应商(2)
15 十字槽盘头螺钉 [表1] [日标]
JIS B 1111 (T1) - 1996
十字槽盘头螺钉 [表1]
Cross Recessed Pan Head Screws
供应商(2)
16 十字槽盘头螺钉 [附属表 JA.3] [日标]
JIS B 1111 (JA3) - 2017
十字槽盘头螺钉 [附属表 JA.3]
Cross Recessed Pan Head Screws
17 十字槽盘头螺钉 [附属表1] [日标]
JIS B 1111 (A1) - 2006
十字槽盘头螺钉 [附属表1]
Cross Recessed Pan Head Screws
18 十字槽盘头螺钉 [附属表1] [日标]
JIS B 1111 (A1) - 1996
十字槽盘头螺钉 [附属表1]
Cross Recessed Pan Head Screws
19 眼镜框架用 - 十一字槽盘头螺钉 [日标]
JIS B 1119 (2P) - 1986
眼镜框架用 - 十一字槽盘头螺钉
Spectacle Frames - Cross-recessed Slotted Pan Head Machine Screws
20 十字槽盘头螺钉 [汽标代号]
Q 214
十字槽盘头螺钉
Cross Recessed Pan Head Screws
供应商(1)
21 十字槽盘头螺钉Table18 [美标]
ASME/ANSI B 18.6.3 - 2010
十字槽盘头螺钉Table18
Cross Recessed Pan Head Machine Screws
供应商(3)
22 米制十字槽盘头螺钉Table11 [美标]
ASME/ANSI B 18.6.7M - 1998
米制十字槽盘头螺钉Table11
Metric Cross Recessed Pan Head Screws
23 米制米字槽盘头螺钉Table12 [美标]
ASME/ANSI B 18.6.7M - 1998
米制米字槽盘头螺钉Table12
Metric PZ Drives Pan Head Screws
24 航天航空 - 盘头螺钉 偏十字槽 光杆公差h12 短螺纹 钛合金 阳极氧化 MoS2润滑 - 等级:1100MPa(室温)/315℃ [欧标]
EN 2884 - 1996
航天航空 - 盘头螺钉 偏十字槽 光杆公差h12 短螺纹 钛合金 阳极氧化 MoS2润滑 - 等级:1100MPa(室温)/315℃
Aerospace Series - Screws, Pan Head, Offset Cruciform Recess, Coarse Tolerance Normal Shank, Short Thread, in Titanium Alloy, Anodized, MoS2 Lubricated - Classification: 1100 MPa (at Ambient Temperature)/315℃
25 航天航空 - 盘头螺钉 偏十字槽 紧公差 普通杆 短螺纹 合金 镀镉 - 等级:1100MPa(室温)/235℃ [欧标]
EN 2897 - 1996
航天航空 - 盘头螺钉 偏十字槽 紧公差 普通杆 短螺纹 合金 镀镉 - 等级:1100MPa(室温)/235℃
Aerospace Series - Screws, Pan Head, Offset Cruciform Recess, Close Tolerance Normal Shank, Short Thread, in Alloy Steel, Cadmium Plated - Classification: 1100 MPa (at Ambient Temperature)/235℃
26 十字槽盘头螺钉 [意大利]
UNI 7687
十字槽盘头螺钉
Recessed Raised Cheese (Filister) Head Screws - ISO Metric Coarse Thread - Product Grade A
27 十字槽盘头螺钉 [法国]
NF E 25-121 - 1994
十字槽盘头螺钉
Pan Head Screws with Type H or Type Z Cross Recess - Product A
28 十字槽盘头螺栓 符合NF L22-072 [法国]
NF L 22-171 - 1984
十字槽盘头螺栓 符合NF L22-072
Bolt, Pan Head, Current Use, NF L22-072 Cross Recess.
29 十字槽锥端盘头螺钉 符合NF L22-072 [法国]
NF L 22-176 - 1984
十字槽锥端盘头螺钉 符合NF L22-072
Bolt, Pan Head, Amagnetic with Cone Point NF L 22-072 Cross Recess
30 十字槽全螺纹盘头螺钉 符合NF L22-070 [法国]
NF L 22-179 - 1984
十字槽全螺纹盘头螺钉 符合NF L22-070
Bolt, Pan Head, Threaded to hHead, NF L 22-070 Cross Recess
31 十字槽盘头螺钉 符合B.N.A.E. ISO螺纹 [法国]
NF L 22-274 - 1982
十字槽盘头螺钉 符合B.N.A.E. ISO螺纹
Pan Head Screws, B.N.A.E. Cross Recess. ISO Thread
32 米字槽盘头螺钉Table12 [英标]
BS 1981 - 1991
米字槽盘头螺钉Table12
Cross Recessed Pan Head Machine Screws
33 英制十字槽盘头螺钉 - B.S.W. & B.S.F. 螺纹 [Table 5] [英标]
BS 450 - 1958
英制十字槽盘头螺钉 - B.S.W. & B.S.F. 螺纹 [Table 5]
Cross Recessed Pan Head Screws with B.S.W. & B.S.F. Threads [Table 5]
34 米制十字槽盘头螺钉 [澳标]
AS /NZS 1427 - 1996
米制十字槽盘头螺钉
ISO Metric Cross-Recess Pan Head Screws
35 十字槽盘头螺钉 [原电子工业部]
SJ 2828 - 1987
十字槽盘头螺钉
Cross Recessed Pan Head Screws
36 十字槽扁圆顶锥头螺钉 [台湾]
CNS 9674 - 1988
十字槽扁圆顶锥头螺钉
Cross Recessed Binding Head Machine Screws
37 十字槽扁圆顶盘头螺钉 [台湾]
CNS 9677 - 1988
十字槽扁圆顶盘头螺钉
Corss Recessed Oval Pan Head Machine Screws
38 十字槽盘头螺钉 [韩标]
KS B 1023 (T6) - 2016 (R2021)
十字槽盘头螺钉
Pan Head Screws with Type H or Type Z Cross Recess - Product Grade A
39 十字槽盘头螺钉 [韩标]
KS B 1023 (T1) - 2001
十字槽盘头螺钉
Cross Recessed Pan Head Screws
40 十字槽盘头螺钉 - 产品等级A级 [德标]
DIN EN ISO 7045 - 2011
十字槽盘头螺钉 - 产品等级A级
Pan Head Screws with Type H or Type Z Cross Recess - Product Grade A
供应商(5)
41 MJ螺纹十字槽盘头螺栓 [军标]
GJB 3374 (/22~/24) - 1998
MJ螺纹十字槽盘头螺栓
MJ Thread, Cross Recesse Pan Head Bolt
42 十字槽盘头螺钉 A级 [印标]
IS 7483 - 2005
十字槽盘头螺钉 A级
Pan Head Screws with Type H or Z Cross Recess - Product Grade A
43 十字槽盘头螺钉 (ASTM F837,F468) [TABLE 2.2.5-2,-3 I/IA] [美标]
ASME B 18.6.3 (H5B-I/H5C-IA) - 2024
十字槽盘头螺钉 (ASTM F837,F468) [TABLE 2.2.5-2,-3 I/IA]
Type I Cross Recessed Pan Head Screws (ASTM F837,F468) [TABLE 2.2.5-2,-3 I/IA]
供应商(3)
44 十字槽盘头螺钉 [Table 18] (ASTM F837, F468) [美标]
ASME B 18.6.3 (T18-I/T19-IA) - 2013
十字槽盘头螺钉 [Table 18] (ASTM F837, F468)
Type I Cross Recessed Pan Head Screws (ASTM F837, F468)
供应商(3)
45 十字槽盘头螺钉 [航天]
QJ 2376 - 1992
十字槽盘头螺钉
Cross Recessed Pan Head Screws
46 十字槽盘头机器螺钉 [深圳紧固件行业协会标准]
T/SZJGJ 001 (F) - 2024
十字槽盘头机器螺钉
Pan Head Screws with Cross Recess
© 易紧通 服务热线:4006-164580(免长途费)