index
logo

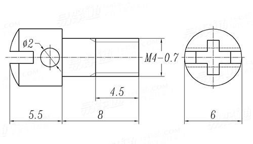
塑料十一字槽圆柱头头部带孔螺钉 YJT 4016

YJT标准体系
YJT  4016 塑料十一字槽圆柱头头部带孔螺钉

尺寸单位: mm
标准YJT 4016 YJT4016 4016YJT 塑料十一字槽圆柱头头部带孔螺钉
YJT  4016 塑料十一字槽圆柱头头部带孔螺钉
扫一扫分享
注:技术数据仅供参考,请以官方原件为准!
本页面所载 YJT® 标准编码及相关内容版权归易紧通所有,需经授权方可使用。
类似标准及供货信息
1 复合槽小盘头螺钉 [机械行业]
JB /T 14722 (A) - 2024
复合槽小盘头螺钉
Complex Groove SmalI Pan Head Screws
2 复合槽小盘头螺钉 [机械行业]
JB /T 14723 (A) - 2024
复合槽小盘头螺钉
Complex Groove Small Pan Head Screw
3 复合槽圆柱头螺钉 [机械行业]
JB /T 14724 (A) - 2024
复合槽圆柱头螺钉
Complex Groove Cap Head Screw
4 复合槽圆柱头圆柱端断路器用螺钉 [机械行业]
JB /T 14725 - 2024
复合槽圆柱头圆柱端断路器用螺钉
Complex Groove Cheese Head Screws with Dog Point for Circuit-breakers
5 复合槽圆柱头球面端螺钉 [机械行业]
JB /T 14726 - 2024
复合槽圆柱头球面端螺钉
Complex Groove Cheese Head Screws with Rounded End
6 十一字槽盘头螺钉Table20 [美标]
ASME/ANSI B 18.6.3 (T20) - 2010
十一字槽盘头螺钉Table20
Combination Slotted-Cross Recessed Round Head Machine Screws
供应商(3)
7 复合十字槽盘头螺钉 (ASTM F837, F468) [TABLE 2.2.5-4 I/IA/III] [美标]
ASME B 18.6.3 (H5D) - 2024
复合十字槽盘头螺钉 (ASTM F837, F468) [TABLE 2.2.5-4 I/IA/III]
Combination Slotted-Pan Head Screws (ASTM F837, F468) [TABLE 2.2.5-4 I/IA/III]
供应商(3)
8 复合十字槽盘头螺钉 [Table 20] (ASTM F837, F468) [美标]
ASME B 18.6.3 (T20) - 2013
复合十字槽盘头螺钉 [Table 20] (ASTM F837, F468)
Combination Slotted - Pan Head Screws (ASTM F837, F468)
供应商(3)
9 I型 复合槽大扁头螺钉 [TABLE 2.2.7-3 I] [美标]
ASME 18.6.3 (H7C-I) - 2024
I型 复合槽大扁头螺钉 [TABLE 2.2.7-3 I]
Combination Slotted Truss Head Screws - Type I [TABLE 2.2.7-3 I]
10 III型 复合槽大扁头螺钉 [TABLE 2.2.7-3 III] [美标]
ASME B 18.6.3 (H7C-III) - 2024
III型 复合槽大扁头螺钉 [TABLE 2.2.7-3 III]
Combination Slotted Truss Head Screws - Type III [TABLE 2.2.7-3 III]
11 十字复合槽六角凸缘头螺钉 [TABLE 2.2.10-3] [美标]
ASME B 18.6.3 (H10C) - 2024
十字复合槽六角凸缘头螺钉 [TABLE 2.2.10-3]
Combination Slotted Type I Indented Hex Washer Head Screws [TABLE 2.2.10-3]
12 复合十字槽圆头螺钉 [TABLE 2.2.11-3] [美标]
ASME B 18.6.3 (H11C-I/H11C-IA) - 2024
复合十字槽圆头螺钉 [TABLE 2.2.11-3]
Combination Slotted Round Head Screws [TABLE 2.2.11-3]
13 十字复合槽六角凸缘头螺钉 [美标]
ASME B 18.6.3 (T34) - 2013
十字复合槽六角凸缘头螺钉
Combination Slotted Type I Indented Hex Washer Head Screws
14 复合十字槽圆头螺钉 [美标]
ASME B 18.6.3 (T37-I T37-IA) - 2013
复合十字槽圆头螺钉
Combination Slotted Round Head Screws
15 I型复合槽大扁头螺钉 [美标]
ASME B 18.6.3 (T26-I) - 2013
I型复合槽大扁头螺钉
Combination Slotted Truss Head Screws,Type I
16 III型复合槽大扁头螺钉 [美标]
ASME B 18.6.3 (T26-III) - 2013
III型复合槽大扁头螺钉
Combination Slotted Truss Head Screws,Type III
© 易紧通 服务热线:4006-164580(免长途费)