index
logo

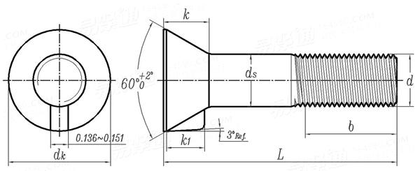
7号沉头带榫螺栓 [Table 2] (A307, F468, F593, SAE J 429) ASME B 18.9 - 2012

选择规格尺寸 点击↓

5/16

3/8

7/16

1/2

9/16

(5/8)

(3/4)

括号内尺寸为非优选
ASME B 18.9 - 2012 7号沉头带榫螺栓 [Table 2] (A307, F468, F593, SAE J 429)

尺寸单位: inch
美标ASME B18.9 - 2012 ASME18.9 18.9ASME 7号沉头带榫螺栓 [Table 2] (A307, F468, F593, SAE J 429)
ASME B 18.9 - 2012 7号沉头带榫螺栓 [Table 2] (A307, F468, F593, SAE J 429)
扫一扫分享
公称长度L 注:选择后获得 螺纹长度
螺纹规格
d
5/16 3/8 7/16 1/2 9/16 (5/8) (3/4)
PP UNC
ds 最大值
最小值
dk 最大值
最小值
k1 最大值
最小值
k 最大值
最小值
18 16 14 13 12 11 10
0.312 0.375 0.438 0.500 0.592 0.657 0.782
0.299 0.360 0.421 0.483 0.544 0.606 0.729
0.592 0.661 0.776 0.892 1.021 1.121 1.277
0.546 0.603 0.709 0.814 0.938 1.028 1.184
0.200 0.202 0.242 0.282 0.336 0.363 0.390
0.185 0.187 0.227 0.267 0.321 0.348 0.375
0.233 0.239 0.282 0.328 0.383 0.414 0.440
0.208 0.208 0.246 0.286 0.338 0.364 0.390
螺纹长度b 最小
- - - - - - -
注:技术数据仅供参考,请以官方原件为准!
类似标准及供货信息
1 沉头带榫螺栓 [国标]
GB /T 11 - 2013
沉头带榫螺栓
Countersunk Head Nib Bolts
供应商(2)
2 沉头带榫螺栓 [国标]
GB /T 11 - 1988
沉头带榫螺栓
Flat Countersunk Nib Bolts
供应商(2)
3 沉头带榫螺栓 [国标]
GB 11 - 1976
沉头带榫螺栓
Countersunk Head Nib Bolts
供应商(2)
4 沉头双榫螺栓 [国标]
GB /T 800 - 2020
沉头双榫螺栓
Countersunk Head Double Nib Bolts
5 沉头双榫螺栓 [国标]
GB /T 800 - 1988
沉头双榫螺栓
Countersunk Head Bolts with Double Nibs
6 沉头带榫螺栓 [德标]
DIN 604 - 2017
沉头带榫螺栓
Flat Countersunk Head Nib Bolts
供应商(1)
7 沉头带榫螺栓 [德标]
DIN 604 - 2010
沉头带榫螺栓
Flat Countersunk Head Nib Bolts
供应商(1)
8 沉头带榫螺栓 [德标]
DIN 604 - 1981
沉头带榫螺栓
Flat Countersunk Nib Bolts
供应商(1)
9 铁路车辆用沉头双榫螺栓 [德标]
DIN 25195 - 2003
铁路车辆用沉头双榫螺栓
Railway Vehicles - Countersunk Bolts with Double Nip with Metric ISO Thread - Class C
10 圆柱沉头带榫螺栓 [德标]
DIN 792 - 1976
圆柱沉头带榫螺栓
Cylindrical Counter Sunk Screws
11 农业机械用,米制螺纹、精制沉头双榫螺栓 [德标]
DIN 11014 - 1968
农业机械用,米制螺纹、精制沉头双榫螺栓
Agricultural Equipment; Countersunk Double-nip Bolts, Sinkings, Metric Thread, Finish
12 沉头带榫螺栓 [Table 2] [日标]
JIS B 1179 (T2) - 1994
沉头带榫螺栓 [Table 2]
Flat Countersunk Nib Bolts [Table 2]
13 沉头带尖榫螺栓4 [美标]
ASME/ANSI B 18.9 - 2007
沉头带尖榫螺栓4
Flat Countersunk Head Nib Bolts
14 沉头带尖榫螺栓6 [美标]
ASME/ANSI B 18.9 - 2007
沉头带尖榫螺栓6
Flat Countersunk Head Nib Bolts
15 沉头带榫螺栓 [美标]
ASME/ANSI B 18.9 - 2007
沉头带榫螺栓
Flat Countersunk Head Nib Bolts
16 C级沉头带榫螺栓 [意大利]
UNI 6105 - 1967
C级沉头带榫螺栓
Flat Countersunk Head Nib Bolts - Grade C
17 米制90°沉头带榫螺栓 [英标]
BS 4933 - 1973
米制90°沉头带榫螺栓
Metric 90°Countersunk Head Nibbed Bolts
18 粗制沉头带榫螺栓Table4 [英标]
BS 325 - 1947
粗制沉头带榫螺栓Table4
Black Countersunk Nibbed Bolts
19 沉头双尖榫螺栓 [台湾]
CNS 4697 - 1982
沉头双尖榫螺栓
Countersunk Bolts with Double Nips
20 沉头双榫螺栓 [台湾]
CNS 4698 - 1982
沉头双榫螺栓
Countersunk Double-Rib Bolts
21 沉头带榫螺栓 [台湾]
CNS 4417 - 1981
沉头带榫螺栓
Countersunk Head Nip Bolts
22 6号沉头带尖榫螺栓(修正头) [Table 4]  (A307, F468, F593, SAE J 429) [美标]
ASME B 18.9 - 2012
6号沉头带尖榫螺栓(修正头) [Table 4] (A307, F468, F593, SAE J 429)
No.6 Repair Head Plow Bolts (Countersunk, Heavy Key) [Table 4] (A307, F468, F593, SAE J 429)
© 易紧通 服务热线:4006-164580(免长途费)