<< 返回

DIN 34805-2 - 2018 内六角花形盘头带介螺钉


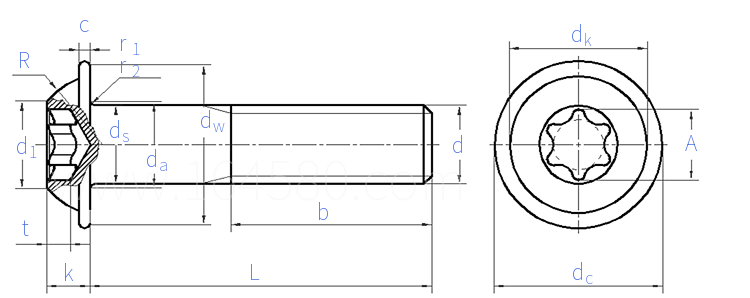
尺寸单位: 毫米(mm)
选择 公称长度L 获得 螺纹长度

滑动查看

  • M3~M5
  • M6~M10
  • M12
  • 螺纹尺寸
    d
    P 螺距
    c 最大值
    最小值
    da 最大值
    dc 最大值
    最小值
    dk 最大值
    最小值
    d1 参考
    ds 最大值
    最小值
    dw 最小值
    k 最大值
    最小值
    R 最大值
    最小值
    r1 最小值
    r2 最小值
    槽号
    A 参考
    t 最小值
    最大值
    螺纹长度b 参考
    L 最小值
    最大值
    M3 M4 M5 M6 M8 M10 M12
    0.5 0.7 0.8 1 1.25 1.5 1.75
    0.7 0.8 1 1.2 1.5 2 2.4
    0.55 0.65 0.8 1 1.25 1.7 2.1
    3.6 4.7 5.7 6.8 9.2 11.2 13.7
    6.9 9.4 11.8 13.6 17.8 21.9 26
    6.32 8.82 11.1 12.9 17.1 21.06 25.16
    5.5 7.4 9.2 10.1 13.6 16.7 20.1
    5.2 7.04 8.84 9.67 13.17 16.27 19.58
    3.5 4.9 5.6 7 9.9 11.2 14.2
    3 4 5 6 8 10 12
    2.86 3.82 4.82 5.82 7.78 9.78 11.73
    5.69 7.94 9.99 11.61 15.3 18.95 22.64
    1.8 2.45 3 3.3 4.5 5.5 6.6
    1.6 2.25 2.7 3 4.2 5.2 6.24
    3.5 4.6 5.6 6.2 7.6 10.1 11.8
    2.5 3.4 4.4 5 6.2 8.5 10
    0.1 0.2 0.2 0.25 0.4 0.4 0.6
    0.3 0.4 0.45 0.5 0.7 0.7 1.1
    10 20 25 30 45 50 55
    2.8 3.95 4.5 5.6 7.93 8.95 11.35
    0.8 1.24 1.32 1.48 2.15 2.65 3.35
    0.93 1.53 1.61 1.78 2.54 3.05 3.8
    - - - - - - -
    - - - - - - -
    - - - - - - -
    供应商
    告诉我在“易紧通”看到,将给您优惠
  • 新德欣不锈钢(浙江)股份有限公司
  • 联系人: 陈总/施总
    手机: 13967330234 13017773883
    QQ: 点击这里给我发消息514039217
    email: 514039217@qq.com admin@hydxhardware.com
    材质:不锈钢304、316;规格:M4-M16;公称长度:6-150mm

    我也能供货
    类似产品及供货信息
    内六角花形盘头螺钉

    GB /T 2672 - 2017

    内六角花形盘头螺钉
    供应商 (10)

    内六角花形盘头螺钉

    GB /T 2672 - 1986

    内六角花形盘头螺钉
    供应商 (10)

    粗牙梅花槽盘头细杆螺钉

    DIN 6929 (PE) - 2013

    粗牙梅花槽盘头细杆螺钉

    梅花槽盘头螺钉

    ISO 14583 - 2011

    梅花槽盘头螺钉
    供应商 (7)

    梅花槽盘头螺钉

    ISO 14583 - 2001

    梅花槽盘头螺钉
    供应商 (7)

    梅花槽盘头螺钉

    JIS B 1107 - 2018

    梅花槽盘头螺钉

    梅花槽盘头螺钉

    JIS B 1107 - 2004

    梅花槽盘头螺钉

    内六角花形盘头螺钉

    Q 215

    内六角花形盘头螺钉
    供应商 (1)

    内六角花形盘头螺钉

    Q 215B

    内六角花形盘头螺钉
    供应商 (1)

    梅花带针槽防盗盘头螺钉 14583

    YJT 4030

    梅花带针槽防盗盘头螺钉 14583
    供应商 (1)

    梅花槽盘头螺钉

    DIN EN ISO 14583 - 2011

    梅花槽盘头螺钉

    内六角花形盘头螺钉

    QC /T 855 - 2011

    内六角花形盘头螺钉

    梅花槽盘头螺钉 [TABLE 2.2.5-3 VI]

    ASME B 18.6.3 (H5C-VI) - 2024

    梅花槽盘头螺钉 [TABLE 2.2.5-3 VI]

    梅花槽盘头螺钉

    ASME B 18.6.3 (T19-VI) - 2013

    梅花槽盘头螺钉

    梅花槽盘头螺钉

    JASO F 116 - 2005

    梅花槽盘头螺钉

    梅花槽盘头带垫螺钉

    JASO F 116 - 2005

    梅花槽盘头带垫螺钉

    按电脑端显示

    长按二维码,关注易紧通微信公众号

    首页

    产品与标准

    材料查询

    展会