<< Back

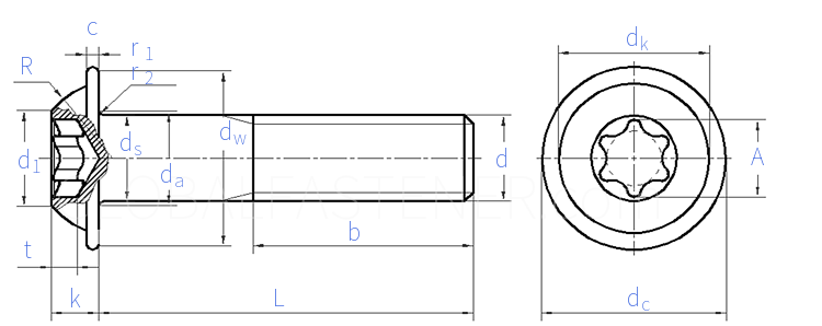
DIN 34805-2 - 2018 Button Head Screws - Screws with Collar and Driving Feature Hexalobular Socket


Unit: 毫米(mm)
L
Thread Size
d
M3 M4 M5
P Pitch
c max
min
da max
dc max
min
dk max
min
d1 Ref.
ds max
min
dw min
k max
min
R max
min
r1 min
r2 min
Socket No.
A Ref.
t min
max
0.5 0.7 0.8
0.7 0.8 1
0.55 0.65 0.8
3.6 4.7 5.7
6.9 9.4 11.8
6.32 8.82 11.1
5.5 7.4 9.2
5.2 7.04 8.84
3.5 4.9 5.6
3 4 5
2.86 3.82 4.82
5.69 7.94 9.99
1.8 2.45 3
1.6 2.25 2.7
3.5 4.6 5.6
2.5 3.4 4.4
0.1 0.2 0.2
0.3 0.4 0.45
10 20 25
2.8 3.95 4.5
0.8 1.24 1.32
0.93 1.53 1.61
Thread Length
b
Ref.
- - -

I want to purchase I can supply
Similar Products & Suppliers
Hexalobular Socket Pan Head Screws

GB /T 2672 - 2017

Hexalobular Socket Pan Head Screws
Suppliers(1)

Hexagon Lobular Socket Pan Head Screws

GB /T 2672 - 1986

Hexagon Lobular Socket Pan Head Screws
Suppliers(1)

Hexalobular Socket Pan Head Screws

DIN 6929 (PE) - 2013

Hexalobular Socket Pan Head Screws

Hexalobular Socket Pan Head Screws

ISO 14583 - 2011

Hexalobular Socket Pan Head Screws
Suppliers(3)

Hexalobular Socket Pan Head Screws

ISO 14583 - 2001

Hexalobular Socket Pan Head Screws
Suppliers(3)

Hexalobular Socket Pan Head Screws

JIS B 1107 - 2018

Hexalobular Socket Pan Head Screws

Hexalobular Socket Pan Head Screws

JIS B 1107 - 2004

Hexalobular Socket Pan Head Screws

Hexalobular Socket Pan Head Screws

Q 215

Hexalobular Socket Pan Head Screws

Hexalobular Socket Pan Head Screws

Q 215B

Hexalobular Socket Pan Head Screws

YJT 4030

Hexalobular Socket Pan Head Screws

DIN EN ISO 14583 - 2011

Hexalobular Socket Pan Head Screws

Hexalobular Socket Pan Head Screws

QC /T 855 - 2011

Hexalobular Socket Pan Head Screws

Hexalobular Socket Pan Head Screws [TABLE 2.2.5-3 VI]

ASME B 18.6.3 (H5C-VI) - 2024

Hexalobular Socket Pan Head Screws [TABLE 2.2.5-3 VI]

Hexalobular Socket Pan Head Screws

ASME B 18.6.3 (T19-VI) - 2013

Hexalobular Socket Pan Head Screws

T-type TORX Pan Head Machine Screws

JASO F 116 - 2005

T-type TORX Pan Head Machine Screws

T-type TORX Pan Head wiht Collar Machine Screws

JASO F 116 - 2005

T-type TORX Pan Head wiht Collar Machine Screws

按电脑端显示

长按二维码,关注易紧通微信公众号

Home

Products & Standards

Material Search

Tradeshows