<< 返回

CNS 4359 - 1980 开槽小圆柱头全柱端螺钉


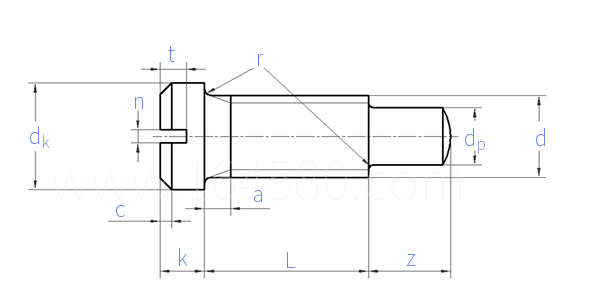
尺寸单位: 毫米(mm)
重量计算

滑动查看

  • M1.4~M1.8
  • M2~M3
  • M3.5~M5
  • M6~M10
  • 螺纹规格
    d
    dk
    dp 最大值
    最小值
    c
    k
    n
    r
    t 最大值
    最小值
    M1.4 M1.6 (M1.8) M2 M2.5 M3 (M3.5) M4 M5 M6 M8 M10
    2 2.3 2.5 2.8 3.5 4 4.5 5.5 6.5 8 10 13
    0.8 0.8 1 1.2 1.5 2 2.5 2.8 3.5 4.5 6 7.5
    0.775 0.775 0.975 1.175 1.475 1.975 2.475 2.775 3.47 4.47 5.97 7.464
    0.25 0.25 0.25 0.3 0.4 0.45 0.5 0.6 0.7 0.8 0.9 1.1
    0.9 1 1.1 1.2 1.5 1.8 2 2.4 2.7 3.1 3.8 4.6
    0.25 0.3 0.3 0.3 0.4 0.5 0.5 0.6 0.8 1 1.2 1.6
    0.1 0.1 0.1 0.1 0.1 0.1 0.1 0.2 0.2 0.25 0.4 0.4
    0.6 0.7 0.75 0.8 0.95 1.15 1.3 1.5 1.6 1.9 2.4 2.8
    0.45 0.5 0.55 0.6 0.75 0.9 1 1.2 1.3 1.5 1.9 2.3
    ①,a 按 CNS  4324。

    我要采购 我能供货
    类似产品及供货信息
    机床夹具零件及部件 六角头压紧螺钉

    GB /T 2161 - 1991

    机床夹具零件及部件 六角头压紧螺钉

    开槽盘头定位螺钉

    GB /T 828 - 1988

    开槽盘头定位螺钉

    小六角头短圆柱截锥端紧定螺钉

    DIN 564 - 1995

    小六角头短圆柱截锥端紧定螺钉
    供应商 (1)

    开槽小盘头圆柱端螺钉

    DIN 922 - 2024

    开槽小盘头圆柱端螺钉

    开槽小盘头圆柱端螺钉

    DIN 922 - 2012

    开槽小盘头圆柱端螺钉

    开槽沉头长圆柱端螺钉

    DIN 925 - 2012

    开槽沉头长圆柱端螺钉

    开槽小盘头圆柱端螺钉

    DIN 922 - 2006

    开槽小盘头圆柱端螺钉

    开槽沉头长圆柱端螺钉

    DIN 925 - 2006

    开槽沉头长圆柱端螺钉

    六角头圆柱端紧定螺钉

    DIN 561 - 1995

    六角头圆柱端紧定螺钉

    开槽圆头球面圆柱端螺钉

    DIN 922 - 1986

    开槽圆头球面圆柱端螺钉

    开槽半沉头柱端螺钉

    DIN 924 - 1986

    开槽半沉头柱端螺钉

    开槽沉头长圆柱端螺钉

    DIN 925 - 1986

    开槽沉头长圆柱端螺钉

    六角头压紧螺钉

    JB /T 8006.2 - 1999

    六角头压紧螺钉

    六角头圆柱锥端紧定螺钉

    CNS 4655 - 1984

    六角头圆柱锥端紧定螺钉

    六角头圆柱端紧定螺钉 CNS 4654-1983

    CNS 4654 - 1983

    六角头圆柱端紧定螺钉 CNS 4654-1983

    开槽沉头圆柱端螺钉

    CNS 4412 - 1981

    开槽沉头圆柱端螺钉

    开槽半沉头圆柱端螺钉

    CNS 4415 - 1981

    开槽半沉头圆柱端螺钉

    首页

    产品与标准

    材料查询

    展会