<< 返回

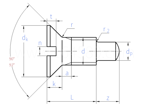
CNS 4412 - 1981 开槽沉头圆柱端螺钉


尺寸单位: 毫米(mm)
重量计算

滑动查看

  • M1.4~M1.8
  • M2~M3
  • 螺纹尺寸
    d
    dk
    dp 最大值=公称
    最小值
    k 最大值
    n
    t 最大值
    最小值
    M1.4 M1.6 (M1.8) M2 M2.5 M3
    2.6 3 3.4 3.8 4.7 5.6
    0.8 0.8 1 1.2 1.5 2
    0.775 0.775 0.975 1.175 1.475 1.975
    0.84 0.96 1.08 1.2 1.5 1.65
    0.3 0.4 0.4 0.5 0.6 0.8
    0.4 0.45 0.5 0.6 0.7 0.85
    0.28 0.32 0.35 0.4 0.5 0.6

    我要采购 我能供货
    类似产品及供货信息
    机床夹具零件及部件 六角头压紧螺钉

    GB /T 2161 - 1991

    机床夹具零件及部件 六角头压紧螺钉

    开槽盘头定位螺钉

    GB /T 828 - 1988

    开槽盘头定位螺钉

    小六角头短圆柱截锥端紧定螺钉

    DIN 564 - 1995

    小六角头短圆柱截锥端紧定螺钉
    供应商 (1)

    开槽小盘头圆柱端螺钉

    DIN 922 - 2024

    开槽小盘头圆柱端螺钉

    开槽小盘头圆柱端螺钉

    DIN 922 - 2012

    开槽小盘头圆柱端螺钉

    开槽沉头长圆柱端螺钉

    DIN 925 - 2012

    开槽沉头长圆柱端螺钉

    开槽小盘头圆柱端螺钉

    DIN 922 - 2006

    开槽小盘头圆柱端螺钉

    开槽沉头长圆柱端螺钉

    DIN 925 - 2006

    开槽沉头长圆柱端螺钉

    六角头圆柱端紧定螺钉

    DIN 561 - 1995

    六角头圆柱端紧定螺钉

    开槽圆头球面圆柱端螺钉

    DIN 922 - 1986

    开槽圆头球面圆柱端螺钉

    开槽半沉头柱端螺钉

    DIN 924 - 1986

    开槽半沉头柱端螺钉

    开槽沉头长圆柱端螺钉

    DIN 925 - 1986

    开槽沉头长圆柱端螺钉

    六角头压紧螺钉

    JB /T 8006.2 - 1999

    六角头压紧螺钉

    六角头圆柱锥端紧定螺钉

    CNS 4655 - 1984

    六角头圆柱锥端紧定螺钉

    六角头圆柱端紧定螺钉 CNS 4654-1983

    CNS 4654 - 1983

    六角头圆柱端紧定螺钉 CNS 4654-1983

    开槽半沉头圆柱端螺钉

    CNS 4415 - 1981

    开槽半沉头圆柱端螺钉

    开槽小圆柱头全柱端螺钉

    CNS 4359 - 1980

    开槽小圆柱头全柱端螺钉

    首页

    产品与标准

    材料查询

    展会