index
logo

沉头带榫螺栓 GB /T 11 - 1988

查看供应商

选择规格尺寸 点击↓

M6

M8

M10

M12

(M14)

M16

M20

(M22)

M24

括号内尺寸为非优选
GB /T 11 - 1988 沉头带榫螺栓

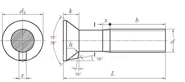
尺寸单位: mm
国标GB /T11 - 1988 GB11 11GB 沉头带榫螺栓
GB /T 11 - 1988 沉头带榫螺栓
扫一扫分享
千件重及价格计算 千件重 : kg x 元/kg = 元/千件
默认密度 g/cm3
公称长度L 注:选择后获得 相应重量 螺纹长度
螺纹尺寸
d
M6 M8 M10 M12 (M14) M16 M20 (M22) M24
P 螺距
b L≤125
125<L≤200
dk 最大值
最小值
s 最大值
最小值
h 最大值
最小值
k
x 最大值
1.00 1.25 1.50 1.75 2.00 2.00 2.50 2.50 3.00
18 22 26 30 34 38 46 50 54
/ 28 32 36 40 44 52 56 60
11.05 14.55 17.55 21.65 24.65 28.65 36.80 40.80 45.80
9.95 13.45 16.45 20.35 23.35 27.35 35.20 39.20 44.20
2.70 2.70 3.80 3.80 4.30 4.80 4.80 6.30 6.30
2.30 2.30 3.20 3.20 3.70 4.20 4.20 5.70 5.70
1.2 1.6 2.1 2.4 2.9 3.3 4.2 4.5 5
0.8 1.1 1.4 1.6 1.9 2.2 2.8 3 3.3
4.10 5.30 6.20 8.50 8.90 10.20 13.00 14.30 16.50
2.5 3.2 3.8 4.2 5 5 6.3 6.3 7.5
千件钢制重≈kg
- - - - - - - - -
螺纹长度b
- - - - - - - - -
①,末端按GB2规定;无螺纹部分杆径约等于螺纹中径或等于螺纹大径。
替代列表

技术条件和引用标准

材料
螺纹 公差
标准
机械性能 等级
标准
公差 产品等级
标准
表面处理
验收及包装
8 g
GB 196 、GB 197
3.6、4.6 、4.8
GB 3098.1
C级(除规定外)
GB 3103.1
① 不经处理;② 镀锌钝化 GB 5267
GB 90
注:技术数据仅供参考,请以官方原件为准!
告诉我在“易紧通”看到,将给您优惠
联系人:郭经理   移动电话: 17631314225     微信号:17631314225
材质:235、355、35#、45#、40Cr、35CrMoA、42CrMoA等;规格:直径φ16-220mm、长度100-8000mm等。
联系人:刘经理 点击这里给我发消息1218439005   移动电话: 13587697302     电话:13587697302
材质:中碳、40Cr、A3、35Crmo;规格范围:M6-M24;表面处理:本色、电镀、发黑
类似标准及供货信息
1 沉头带榫螺栓 [国标]
GB /T 11 - 2013
沉头带榫螺栓
Countersunk Head Nib Bolts
供应商(2)
2 沉头带榫螺栓 [国标]
GB 11 - 1976
沉头带榫螺栓
Countersunk Head Nib Bolts
供应商(2)
3 沉头双榫螺栓 [国标]
GB /T 800 - 2020
沉头双榫螺栓
Countersunk Head Double Nib Bolts
4 沉头双榫螺栓 [国标]
GB /T 800 - 1988
沉头双榫螺栓
Countersunk Head Bolts with Double Nibs
5 沉头带榫螺栓 [德标]
DIN 604 - 2017
沉头带榫螺栓
Flat Countersunk Head Nib Bolts
供应商(1)
6 沉头带榫螺栓 [德标]
DIN 604 - 2010
沉头带榫螺栓
Flat Countersunk Head Nib Bolts
供应商(1)
7 沉头带榫螺栓 [德标]
DIN 604 - 1981
沉头带榫螺栓
Flat Countersunk Nib Bolts
供应商(1)
8 铁路车辆用沉头双榫螺栓 [德标]
DIN 25195 - 2003
铁路车辆用沉头双榫螺栓
Railway Vehicles - Countersunk Bolts with Double Nip with Metric ISO Thread - Class C
9 圆柱沉头带榫螺栓 [德标]
DIN 792 - 1976
圆柱沉头带榫螺栓
Cylindrical Counter Sunk Screws
10 农业机械用,米制螺纹、精制沉头双榫螺栓 [德标]
DIN 11014 - 1968
农业机械用,米制螺纹、精制沉头双榫螺栓
Agricultural Equipment; Countersunk Double-nip Bolts, Sinkings, Metric Thread, Finish
11 沉头带榫螺栓 [Table 2] [日标]
JIS B 1179 (T2) - 1994
沉头带榫螺栓 [Table 2]
Flat Countersunk Nib Bolts [Table 2]
12 沉头带尖榫螺栓4 [美标]
ASME/ANSI B 18.9 - 2007
沉头带尖榫螺栓4
Flat Countersunk Head Nib Bolts
13 沉头带尖榫螺栓6 [美标]
ASME/ANSI B 18.9 - 2007
沉头带尖榫螺栓6
Flat Countersunk Head Nib Bolts
14 沉头带榫螺栓 [美标]
ASME/ANSI B 18.9 - 2007
沉头带榫螺栓
Flat Countersunk Head Nib Bolts
15 C级沉头带榫螺栓 [意大利]
UNI 6105 - 1967
C级沉头带榫螺栓
Flat Countersunk Head Nib Bolts - Grade C
16 米制90°沉头带榫螺栓 [英标]
BS 4933 - 1973
米制90°沉头带榫螺栓
Metric 90°Countersunk Head Nibbed Bolts
17 粗制沉头带榫螺栓Table4 [英标]
BS 325 - 1947
粗制沉头带榫螺栓Table4
Black Countersunk Nibbed Bolts
18 沉头双尖榫螺栓 [台湾]
CNS 4697 - 1982
沉头双尖榫螺栓
Countersunk Bolts with Double Nips
19 沉头双榫螺栓 [台湾]
CNS 4698 - 1982
沉头双榫螺栓
Countersunk Double-Rib Bolts
20 沉头带榫螺栓 [台湾]
CNS 4417 - 1981
沉头带榫螺栓
Countersunk Head Nip Bolts
21 7号沉头带榫螺栓 [Table 2] (A307, F468, F593, SAE J 429) [美标]
ASME B 18.9 - 2012
7号沉头带榫螺栓 [Table 2] (A307, F468, F593, SAE J 429)
No.7 Head Plow Bolts (Round, Countersunk, Reverse Key) [Table 2] (A307, F468, F593, SAE J 429)
22 6号沉头带尖榫螺栓(修正头) [Table 4]  (A307, F468, F593, SAE J 429) [美标]
ASME B 18.9 - 2012
6号沉头带尖榫螺栓(修正头) [Table 4] (A307, F468, F593, SAE J 429)
No.6 Repair Head Plow Bolts (Countersunk, Heavy Key) [Table 4] (A307, F468, F593, SAE J 429)
© 易紧通 服务热线:4006-164580(免长途费)