index
logo

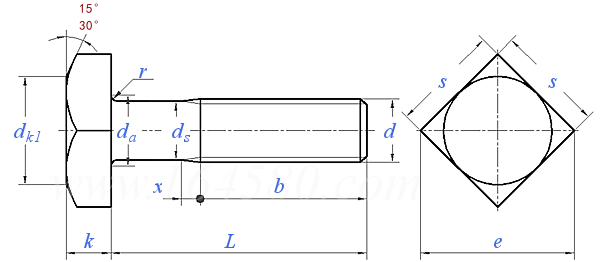
米制四方头螺栓 ASME B 18.2.3.10M - 1996

选择规格尺寸 点击↓

M6

M8

M10

M12

M16

M20

M24

M30

ASME B 18.2.3.10M - 1996 米制四方头螺栓

尺寸单位: mm
美标ASME B18.2.3.10M - 1996 ASME18.2.3.10M 米制四方头螺栓
ASME B 18.2.3.10M - 1996 米制四方头螺栓
扫一扫分享
公称长度L 注:选择后获得 螺纹长度
螺纹尺寸
d
M6 M8 M10 M12 M16 M20 M24 M30
P 螺距
da 最大值
dk1 最大值
最小值
ds 最大值
最小值
e 最大值
最小值
k 最大值
最小值
r 最小值
s 最大值
最小值
b L≤125
125<L≤200
L>200
1 1.25 1.5 1.75 2 2.5 3 3.5
7.2 10.2 12.2 14.7 18.7 24.4 28.4 35.4
10 13 16 18 24 30 36 46
8.5 11 13.6 15.3 20.4 25.5 30.6 39.1
6.48 8.58 10.58 12.7 16.7 20.84 24.84 30.84
5.52 7.42 9.42 11.3 15.3 19.16 23.16 29.16
14.14 18.38 22.62 25.45 33.94 42.42 50.91 65.05
12.53 16.34 20.24 22.84 30.11 37.91 45.5 59.8
4.38 5.68 6.85 7.95 10.75 13.4 15.9 19.75
3.62 4.92 5.95 7.05 9.25 11.6 14.1 17.65
0.25 0.4 0.4 0.6 0.6 0.8 0.8 1
10 13 16 18 24 30 36 46
9.64 12.57 15.57 17.57 23.16 29.16 35 45
18 22 26 30 38 46 54 66
24 28 32 36 44 52 60 72
37 41 45 49 57 65 73 85
螺纹长度b
- - - - - - - -
替代列表
暂无
等效标准
国标 GB 国际 ISO 德标 DIN 美标 ASME/ANSI 印标 IS 澳标 AS
GB /T 5781
ISO 4018
DIN EN ISO 4018
ANSI/ASME B 18.2.3.10M
IS 1363-2
AS 1111.2
以上有部分标准可能为近似等效,如有异议以标准原件为准
注:技术数据仅供参考,请以官方原件为准!
类似标准及供货信息
1 方头螺栓 C级 [国标]
GB /T 8 - 2021
方头螺栓 C级
Square Head Bolts - Product Grade C
供应商(5)
2 方头螺栓 C级 [国标]
GB 8 - 1988
方头螺栓 C级
Square Head Bolts - Product Grade C
供应商(5)
3 方头螺栓 C级 (粗制) [国标]
GB 8 - 1976
方头螺栓 C级 (粗制)
Square Head Bolts - Product Grade C (Black)
供应商(5)
4 小方头螺栓 [国标]
GB /T 35 - 2013
小方头螺栓
Square Head Bolts with Small Head
供应商(3)
5 小方头螺栓 [国标]
GB /T 35 - 1988
小方头螺栓
Small Square Head Bolts
供应商(3)
6 木轴导向用方头螺栓 [德标]
DIN 21346 - 1989
木轴导向用方头螺栓
Square Head Bolts for Shaft Guides
7 鱼尾板用四方螺栓 [日标]
JIS E 1107 - 2008
鱼尾板用四方螺栓
Fish Plate Bolt Square Head
8 方头螺栓(精制) [Table 1-1] [日标]
JIS B 1182 (T1-1) - 1995
方头螺栓(精制) [Table 1-1]
Thin Square Head Bolts [Table 1-1]
9 方头螺栓(中等精度) [Table 1-2] [日标]
JIS B 1182 (T1-2) - 1995
方头螺栓(中等精度) [Table 1-2]
Square Head Bolts [Table 1-2]
10 方头螺栓(粗制) [Table 1-3] [日标]
JIS B 1182 (T1-3) - 1995
方头螺栓(粗制) [Table 1-3]
Square Head Bolts [Table 1-3]
11 大方头螺栓(粗制) [Table 2] [日标]
JIS B 1182 (T2) - 1995
大方头螺栓(粗制) [Table 2]
Large Square Head Bolts [Table 2]
12 小方头螺栓 [汽标代号]
Q 194B
小方头螺栓
Small Square Head Bolts
13 方头螺栓 [Table 1] [美标]
ASME/ANSI B 18.2.1 (T1) - 1996
方头螺栓 [Table 1]
Square Bolts [Table 1]
供应商(1)
14 带方螺母的宽方头螺栓和螺钉 米制螺纹 C级 [意大利]
UNI 5729 - 1965
带方螺母的宽方头螺栓和螺钉 米制螺纹 C级
Large Square Head Bolts and Bolts with Square Nut - Metric Coarse Thread - Finish C
15 方头螺栓 A级 B级 [法国]
NF E 25-116 - 1983
方头螺栓 A级 B级
Square Head Screws - Product Grades A and B
16 方头螺栓  A级 B级 [法国]
NF E 25-117 - 1983
方头螺栓 A级 B级
Square Head Screws - Product Grades A and B
17 方头螺栓 C级 [法国]
NF E 25-118 - 1983
方头螺栓 C级
Square Head screws - Product grade C
18 英制方头全螺纹螺钉 粗制 - 镦锻 [Table 1] [英标]
BS 916 - 1953
英制方头全螺纹螺钉 粗制 - 镦锻 [Table 1]
Spuare Head Screws with B.S.Threads [Table 1]
19 英制薄方头全螺纹螺钉 - 粗制 - 车削支承面  [Table 2] [英标]
BS 916 - 1953
英制薄方头全螺纹螺钉 - 粗制 - 车削支承面 [Table 2]
Square Head Screws Faced Under Head with B.S.Threads - Black [Table 2]
20 英制方头螺栓 - 粗制 - 车削支承面或车削支承面和光杆 [Table 2] [英标]
BS 916 - 1953
英制方头螺栓 - 粗制 - 车削支承面或车削支承面和光杆 [Table 2]
Square Bolts Faced Under Head, and Faced Under Head and Turned on Shank with B.S.Threads - Black [Table 2]
21 英制方头螺栓 - 粗制 - 镦锻 [Table 1] [英标]
BS 916 - 1953
英制方头螺栓 - 粗制 - 镦锻 [Table 1]
Square Head Bolt with B.S.Threads [Table 1]
22 木导板用方头螺栓 [台湾]
CNS 4699 - 1982
木导板用方头螺栓
Square Head Bolts for Wooden Guide Plates
23 精制方头螺栓 [台湾]
CNS 3134 - 1981
精制方头螺栓
Square Head Bolts (Finished)
24 次精制方头螺栓 [台湾]
CNS 3135 - 1981
次精制方头螺栓
Square Head Bolts (Semi-Finished)
25 一般用方头螺栓 [台湾]
CNS 3136 - 1981
一般用方头螺栓
Square Head Bolts (Regular)
26 大方头螺栓(一般用) [台湾]
CNS 3137 - 1981
大方头螺栓(一般用)
Large Square Head Bolts (Regular)
27 方头螺栓 - 1型 - 半沉头 [俄标]
GOST 21249 (-1) - 1996
方头螺栓 - 1型 - 半沉头
Blunt Bolts for General Purpose - Basic Parameters and Dimensions
28 方头螺栓 - 2型 - 沉头 [俄标]
GOST 21249 (-2) - 1996
方头螺栓 - 2型 - 沉头
Blunt Bolts for General Purpose - Basic Parameters and Dimensions
29 四方斜头螺栓 [Table 4] (ASTM A307 / A354 / A394) [美标]
ASME B 18.2.1 (T4) - 2012
四方斜头螺栓 [Table 4] (ASTM A307 / A354 / A394)
Askew Head Bolts [Table 4] (ASTM A307 / A354 / A394)
供应商(1)
30 方头螺栓 [Table 1] (ASTM A307 / A354 / A394) [美标]
ASME B 18.2.1 (T1) - 2012
方头螺栓 [Table 1] (ASTM A307 / A354 / A394)
Square Head Bolts [Table 1] (ASTM A307 / A354 / A394)
供应商(1)
31 方头螺栓 [Table 1] [美标]
ASME B 18.2.1 (T1) - 2010
方头螺栓 [Table 1]
Square Head Bolts [Table 1]
供应商(1)
32 四方斜头螺栓 [Table 4] [美标]
ASME B 18.2.1 (T4) - 2010
四方斜头螺栓 [Table 4]
Askew Head Bolts [Table 4]
供应商(1)
© 易紧通 服务热线:4006-164580(免长途费)