index
logo

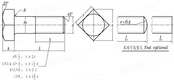
英制方头螺栓 - 粗制 - 镦锻 [Table 1] BS 916 - 1953

选择规格尺寸 点击↓

1/4

5/16

3/8

7/16

1/2

9/16

5/8

3/4

7/8

1

1-1/8

1-1/4

(1-3/8)

1-1/2

(1-5/8)

1-3/4

2

括号内尺寸为非优选
BS  916 - 1953 英制方头螺栓 - 粗制 - 镦锻 [Table 1]

尺寸单位: inch
英标BS 916 - 1953 BS916 916BS 英制方头螺栓 - 粗制 - 镦锻 [Table 1]
BS  916 - 1953 英制方头螺栓 - 粗制 - 镦锻 [Table 1]
扫一扫分享
螺纹尺寸
d
1/4 5/16 3/8 7/16 1/2 9/16 5/8 3/4 7/8
PP 牙数/英寸 BSW
ds 最大值
s 最大值
最小值
e 最大值
R 最大值
k 最大值
最小值
20 18 16 14 12 12 11 10 9
0.280 0.342 0.405 0.468 0.530 0.592 0.665 0.790 0.915
0.445 0.525 0.600 0.710 0.820 0.920 1.010 1.200 1.300
0.435 0.515 0.585 0.695 0.800 0.900 0.985 1.175 1.270
0.63 0.74 0.85 1.00 1.16 1.30 1.43 1.70 1.84
1/32 1/32 1/32 1/32 1/32 3/64 3/64 3/64 1/16
0.186 0.228 0.270 0.312 0.363 0.405 0.447 0.530 0.623
0.166 0.208 0.250 0.292 0.333 0.375 0.417 0.500 0.583
螺纹尺寸
d
1 1-1/8 1-1/4 (1-3/8) 1-1/2 (1-5/8) 1-3/4 2
PP 牙数/英寸 BSW
ds 最大值
s 最大值
最小值
e 最大值
R 最大值
k 最大值
最小值
8 7 7 6 6 5 5 4.5
1.040 1.175 1.300 1.425 1.550 1.685 1.810 2.060
1.480 1.670 1.860 2.050 2.220 2.410 2.580 2.760
1.450 1.640 1.815 2.005 2.175 2.365 2.520 2.700
2.09 2.36 2.63 2.90 3.14 3.41 3.65 3.90
1/16 1/8 1/8 1/8 1/8 1/8 1/8 1/8
0.706 0.79 0.89 0.98 1.06 1.18 1.27 1.43
0.666 0.75 0.83 0.92 1.00 1.08 1.17 1.33
替代列表
注:技术数据仅供参考,请以官方原件为准!
类似标准及供货信息
1 方头螺栓 C级 [国标]
GB /T 8 - 2021
方头螺栓 C级
Square Head Bolts - Product Grade C
供应商(5)
2 方头螺栓 C级 [国标]
GB 8 - 1988
方头螺栓 C级
Square Head Bolts - Product Grade C
供应商(5)
3 方头螺栓 C级 (粗制) [国标]
GB 8 - 1976
方头螺栓 C级 (粗制)
Square Head Bolts - Product Grade C (Black)
供应商(5)
4 小方头螺栓 [国标]
GB /T 35 - 2013
小方头螺栓
Square Head Bolts with Small Head
供应商(3)
5 小方头螺栓 [国标]
GB /T 35 - 1988
小方头螺栓
Small Square Head Bolts
供应商(3)
6 木轴导向用方头螺栓 [德标]
DIN 21346 - 1989
木轴导向用方头螺栓
Square Head Bolts for Shaft Guides
7 鱼尾板用四方螺栓 [日标]
JIS E 1107 - 2008
鱼尾板用四方螺栓
Fish Plate Bolt Square Head
8 方头螺栓(精制) [Table 1-1] [日标]
JIS B 1182 (T1-1) - 1995
方头螺栓(精制) [Table 1-1]
Thin Square Head Bolts [Table 1-1]
9 方头螺栓(中等精度) [Table 1-2] [日标]
JIS B 1182 (T1-2) - 1995
方头螺栓(中等精度) [Table 1-2]
Square Head Bolts [Table 1-2]
10 方头螺栓(粗制) [Table 1-3] [日标]
JIS B 1182 (T1-3) - 1995
方头螺栓(粗制) [Table 1-3]
Square Head Bolts [Table 1-3]
11 大方头螺栓(粗制) [Table 2] [日标]
JIS B 1182 (T2) - 1995
大方头螺栓(粗制) [Table 2]
Large Square Head Bolts [Table 2]
12 小方头螺栓 [汽标代号]
Q 194B
小方头螺栓
Small Square Head Bolts
13 方头螺栓 [Table 1] [美标]
ASME/ANSI B 18.2.1 (T1) - 1996
方头螺栓 [Table 1]
Square Bolts [Table 1]
供应商(1)
14 带方螺母的宽方头螺栓和螺钉 米制螺纹 C级 [意大利]
UNI 5729 - 1965
带方螺母的宽方头螺栓和螺钉 米制螺纹 C级
Large Square Head Bolts and Bolts with Square Nut - Metric Coarse Thread - Finish C
15 方头螺栓 A级 B级 [法国]
NF E 25-116 - 1983
方头螺栓 A级 B级
Square Head Screws - Product Grades A and B
16 方头螺栓  A级 B级 [法国]
NF E 25-117 - 1983
方头螺栓 A级 B级
Square Head Screws - Product Grades A and B
17 方头螺栓 C级 [法国]
NF E 25-118 - 1983
方头螺栓 C级
Square Head screws - Product grade C
18 英制方头全螺纹螺钉 粗制 - 镦锻 [Table 1] [英标]
BS 916 - 1953
英制方头全螺纹螺钉 粗制 - 镦锻 [Table 1]
Spuare Head Screws with B.S.Threads [Table 1]
19 英制薄方头全螺纹螺钉 - 粗制 - 车削支承面  [Table 2] [英标]
BS 916 - 1953
英制薄方头全螺纹螺钉 - 粗制 - 车削支承面 [Table 2]
Square Head Screws Faced Under Head with B.S.Threads - Black [Table 2]
20 英制方头螺栓 - 粗制 - 车削支承面或车削支承面和光杆 [Table 2] [英标]
BS 916 - 1953
英制方头螺栓 - 粗制 - 车削支承面或车削支承面和光杆 [Table 2]
Square Bolts Faced Under Head, and Faced Under Head and Turned on Shank with B.S.Threads - Black [Table 2]
21 木导板用方头螺栓 [台湾]
CNS 4699 - 1982
木导板用方头螺栓
Square Head Bolts for Wooden Guide Plates
22 精制方头螺栓 [台湾]
CNS 3134 - 1981
精制方头螺栓
Square Head Bolts (Finished)
23 次精制方头螺栓 [台湾]
CNS 3135 - 1981
次精制方头螺栓
Square Head Bolts (Semi-Finished)
24 一般用方头螺栓 [台湾]
CNS 3136 - 1981
一般用方头螺栓
Square Head Bolts (Regular)
25 大方头螺栓(一般用) [台湾]
CNS 3137 - 1981
大方头螺栓(一般用)
Large Square Head Bolts (Regular)
26 方头螺栓 - 1型 - 半沉头 [俄标]
GOST 21249 (-1) - 1996
方头螺栓 - 1型 - 半沉头
Blunt Bolts for General Purpose - Basic Parameters and Dimensions
27 方头螺栓 - 2型 - 沉头 [俄标]
GOST 21249 (-2) - 1996
方头螺栓 - 2型 - 沉头
Blunt Bolts for General Purpose - Basic Parameters and Dimensions
28 四方斜头螺栓 [Table 4] (ASTM A307 / A354 / A394) [美标]
ASME B 18.2.1 (T4) - 2012
四方斜头螺栓 [Table 4] (ASTM A307 / A354 / A394)
Askew Head Bolts [Table 4] (ASTM A307 / A354 / A394)
供应商(1)
29 方头螺栓 [Table 1] (ASTM A307 / A354 / A394) [美标]
ASME B 18.2.1 (T1) - 2012
方头螺栓 [Table 1] (ASTM A307 / A354 / A394)
Square Head Bolts [Table 1] (ASTM A307 / A354 / A394)
供应商(1)
30 方头螺栓 [Table 1] [美标]
ASME B 18.2.1 (T1) - 2010
方头螺栓 [Table 1]
Square Head Bolts [Table 1]
供应商(1)
31 四方斜头螺栓 [Table 4] [美标]
ASME B 18.2.1 (T4) - 2010
四方斜头螺栓 [Table 4]
Askew Head Bolts [Table 4]
供应商(1)
32 米制四方头螺栓 [美标]
ASME B 18.2.3.10M - 1996
米制四方头螺栓
Metric Square Head Bolts
© 易紧通 服务热线:4006-164580(免长途费)