index
logo

平圆头灯笼铆螺母 YJT 8022

查看供应商 YJT标准体系

选择规格尺寸 点击↓

M4

M4

M5

M5

M6

M6

同规格,其他部分尺寸不同
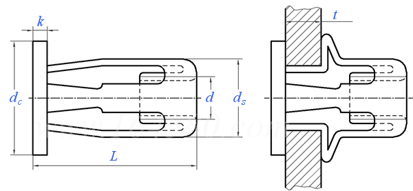
YJT  8022 平圆头灯笼铆螺母

尺寸单位: mm
标准YJT 8022 YJT8022 8022YJT 平圆头灯笼铆螺母
YJT  8022 平圆头灯笼铆螺母
扫一扫分享
螺纹尺寸
d
M4 M4 M5 M5 M6 M6
L
ds
dc
k
钻孔直径
t
16.5 22.9 17.9 23.5 18.2 23
7.8 7.8 9.6 9.6 11.1 11.1
11.9 12.2 13.5 13.9 15.9 15.9
1.9 1.9 1.9 1.9 1.9 1.9
8.4 8.4 10.1 10.1 11.4 11.4
0.4~4.8 4.8~9.5 0.4~4.8 4.8~9.5 0.4~4.8 4.8~9.5
注:技术数据仅供参考,请以官方原件为准!
告诉我在“易紧通”看到,将给您优惠
联系人:任永辉 点击这里给我发消息694985170   移动电话: 18027324588     电话:020-39962378/39973905
材质:304不锈钢、316不锈钢、碳钢、铝合金、铜
本页面所载 YJT® 标准编码及相关内容版权归易紧通所有,需经授权方可使用。
类似标准及供货信息
1 平头铆螺母 [国标]
GB /T 17880.1 - 1999
平头铆螺母
Flat Head Riveted Nuts
供应商(4)
2 90° 沉头铆螺母 [国标]
GB /T 17880.2 - 1999
90° 沉头铆螺母
90° Countersunk Head Riveted Nuts
供应商(3)
3 90°小沉头铆螺母 [国标]
GB /T 17880.3 - 1999
90°小沉头铆螺母
90° Small Countersunk Head Riveted Nuts
供应商(3)
4 120°小沉头铆螺母 [国标]
GB /T 17880.4 - 1999
120°小沉头铆螺母
120°small Countersunk Head Riveted Nuts
供应商(3)
5 平头六角铆螺母 [国标]
GB /T 17880.5 - 1999
平头六角铆螺母
Flat Head Hexagon Riveted Nuts
供应商(4)
6 平头铆螺母 [汽标代号]
Q 372
平头铆螺母
Flat Head Riveted Nuts
供应商(2)
7 沉头铆螺母 [汽标代号]
Q 374
沉头铆螺母
Countersunk Head Riveted Nuts
供应商(1)
8 平圆头全六角盲孔铆螺母 [汽标代号]
Q 37A
平圆头全六角盲孔铆螺母

供应商(1)
9 平圆头拉铆螺母 [意大利]
UNI 9201 - 1988
平圆头拉铆螺母
Flat Head Riveted Nuts
供应商(1)
10 铆装方螺母 [原电子工业部]
SJ 2509 - 1984
铆装方螺母
Square Rivet Nuts
供应商(1)
11 120°小沉头内外半六角铆螺母 [标准]
YJT 3003 (YJT 1004)
120°小沉头内外半六角铆螺母
120° Small Countersunk Internal and External Half Hex Rivet Nuts
供应商(3)
12 滚花盲孔平圆头圆柱铆螺母 [标准]
YJT 3004
滚花盲孔平圆头圆柱铆螺母
Knurled Flat Round Head Cylindrial Rivet Nuts with Blind Hole
供应商(3)
13 滚花平圆头圆柱铆螺母 [标准]
YJT 3005
滚花平圆头圆柱铆螺母
Knurled Flat Round Head Cylindrial Rivet Nuts
供应商(3)
14 盲孔平圆头圆柱铆螺母 [标准]
YJT 3006
盲孔平圆头圆柱铆螺母
Flat Round Head Cylindrial Rivet Nuts with Blind Hole
供应商(2)
15 圆柱头铆螺母(厚头铆螺母) [标准]
YJT 3007
圆柱头铆螺母(厚头铆螺母)
Cheese Head Rivet Nuts
供应商(1)
16 平头铆螺柱 (拉铆螺钉) [原 YJT-1008] [标准]
YJT 8001
平头铆螺柱 (拉铆螺钉) [原 YJT-1008]
Blind Rivet Studs - Flat Head
供应商(3)
17 平圆头内外半六角铆螺母 [标准]
YJT 8002
平圆头内外半六角铆螺母
Flat Round Head Internal and External Half Hex Rivet Nuts
供应商(2)
18 平圆头全六角铆螺母 [标准]
YJT 8003
平圆头全六角铆螺母
Flat Round Head Full Hex Rivet Nuts
供应商(2)
19 平头开槽拉铆螺母 [标准]
YJT 8005
平头开槽拉铆螺母
Slotted Rivet Nut with Flat Head
供应商(3)
20 嵌入拉铆螺母 [标准]
YJT 8018
嵌入拉铆螺母
Insert Nuts
供应商(1)
21 钢制平头带滚花铆螺母 (英制/美制) [标准]
YJT 8019
钢制平头带滚花铆螺母 (英制/美制)
Steel Flat Head with Knurled Neck Rivet Nuts
供应商(1)
22 铝制平头带滚花铆螺母 (英制/美制) [标准]
YJT 8020
铝制平头带滚花铆螺母 (英制/美制)
Aluminum Flat Head with Knurled Neck Rivet Nuts
供应商(1)
23 半六角平头盲孔拉铆螺钉 [标准]
YJT 8025
半六角平头盲孔拉铆螺钉
Half-Hexagon Blind Rivet Stud - Large Head - Closed End
供应商(1)
24 半六角盲孔平头拉铆螺母 [标准]
YJT 8029
半六角盲孔平头拉铆螺母
Half-Hexagon Rivet Nut - Large Head - Closed End
供应商(2)
25 半六角盲孔小平头拉铆螺母 [标准]
YJT 8030
半六角盲孔小平头拉铆螺母
Half-Hexagon Rivet Nut - Reduced Head - Closed End
供应商(1)
26 平头条纹铆螺母 [标准]
YJT 8042
平头条纹铆螺母
Flat Head Knurled Body
27 小头条纹铆螺母 [标准]
YJT 8043
小头条纹铆螺母
Reduce Head Knurled Plain Body Steel
28 沉头条纹铆螺母 [标准]
YJT 8044
沉头条纹铆螺母
Countersunk Head Knurled Plain Body Steel
29 平头条纹盲孔铆螺母 [标准]
YJT 8045
平头条纹盲孔铆螺母
Flat Head Knurled Body Steel
30 小头条纹盲孔铆螺母 [标准]
YJT 8046
小头条纹盲孔铆螺母
Reduce Head Knurled Plain Body Steel
31 沉头条纹盲孔铆螺母 [标准]
YJT 8047
沉头条纹盲孔铆螺母
Countersunk Head Knurled Plain Body Steel
32 拉铆螺柱 [标准]
YJT 8048
拉铆螺柱
Pull Rivet Studs
33 盲孔平头六角铆螺母 [汽标]
QC /T 861 - 2011
盲孔平头六角铆螺母
Flat Head Threaded Tubular Hexagon Blind Riveted Nuts
供应商(4)
34 不锈钢平头铆螺母 [浙江制造团体标准]
T/ZZB 2230 - 2021
不锈钢平头铆螺母
Stainless Steel Flat Head Riveted Nuts
© 易紧通 服务热线:4006-164580(免长途费)