index
logo

平圆头拉铆螺母 UNI 9201 - 1988

查看供应商

选择规格尺寸 点击↓

M3

M3

M4

M4

M5

M5

M6

M6

M8

M8

M10

M10

M12

M12

同规格,其他部分尺寸不同
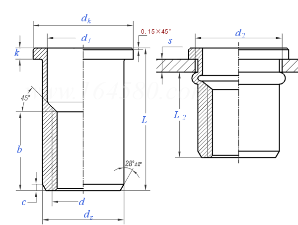
UNI  9201 - 1988 平圆头拉铆螺母

尺寸单位: mm
意大利UNI 9201 - 1988 UNI9201 9201UNI 平圆头拉铆螺母
UNI  9201 - 1988 平圆头拉铆螺母
扫一扫分享
螺纹规格
d
M3 M3 M4 M4 M5 M5 M6 M6 M8 M8 M10 M10 M12 M12
类型
P 螺距 粗牙
细牙
b 最小值
ds 公称
最大值
最小值
d1
dk 最大值
k
L
c
d2 公称
最大值
最小值
L2
s 铆接厚度
最大扭矩 N·m
A B A B A B A B A B A B A B
0.5 0.5 0.7 0.7 0.8 0.8 1 1 1.25 1.25 1.5 1.5 1.75 1.75
/ / / / / / / / / / 1.25 1.25 1.25 1.25
4.5 4.5 6 6 7.5 7.5 9 9 10 10 12.5 12.5 15 15
5 5 6 6 7 7 9 9 11 11 13 13 15 15
4.97 4.97 5.97 5.97 6.97 6.97 8.97 8.97 10.97 10.97 12.97 12.97 14.97 14.97
4.9 4.9 5.9 5.9 6.9 6.9 8.9 8.9 10.9 10.9 12.9 12.9 14.9 14.9
4.2 4.2 5.1 5.1 6 6 7.8 7.8 9.6 9.6 11.4 11.4 13.2 13.2
8 8 9 9 10 10 12 12 14 14 16 16 18 18
0.8 0.8 0.8 0.8 1 1 1.2 1.2 1.3 1.3 1.5 1.5 2 2
9.5 11 10.5 12.5 12.5 14.5 16 18.5 17 19.5 21 23.5 25 28
0.8 0.8 0.9 0.9 1 1 1.4 1.4 1.7 1.7 2 2 2.3 2.3
5 5 6 6 7 7 9 9 11 11 13 13 15 15
4.97 4.97 5.97 5.97 6.97 6.97 8.97 8.97 10.97 10.97 12.97 12.97 14.97 14.97
4.9 4.9 5.9 5.9 6.9 6.9 8.9 8.9 10.9 10.9 12.9 12.9 14.9 14.9
6 6 6.5 6.5 7 7 9.5 9.5 9.5 9.5 12.5 12.5 16 16
0.5~2.0 1.5~3.5 0.5~2.0 1.5~4.0 0.5~2.5 2.0~4.5 0.5~3.0 2.5~5.5 0.5~3.5 3.0~6.0 0.5~3.5 3.0~6.0 0.5~3.5 3.0~6.5
2 2 5 5 8.5 8.5 11 11 26 26 50 50 80 80
替代列表
暂无
等效标准
国标 GB 意大利 UNI
GB /T 17880.1
本标准给出的粗牙螺纹规格、d、dk、及d0 与UNI 9201 一致
UNI 9201
非等效采用
以上有部分标准可能为近似等效,如有异议以标准原件为准
注:技术数据仅供参考,请以官方原件为准!
告诉我在“易紧通”看到,将给您优惠
联系人:陈雅洁 点击这里给我发消息928732973   移动电话: 18968886729     电话:0577-86529069
材料:35碳钢;规格:M4-12
类似标准及供货信息
1 平头铆螺母 [国标]
GB /T 17880.1 - 1999
平头铆螺母
Flat Head Riveted Nuts
供应商(4)
2 90° 沉头铆螺母 [国标]
GB /T 17880.2 - 1999
90° 沉头铆螺母
90° Countersunk Head Riveted Nuts
供应商(3)
3 90°小沉头铆螺母 [国标]
GB /T 17880.3 - 1999
90°小沉头铆螺母
90° Small Countersunk Head Riveted Nuts
供应商(3)
4 120°小沉头铆螺母 [国标]
GB /T 17880.4 - 1999
120°小沉头铆螺母
120°small Countersunk Head Riveted Nuts
供应商(3)
5 平头六角铆螺母 [国标]
GB /T 17880.5 - 1999
平头六角铆螺母
Flat Head Hexagon Riveted Nuts
供应商(4)
6 平头铆螺母 [汽标代号]
Q 372
平头铆螺母
Flat Head Riveted Nuts
供应商(2)
7 沉头铆螺母 [汽标代号]
Q 374
沉头铆螺母
Countersunk Head Riveted Nuts
供应商(1)
8 平圆头全六角盲孔铆螺母 [汽标代号]
Q 37A
平圆头全六角盲孔铆螺母

供应商(1)
9 铆装方螺母 [原电子工业部]
SJ 2509 - 1984
铆装方螺母
Square Rivet Nuts
供应商(1)
10 120°小沉头内外半六角铆螺母 [标准]
YJT 3003 (YJT 1004)
120°小沉头内外半六角铆螺母
120° Small Countersunk Internal and External Half Hex Rivet Nuts
供应商(3)
11 滚花盲孔平圆头圆柱铆螺母 [标准]
YJT 3004
滚花盲孔平圆头圆柱铆螺母
Knurled Flat Round Head Cylindrial Rivet Nuts with Blind Hole
供应商(3)
12 滚花平圆头圆柱铆螺母 [标准]
YJT 3005
滚花平圆头圆柱铆螺母
Knurled Flat Round Head Cylindrial Rivet Nuts
供应商(3)
13 盲孔平圆头圆柱铆螺母 [标准]
YJT 3006
盲孔平圆头圆柱铆螺母
Flat Round Head Cylindrial Rivet Nuts with Blind Hole
供应商(2)
14 圆柱头铆螺母(厚头铆螺母) [标准]
YJT 3007
圆柱头铆螺母(厚头铆螺母)
Cheese Head Rivet Nuts
供应商(1)
15 平头铆螺柱 (拉铆螺钉) [原 YJT-1008] [标准]
YJT 8001
平头铆螺柱 (拉铆螺钉) [原 YJT-1008]
Blind Rivet Studs - Flat Head
供应商(3)
16 平圆头内外半六角铆螺母 [标准]
YJT 8002
平圆头内外半六角铆螺母
Flat Round Head Internal and External Half Hex Rivet Nuts
供应商(2)
17 平圆头全六角铆螺母 [标准]
YJT 8003
平圆头全六角铆螺母
Flat Round Head Full Hex Rivet Nuts
供应商(2)
18 平头开槽拉铆螺母 [标准]
YJT 8005
平头开槽拉铆螺母
Slotted Rivet Nut with Flat Head
供应商(3)
19 嵌入拉铆螺母 [标准]
YJT 8018
嵌入拉铆螺母
Insert Nuts
供应商(1)
20 钢制平头带滚花铆螺母 (英制/美制) [标准]
YJT 8019
钢制平头带滚花铆螺母 (英制/美制)
Steel Flat Head with Knurled Neck Rivet Nuts
供应商(1)
21 铝制平头带滚花铆螺母 (英制/美制) [标准]
YJT 8020
铝制平头带滚花铆螺母 (英制/美制)
Aluminum Flat Head with Knurled Neck Rivet Nuts
供应商(1)
22 平圆头灯笼铆螺母 [标准]
YJT 8022
平圆头灯笼铆螺母
Blind Rivet Nuts - Flat Head, Open End
供应商(1)
23 半六角平头盲孔拉铆螺钉 [标准]
YJT 8025
半六角平头盲孔拉铆螺钉
Half-Hexagon Blind Rivet Stud - Large Head - Closed End
供应商(1)
24 半六角盲孔平头拉铆螺母 [标准]
YJT 8029
半六角盲孔平头拉铆螺母
Half-Hexagon Rivet Nut - Large Head - Closed End
供应商(2)
25 半六角盲孔小平头拉铆螺母 [标准]
YJT 8030
半六角盲孔小平头拉铆螺母
Half-Hexagon Rivet Nut - Reduced Head - Closed End
供应商(1)
26 平头条纹铆螺母 [标准]
YJT 8042
平头条纹铆螺母
Flat Head Knurled Body
27 小头条纹铆螺母 [标准]
YJT 8043
小头条纹铆螺母
Reduce Head Knurled Plain Body Steel
28 沉头条纹铆螺母 [标准]
YJT 8044
沉头条纹铆螺母
Countersunk Head Knurled Plain Body Steel
29 平头条纹盲孔铆螺母 [标准]
YJT 8045
平头条纹盲孔铆螺母
Flat Head Knurled Body Steel
30 小头条纹盲孔铆螺母 [标准]
YJT 8046
小头条纹盲孔铆螺母
Reduce Head Knurled Plain Body Steel
31 沉头条纹盲孔铆螺母 [标准]
YJT 8047
沉头条纹盲孔铆螺母
Countersunk Head Knurled Plain Body Steel
32 拉铆螺柱 [标准]
YJT 8048
拉铆螺柱
Pull Rivet Studs
33 盲孔平头六角铆螺母 [汽标]
QC /T 861 - 2011
盲孔平头六角铆螺母
Flat Head Threaded Tubular Hexagon Blind Riveted Nuts
供应商(4)
34 不锈钢平头铆螺母 [浙江制造团体标准]
T/ZZB 2230 - 2021
不锈钢平头铆螺母
Stainless Steel Flat Head Riveted Nuts
© 易紧通 服务热线:4006-164580(免长途费)