index
logo

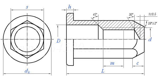
盲孔平头六角铆螺母 QC /T 861 - 2011

查看供应商

选择规格尺寸 点击↓

M4

M5

M6

M8

M10

QC /T 861 - 2011 盲孔平头六角铆螺母

尺寸单位: mm
汽标QC /T861 - 2011 QC861 861QC 盲孔平头六角铆螺母
QC /T 861 - 2011 盲孔平头六角铆螺母
扫一扫分享
螺纹规格
d
M4 M5 M6 M8 M10
s 最大值
最小值
D 最大值
最小值
dk 最大值
最小值
h 最大值
最小值
m 最小值
c 最大值
最小值
L 最大值
最小值
6 7 9 11 13
5.925 6.91 8.91 10.89 12.89
5.3 6.2 8.3 10.2 12.2
4.9 5.8 7.9 9.8 11.8
9.2 10.2 12.2 14.2 17.2
8.8 9.8 11.8 13.8 16.8
1.3 1.5 1.7 1.8 2.2
0.7 0.9 1.1 1.2 1.6
4 5 6 8 10
2.3 2.5 3.2 3.8 4.3
1.3 1.5 2.3 2.8 3.3
16.5 19.5 24 26.5 32
13.5 16.5 21 23.5 29

技术条件和引用标准

材料
螺纹 公差
标准
机械性能
表面处理 种类
标准
验收及包装
其余
6H
GB/T 193、GB/T 197
GB/T 17880.6
镀锌钝化
QC/T 625
GB/T 90.1、GB/T 90.2
GB/T 17880.6
注:技术数据仅供参考,请以官方原件为准!
告诉我在“易紧通”看到,将给您优惠
联系人:钟卫琳/彭小姐 点击这里给我发消息1094583699   移动电话: 13823190731/13825794062     电话:0769-85630321/85605962
材料:不锈钢、铝、铜、碳钢;表面处理:按客户要求,产品范围:规格齐全
联系人:吴飚   移动电话: 13507365068     电话:0736-2891789
材料牌号:铝、低碳钢、304;表面处理:镀彩锌、蓝白锌、黑锌、三价铬;
联系人:任永辉 点击这里给我发消息694985170   移动电话: 18027324588     电话:020-39962378/39973905
材质:304不锈钢、316不锈钢、碳钢、铝合金、铜;规格:M3-M12;
联系人:郭晓江   移动电话:     电话:18121409959
材质:碳钢、不锈钢304 、316等;规格范围:M3-M12(齐全);公称长度:7-35mm;表面处理:镀锌、锌镍合金、达克罗、本色、洗白/钝化等,现货充足(可按需求定做)
告诉我在“易紧通”看到,将给您优惠
类似标准及供货信息
1 平头铆螺母 [国标]
GB /T 17880.1 - 1999
平头铆螺母
Flat Head Riveted Nuts
供应商(4)
2 90° 沉头铆螺母 [国标]
GB /T 17880.2 - 1999
90° 沉头铆螺母
90° Countersunk Head Riveted Nuts
供应商(3)
3 90°小沉头铆螺母 [国标]
GB /T 17880.3 - 1999
90°小沉头铆螺母
90° Small Countersunk Head Riveted Nuts
供应商(3)
4 120°小沉头铆螺母 [国标]
GB /T 17880.4 - 1999
120°小沉头铆螺母
120°small Countersunk Head Riveted Nuts
供应商(3)
5 平头六角铆螺母 [国标]
GB /T 17880.5 - 1999
平头六角铆螺母
Flat Head Hexagon Riveted Nuts
供应商(4)
6 平头铆螺母 [汽标代号]
Q 372
平头铆螺母
Flat Head Riveted Nuts
供应商(2)
7 沉头铆螺母 [汽标代号]
Q 374
沉头铆螺母
Countersunk Head Riveted Nuts
供应商(1)
8 平圆头全六角盲孔铆螺母 [汽标代号]
Q 37A
平圆头全六角盲孔铆螺母

供应商(1)
9 平圆头拉铆螺母 [意大利]
UNI 9201 - 1988
平圆头拉铆螺母
Flat Head Riveted Nuts
供应商(1)
10 铆装方螺母 [原电子工业部]
SJ 2509 - 1984
铆装方螺母
Square Rivet Nuts
供应商(1)
11 120°小沉头内外半六角铆螺母 [标准]
YJT 3003 (YJT 1004)
120°小沉头内外半六角铆螺母
120° Small Countersunk Internal and External Half Hex Rivet Nuts
供应商(3)
12 滚花盲孔平圆头圆柱铆螺母 [标准]
YJT 3004
滚花盲孔平圆头圆柱铆螺母
Knurled Flat Round Head Cylindrial Rivet Nuts with Blind Hole
供应商(3)
13 滚花平圆头圆柱铆螺母 [标准]
YJT 3005
滚花平圆头圆柱铆螺母
Knurled Flat Round Head Cylindrial Rivet Nuts
供应商(3)
14 盲孔平圆头圆柱铆螺母 [标准]
YJT 3006
盲孔平圆头圆柱铆螺母
Flat Round Head Cylindrial Rivet Nuts with Blind Hole
供应商(2)
15 圆柱头铆螺母(厚头铆螺母) [标准]
YJT 3007
圆柱头铆螺母(厚头铆螺母)
Cheese Head Rivet Nuts
供应商(1)
16 平头铆螺柱 (拉铆螺钉) [原 YJT-1008] [标准]
YJT 8001
平头铆螺柱 (拉铆螺钉) [原 YJT-1008]
Blind Rivet Studs - Flat Head
供应商(3)
17 平圆头内外半六角铆螺母 [标准]
YJT 8002
平圆头内外半六角铆螺母
Flat Round Head Internal and External Half Hex Rivet Nuts
供应商(2)
18 平圆头全六角铆螺母 [标准]
YJT 8003
平圆头全六角铆螺母
Flat Round Head Full Hex Rivet Nuts
供应商(2)
19 平头开槽拉铆螺母 [标准]
YJT 8005
平头开槽拉铆螺母
Slotted Rivet Nut with Flat Head
供应商(3)
20 嵌入拉铆螺母 [标准]
YJT 8018
嵌入拉铆螺母
Insert Nuts
供应商(1)
21 钢制平头带滚花铆螺母 (英制/美制) [标准]
YJT 8019
钢制平头带滚花铆螺母 (英制/美制)
Steel Flat Head with Knurled Neck Rivet Nuts
供应商(1)
22 铝制平头带滚花铆螺母 (英制/美制) [标准]
YJT 8020
铝制平头带滚花铆螺母 (英制/美制)
Aluminum Flat Head with Knurled Neck Rivet Nuts
供应商(1)
23 平圆头灯笼铆螺母 [标准]
YJT 8022
平圆头灯笼铆螺母
Blind Rivet Nuts - Flat Head, Open End
供应商(1)
24 半六角平头盲孔拉铆螺钉 [标准]
YJT 8025
半六角平头盲孔拉铆螺钉
Half-Hexagon Blind Rivet Stud - Large Head - Closed End
供应商(1)
25 半六角盲孔平头拉铆螺母 [标准]
YJT 8029
半六角盲孔平头拉铆螺母
Half-Hexagon Rivet Nut - Large Head - Closed End
供应商(2)
26 半六角盲孔小平头拉铆螺母 [标准]
YJT 8030
半六角盲孔小平头拉铆螺母
Half-Hexagon Rivet Nut - Reduced Head - Closed End
供应商(1)
27 平头条纹铆螺母 [标准]
YJT 8042
平头条纹铆螺母
Flat Head Knurled Body
28 小头条纹铆螺母 [标准]
YJT 8043
小头条纹铆螺母
Reduce Head Knurled Plain Body Steel
29 沉头条纹铆螺母 [标准]
YJT 8044
沉头条纹铆螺母
Countersunk Head Knurled Plain Body Steel
30 平头条纹盲孔铆螺母 [标准]
YJT 8045
平头条纹盲孔铆螺母
Flat Head Knurled Body Steel
31 小头条纹盲孔铆螺母 [标准]
YJT 8046
小头条纹盲孔铆螺母
Reduce Head Knurled Plain Body Steel
32 沉头条纹盲孔铆螺母 [标准]
YJT 8047
沉头条纹盲孔铆螺母
Countersunk Head Knurled Plain Body Steel
33 拉铆螺柱 [标准]
YJT 8048
拉铆螺柱
Pull Rivet Studs
34 不锈钢平头铆螺母 [浙江制造团体标准]
T/ZZB 2230 - 2021
不锈钢平头铆螺母
Stainless Steel Flat Head Riveted Nuts
© 易紧通 服务热线:4006-164580(免长途费)