index
logo

圆柱头铆螺母(厚头铆螺母) YJT 3007

查看供应商 YJT标准体系

选择规格尺寸 点击↓

M5

M6

M8

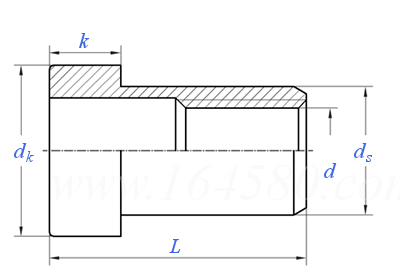
YJT  3007 圆柱头铆螺母(厚头铆螺母)

尺寸单位: mm
标准YJT 3007 YJT3007 3007YJT 圆柱头铆螺母(厚头铆螺母)
YJT  3007 圆柱头铆螺母(厚头铆螺母)
扫一扫分享
规格
M5 M6 M8
ds 公称
最大值
最小值
dk 公称
最大值
最小值
k 公称
最大值
最小值
L 公称
最大值
最小值
铆接厚度
6.9 8.9 10.9
6.97 8.97 10.97
6.7 8.7 10.7
10 12 14.5
10.3 12.3 14.8
9.7 11.7 14.2
5 5 5
5.2 5.2 5.2
4.8 4.8 4.8
17 18.5 21.5
17.3 18.8 21.8
16.7 18.2 21.2
0.5~2.5 1~3 2~4
注:技术数据仅供参考,请以官方原件为准!
告诉我在“易紧通”看到,将给您优惠
联系人:吴飚   移动电话: 13507365068     电话:0736-2891789
材料牌号:铝、低碳钢、304;表面处理:镀彩锌、蓝白锌、黑锌、三价铬;
本页面所载 YJT® 标准编码及相关内容版权归易紧通所有,需经授权方可使用。
类似标准及供货信息
1 平头铆螺母 [国标]
GB /T 17880.1 - 1999
平头铆螺母
Flat Head Riveted Nuts
供应商(4)
2 90° 沉头铆螺母 [国标]
GB /T 17880.2 - 1999
90° 沉头铆螺母
90° Countersunk Head Riveted Nuts
供应商(3)
3 90°小沉头铆螺母 [国标]
GB /T 17880.3 - 1999
90°小沉头铆螺母
90° Small Countersunk Head Riveted Nuts
供应商(3)
4 120°小沉头铆螺母 [国标]
GB /T 17880.4 - 1999
120°小沉头铆螺母
120°small Countersunk Head Riveted Nuts
供应商(3)
5 平头六角铆螺母 [国标]
GB /T 17880.5 - 1999
平头六角铆螺母
Flat Head Hexagon Riveted Nuts
供应商(4)
6 平头铆螺母 [汽标代号]
Q 372
平头铆螺母
Flat Head Riveted Nuts
供应商(2)
7 沉头铆螺母 [汽标代号]
Q 374
沉头铆螺母
Countersunk Head Riveted Nuts
供应商(1)
8 平圆头全六角盲孔铆螺母 [汽标代号]
Q 37A
平圆头全六角盲孔铆螺母

供应商(1)
9 平圆头拉铆螺母 [意大利]
UNI 9201 - 1988
平圆头拉铆螺母
Flat Head Riveted Nuts
供应商(1)
10 铆装方螺母 [原电子工业部]
SJ 2509 - 1984
铆装方螺母
Square Rivet Nuts
供应商(1)
11 120°小沉头内外半六角铆螺母 [标准]
YJT 3003 (YJT 1004)
120°小沉头内外半六角铆螺母
120° Small Countersunk Internal and External Half Hex Rivet Nuts
供应商(3)
12 滚花盲孔平圆头圆柱铆螺母 [标准]
YJT 3004
滚花盲孔平圆头圆柱铆螺母
Knurled Flat Round Head Cylindrial Rivet Nuts with Blind Hole
供应商(3)
13 滚花平圆头圆柱铆螺母 [标准]
YJT 3005
滚花平圆头圆柱铆螺母
Knurled Flat Round Head Cylindrial Rivet Nuts
供应商(3)
14 盲孔平圆头圆柱铆螺母 [标准]
YJT 3006
盲孔平圆头圆柱铆螺母
Flat Round Head Cylindrial Rivet Nuts with Blind Hole
供应商(2)
15 平头铆螺柱 (拉铆螺钉) [原 YJT-1008] [标准]
YJT 8001
平头铆螺柱 (拉铆螺钉) [原 YJT-1008]
Blind Rivet Studs - Flat Head
供应商(3)
16 平圆头内外半六角铆螺母 [标准]
YJT 8002
平圆头内外半六角铆螺母
Flat Round Head Internal and External Half Hex Rivet Nuts
供应商(2)
17 平圆头全六角铆螺母 [标准]
YJT 8003
平圆头全六角铆螺母
Flat Round Head Full Hex Rivet Nuts
供应商(2)
18 平头开槽拉铆螺母 [标准]
YJT 8005
平头开槽拉铆螺母
Slotted Rivet Nut with Flat Head
供应商(3)
19 嵌入拉铆螺母 [标准]
YJT 8018
嵌入拉铆螺母
Insert Nuts
供应商(1)
20 钢制平头带滚花铆螺母 (英制/美制) [标准]
YJT 8019
钢制平头带滚花铆螺母 (英制/美制)
Steel Flat Head with Knurled Neck Rivet Nuts
供应商(1)
21 铝制平头带滚花铆螺母 (英制/美制) [标准]
YJT 8020
铝制平头带滚花铆螺母 (英制/美制)
Aluminum Flat Head with Knurled Neck Rivet Nuts
供应商(1)
22 平圆头灯笼铆螺母 [标准]
YJT 8022
平圆头灯笼铆螺母
Blind Rivet Nuts - Flat Head, Open End
供应商(1)
23 半六角平头盲孔拉铆螺钉 [标准]
YJT 8025
半六角平头盲孔拉铆螺钉
Half-Hexagon Blind Rivet Stud - Large Head - Closed End
供应商(1)
24 半六角盲孔平头拉铆螺母 [标准]
YJT 8029
半六角盲孔平头拉铆螺母
Half-Hexagon Rivet Nut - Large Head - Closed End
供应商(2)
25 半六角盲孔小平头拉铆螺母 [标准]
YJT 8030
半六角盲孔小平头拉铆螺母
Half-Hexagon Rivet Nut - Reduced Head - Closed End
供应商(1)
26 平头条纹铆螺母 [标准]
YJT 8042
平头条纹铆螺母
Flat Head Knurled Body
27 小头条纹铆螺母 [标准]
YJT 8043
小头条纹铆螺母
Reduce Head Knurled Plain Body Steel
28 沉头条纹铆螺母 [标准]
YJT 8044
沉头条纹铆螺母
Countersunk Head Knurled Plain Body Steel
29 平头条纹盲孔铆螺母 [标准]
YJT 8045
平头条纹盲孔铆螺母
Flat Head Knurled Body Steel
30 小头条纹盲孔铆螺母 [标准]
YJT 8046
小头条纹盲孔铆螺母
Reduce Head Knurled Plain Body Steel
31 沉头条纹盲孔铆螺母 [标准]
YJT 8047
沉头条纹盲孔铆螺母
Countersunk Head Knurled Plain Body Steel
32 拉铆螺柱 [标准]
YJT 8048
拉铆螺柱
Pull Rivet Studs
33 盲孔平头六角铆螺母 [汽标]
QC /T 861 - 2011
盲孔平头六角铆螺母
Flat Head Threaded Tubular Hexagon Blind Riveted Nuts
供应商(4)
34 不锈钢平头铆螺母 [浙江制造团体标准]
T/ZZB 2230 - 2021
不锈钢平头铆螺母
Stainless Steel Flat Head Riveted Nuts
© 易紧通 服务热线:4006-164580(免长途费)