index
logo

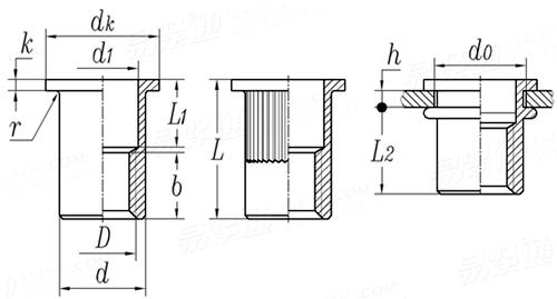
不锈钢平头铆螺母 T/ZZB 2230 - 2021

选择规格尺寸 点击↓

M6

M8

M10

T/ZZB  2230 - 2021 不锈钢平头铆螺母

尺寸单位: mm
浙江制造团体标准T/ZZB 2230 - 2021 T/ZZB2230 2230 不锈钢平头铆螺母
T/ZZB  2230 - 2021 不锈钢平头铆螺母
扫一扫分享
公称长度L
螺纹规格
D
M6 M8 M10
P 螺距 粗牙
d 公称
最大值
最小值
d1 最小值=公称
最大值
dk ±0.5
k ±0.1
r
d0
L2 参考
保证载荷(N)
头部结合力(N)
破坏扭矩(N·m)
维氏硬度 (HV)
1 1.25 1.5
8.9 10.9 12.9
8.97 10.97 12.97
8.8 10.8 12.8
7.7 / 7.6 9.7 / 9.6 11.5 / 11.4
7.85 / 7.75 9.85 / 9.75 11.68 / 11.58
12.3 14.5 17
1.3 1.5 1.7
0.2 0.3 0.4
9 11 13
10 11 12.5
17000 30000 45000
6300 9200 12200
18 29 55
150~190 150~190 150~190
L1
- - -
h 铆接厚度(推荐)
- - -
①,L公差±0.2

技术条件和引用标准

原材料
螺纹精度
原材料应选用GB/T 20878 中牌号06Cr17Ni12Mo2 或 ASTM A959-09Z 中牌号316 的不锈钢线材的规定。
原材料中的非金属夹杂物含量应符合GB/T 10561 中1.5级的规定。
原材料的禁用物质限值应符合GB/T 30512-2014 要求规定。
6H,GB/T 197-2018
注:技术数据仅供参考,请以官方原件为准!
类似标准及供货信息
1 平头铆螺母 [国标]
GB /T 17880.1 - 1999
平头铆螺母
Flat Head Riveted Nuts
供应商(4)
2 90° 沉头铆螺母 [国标]
GB /T 17880.2 - 1999
90° 沉头铆螺母
90° Countersunk Head Riveted Nuts
供应商(3)
3 90°小沉头铆螺母 [国标]
GB /T 17880.3 - 1999
90°小沉头铆螺母
90° Small Countersunk Head Riveted Nuts
供应商(3)
4 120°小沉头铆螺母 [国标]
GB /T 17880.4 - 1999
120°小沉头铆螺母
120°small Countersunk Head Riveted Nuts
供应商(3)
5 平头六角铆螺母 [国标]
GB /T 17880.5 - 1999
平头六角铆螺母
Flat Head Hexagon Riveted Nuts
供应商(4)
6 平头铆螺母 [汽标代号]
Q 372
平头铆螺母
Flat Head Riveted Nuts
供应商(2)
7 沉头铆螺母 [汽标代号]
Q 374
沉头铆螺母
Countersunk Head Riveted Nuts
供应商(1)
8 平圆头全六角盲孔铆螺母 [汽标代号]
Q 37A
平圆头全六角盲孔铆螺母

供应商(1)
9 平圆头拉铆螺母 [意大利]
UNI 9201 - 1988
平圆头拉铆螺母
Flat Head Riveted Nuts
供应商(1)
10 铆装方螺母 [原电子工业部]
SJ 2509 - 1984
铆装方螺母
Square Rivet Nuts
供应商(1)
11 120°小沉头内外半六角铆螺母 [标准]
YJT 3003 (YJT 1004)
120°小沉头内外半六角铆螺母
120° Small Countersunk Internal and External Half Hex Rivet Nuts
供应商(3)
12 滚花盲孔平圆头圆柱铆螺母 [标准]
YJT 3004
滚花盲孔平圆头圆柱铆螺母
Knurled Flat Round Head Cylindrial Rivet Nuts with Blind Hole
供应商(3)
13 滚花平圆头圆柱铆螺母 [标准]
YJT 3005
滚花平圆头圆柱铆螺母
Knurled Flat Round Head Cylindrial Rivet Nuts
供应商(3)
14 盲孔平圆头圆柱铆螺母 [标准]
YJT 3006
盲孔平圆头圆柱铆螺母
Flat Round Head Cylindrial Rivet Nuts with Blind Hole
供应商(2)
15 圆柱头铆螺母(厚头铆螺母) [标准]
YJT 3007
圆柱头铆螺母(厚头铆螺母)
Cheese Head Rivet Nuts
供应商(1)
16 平头铆螺柱 (拉铆螺钉) [原 YJT-1008] [标准]
YJT 8001
平头铆螺柱 (拉铆螺钉) [原 YJT-1008]
Blind Rivet Studs - Flat Head
供应商(3)
17 平圆头内外半六角铆螺母 [标准]
YJT 8002
平圆头内外半六角铆螺母
Flat Round Head Internal and External Half Hex Rivet Nuts
供应商(2)
18 平圆头全六角铆螺母 [标准]
YJT 8003
平圆头全六角铆螺母
Flat Round Head Full Hex Rivet Nuts
供应商(2)
19 平头开槽拉铆螺母 [标准]
YJT 8005
平头开槽拉铆螺母
Slotted Rivet Nut with Flat Head
供应商(3)
20 嵌入拉铆螺母 [标准]
YJT 8018
嵌入拉铆螺母
Insert Nuts
供应商(1)
21 钢制平头带滚花铆螺母 (英制/美制) [标准]
YJT 8019
钢制平头带滚花铆螺母 (英制/美制)
Steel Flat Head with Knurled Neck Rivet Nuts
供应商(1)
22 铝制平头带滚花铆螺母 (英制/美制) [标准]
YJT 8020
铝制平头带滚花铆螺母 (英制/美制)
Aluminum Flat Head with Knurled Neck Rivet Nuts
供应商(1)
23 平圆头灯笼铆螺母 [标准]
YJT 8022
平圆头灯笼铆螺母
Blind Rivet Nuts - Flat Head, Open End
供应商(1)
24 半六角平头盲孔拉铆螺钉 [标准]
YJT 8025
半六角平头盲孔拉铆螺钉
Half-Hexagon Blind Rivet Stud - Large Head - Closed End
供应商(1)
25 半六角盲孔平头拉铆螺母 [标准]
YJT 8029
半六角盲孔平头拉铆螺母
Half-Hexagon Rivet Nut - Large Head - Closed End
供应商(2)
26 半六角盲孔小平头拉铆螺母 [标准]
YJT 8030
半六角盲孔小平头拉铆螺母
Half-Hexagon Rivet Nut - Reduced Head - Closed End
供应商(1)
27 平头条纹铆螺母 [标准]
YJT 8042
平头条纹铆螺母
Flat Head Knurled Body
28 小头条纹铆螺母 [标准]
YJT 8043
小头条纹铆螺母
Reduce Head Knurled Plain Body Steel
29 沉头条纹铆螺母 [标准]
YJT 8044
沉头条纹铆螺母
Countersunk Head Knurled Plain Body Steel
30 平头条纹盲孔铆螺母 [标准]
YJT 8045
平头条纹盲孔铆螺母
Flat Head Knurled Body Steel
31 小头条纹盲孔铆螺母 [标准]
YJT 8046
小头条纹盲孔铆螺母
Reduce Head Knurled Plain Body Steel
32 沉头条纹盲孔铆螺母 [标准]
YJT 8047
沉头条纹盲孔铆螺母
Countersunk Head Knurled Plain Body Steel
33 拉铆螺柱 [标准]
YJT 8048
拉铆螺柱
Pull Rivet Studs
34 盲孔平头六角铆螺母 [汽标]
QC /T 861 - 2011
盲孔平头六角铆螺母
Flat Head Threaded Tubular Hexagon Blind Riveted Nuts
供应商(4)
© 易紧通 服务热线:4006-164580(免长途费)