index
logo

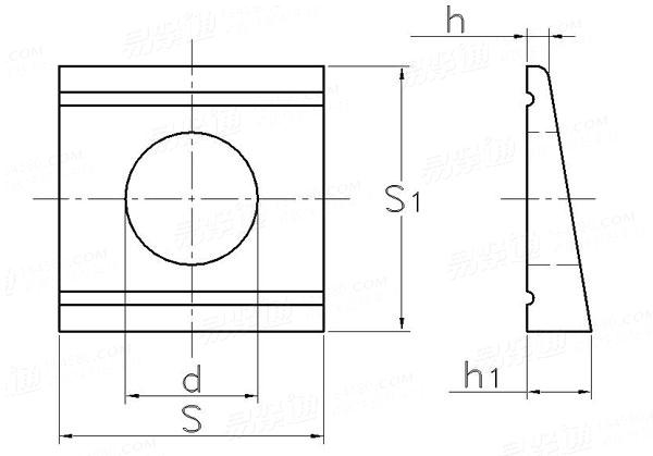
锥形垫圈 IS 5372 - 1975 (R2001)

选择规格尺寸 点击↓

11

14

18

22

(24)

26

(30)

33

(36)

39

(42)

括号内尺寸为非优选
IS  5372 - 1975 (R2001) 锥形垫圈

尺寸单位: mm
印标IS 5372 - 1975 (R2001) IS5372 5372IS 锥形垫圈
IS  5372 - 1975 (R2001) 锥形垫圈
扫一扫分享
公称直径
d
11 14 18 22 (24) 26 (30) 33 (36) 39 (42)
s
s1
h
h1
适用螺纹
22 26 32 40 44 56 56 62 68 75 80
22 30 36 44 50 56 56 62 68 75 80
2 2.5 3 3.5 4 4 4 4 4 4 4
4.3 5.7 6.8 8.1 9.2 9.9 9.9 10.5 11.2 11.9 12.4
M10 M12 M16 M20 M22 M24 M27 M30 M33 M36 M39
注:技术数据仅供参考,请以官方原件为准!
类似标准及供货信息
1 工字钢用方斜垫圈 [国标]
GB /T 852 - 1988
工字钢用方斜垫圈
Square Taper Washers for I Section
供应商(8)
2 槽钢用方斜垫圈 [国标]
GB /T 853 - 1988
槽钢用方斜垫圈
Square Taper Washers for Slot Section
供应商(12)
3 槽钢用方斜垫圈 [德标]
DIN 434 - 2024
槽钢用方斜垫圈
Square Taper Washers for U-sections
供应商(9)
4 I型工字钢用方斜垫圈 [德标]
DIN 435 - 2024
I型工字钢用方斜垫圈
Square Taper Washers for I-Sections
供应商(5)
5 木结构用 方形垫圈 [德标]
DIN 436 - 2024
木结构用 方形垫圈
Square Washers; Especially for Wood Constructions
供应商(10)
6 D型锥面垫圈 [德标]
DIN 6319 (D) - 2001
D型锥面垫圈
Spherical Washers, Conical Seats - Type D
供应商(2)
7 槽钢用方斜垫圈 [德标]
DIN 434 - 2000
槽钢用方斜垫圈
Square Taper Washers for U-sections
供应商(9)
8 I型工字钢用方斜垫圈 [德标]
DIN 435 - 2000
I型工字钢用方斜垫圈
Square Taper Washers for Use with I Sections
供应商(5)
9 槽钢用方斜垫圈 [德标]
DIN 434 - 1990
槽钢用方斜垫圈
Square Taper Washers for use with Channel Sections
供应商(9)
10 木结构用 方形垫圈 [德标]
DIN 436 - 1990
木结构用 方形垫圈
Square Washers; Especially for Wood Constructions
供应商(10)
11 用于槽钢的钢结构高强度螺栓用方垫圈 [德标]
DIN 6918 - 1990
用于槽钢的钢结构高强度螺栓用方垫圈
Square Taper Washers for High-strength Structual Bolting of Steel Channel Sections
供应商(3)
12 I型工字钢用方斜垫圈 [德标]
DIN 435 - 1989
I型工字钢用方斜垫圈
Square Taper Washers for use with 1 Sections
供应商(5)
13 钢结构工字钢用高强度螺栓连接用方形垫圈 [德标]
DIN 6917 - 1989
钢结构工字钢用高强度螺栓连接用方形垫圈
Square Taper Washers for High-Strength Structural Bolting of Steel I Sections
供应商(2)
14 方形垫圈 [Table JA.1.] [日标]
JIS B 1256 (SQ) - 2008
方形垫圈 [Table JA.1.]
Square Washers [Table JA.1.]
供应商(2)
15 方形垫圈 [日标]
JIS B 1256 (SQ) - 1978
方形垫圈
Square Washers
供应商(2)
16 轻型工字钢用方斜垫圈 [机械行业]
JB /ZQ 4337 - 2006
轻型工字钢用方斜垫圈
Square Taper Washers for I Section - Light Style
供应商(1)
17 方形垫圈 [机械行业]
JB /T 14722 (B) - 2024
方形垫圈
Square Washers
18 方形垫片 [机械行业]
JB /T 14723 (B) - 2024
方形垫片
Square Washer
19 轻型槽钢用方斜垫圈 [机械行业]
JB /ZQ 4338 - 2006
轻型槽钢用方斜垫圈
Square Taper Washers for Slot Section - Light Style
20 轻型槽钢用方斜垫圈 [机械行业]
JB /ZQ 4338 - 1997
轻型槽钢用方斜垫圈
Square Taper Washers for Slot Section - Light Style
21 方斜垫圈 (可锻铸铁/白口铁) [Type A] [美标]
ASME/ANSI B 18.23.1 - 1967 (R1975)
方斜垫圈 (可锻铸铁/白口铁) [Type A]
Square Beveled Washers (Malleable Iron) [Type A]
供应商(2)
22 方斜垫圈 (钢制) [Type B] (ASTM F436) [美标]
ASME/ANSI B 18.23.1 - 1967 (R1975)
方斜垫圈 (钢制) [Type B] (ASTM F436)
Square Beveled Washers (Steel) [Type B]
供应商(2)
23 方斜垫圈(U型) [意大利]
UNI 6598 - 2002
方斜垫圈(U型)
Channel Clamping Plates for UNP Section (Inclination 8%)
24 米制锥形方垫片 [英标]
BS 4395-1 - 1969
米制锥形方垫片
Metric Square Taper Washers
25 带圆孔的粗制方垫片 [Table 11] [英标]
BS 3410 (-11) - 1961
带圆孔的粗制方垫片 [Table 11]
Square Black Washers with Round Holes [Table 11]
26 方形或D形斜垫圈 [Table 12] [英标]
BS 3410 (-12) - 1961
方形或D形斜垫圈 [Table 12]
Square or D-shaped Taper Washers [Table 12]
27 英制方斜垫圈和剪切方斜垫圈 [美标]
ASTM F 436 - 2024
英制方斜垫圈和剪切方斜垫圈
Hardened Beveled Washers, Inch Washers
供应商(2)
28 米制方斜垫圈和剪切方斜垫圈 [美标]
ASTM F 436M - 2024
米制方斜垫圈和剪切方斜垫圈
Metric Hardened Beveled Washers
供应商(1)
29 英制方斜垫圈和剪切方斜垫圈 [美标]
ASTM F 436 - 2019
英制方斜垫圈和剪切方斜垫圈
Hardened Beveled Washers, Inch Washers
供应商(2)
30 米制方斜垫圈和剪切方斜垫圈 [美标]
ASTM F 436M - 2019
米制方斜垫圈和剪切方斜垫圈
Metric Hardened Beveled Washers
供应商(1)
31 方斜垫圈和剪切方斜垫圈 [美标]
ASTM F 436 - 2011
方斜垫圈和剪切方斜垫圈
Hardened Beveled Washers
供应商(2)
32 工字钢用方斜垫圈 [美标]
ASTM F 436 - 2010
工字钢用方斜垫圈
Square Hardened Beveled Washers
供应商(2)
33 粗制方垫片(用于公制螺栓及螺帽) [台湾]
CNS 155 - 1994
粗制方垫片(用于公制螺栓及螺帽)
Unfinished Square Washers (for Metric Bolts and Nuts)
34 方形锥面垫圈(槽钢用) [台湾]
CNS 156 - 1994
方形锥面垫圈(槽钢用)
Square Taper Washers (for Channel)
35 方形锥面垫圈(工字钢用) [台湾]
CNS 157 - 1994
方形锥面垫圈(工字钢用)
Square Taper Washers (for I Sections)
36 钢结构高强度螺栓连接—单槽方斜垫圈 [台湾]
CNS 4646 - 1983
钢结构高强度螺栓连接—单槽方斜垫圈
Square Taper Washers with Single Slot for High Strength Bolts Connection for Steel Structure
37 高强度结构槽钢用方斜垫圈 [台湾]
CNS 4647 - 1983
高强度结构槽钢用方斜垫圈
Square Taper Washers for High Prestressed Channels
38 方形平垫 [韩标]
KS B 1326 (T10) - 2021
方形平垫
Square Washers
39 方形平垫 [韩标]
KS B 1326 (T4) - 2009
方形平垫
Square Washers
40 日制斜方垫圈 [标准]
YJT 6019
日制斜方垫圈

41 建筑机械与设备 工字钢用高强度方斜垫圈 [建筑]
JG /T 5057.34 - 1995
建筑机械与设备 工字钢用高强度方斜垫圈
Construction Machinery and Equipment - High Strength Square Taper Washers for 工 Section
42 建筑机械与设备 槽钢用高强度方斜垫圈 [建筑]
JG /T 5057.35 - 1995
建筑机械与设备 槽钢用高强度方斜垫圈
Construction Machinery and Equipment - High Strength Square Taper Washers for Slot Section
43 栓接结构用平垫圈 淬火并回火 - 方斜垫圈,B型(斜度6°,用于槽钢)和C型(斜度8°,用于工字钢) [印标]
IS 6649 (B / C) - 1985
栓接结构用平垫圈 淬火并回火 - 方斜垫圈,B型(斜度6°,用于槽钢)和C型(斜度8°,用于工字钢)
Square Taper Washers for use with Channels (6° Taper) Type B, and use with I-beams (8° Taper) Type C
44 工字梁锥形垫圈(ISBM) [印标]
IS 5374 - 1975
工字梁锥形垫圈(ISBM)
Taper Washers For I-beams ( ISBM )
45 双槽方斜垫圈 [波兰标]
PN 82018
双槽方斜垫圈
Double Groove Square Taper Washers
46 淬硬钢工字钢用方斜垫圈 [Table 5] (ASTM F436 / F436M) [美标]
ASME B 18.2.6 - 2019
淬硬钢工字钢用方斜垫圈 [Table 5] (ASTM F436 / F436M)
Hardened Beveled Washers with Slope or Taper in Thickness 1:6 (ASTM F436 / F436M)
47 淬硬钢工字钢用方斜垫圈 [Table 5] (ASTM F 436) [美标]
ASME B 18.2.6 - 2010
淬硬钢工字钢用方斜垫圈 [Table 5] (ASTM F 436)
Hardened Beveled Washers with Slope or Taper in Thickness 1:6 (ASTM F 436)
48 淬硬钢工字钢用方斜垫圈 (ASTM F 436) [美标]
ASME B 18.2.6 - 2006
淬硬钢工字钢用方斜垫圈 (ASTM F 436)
Hardened Beveled Washers with Slope or Taper In Thichness 1:16 (ASTM F 436)
© 易紧通 服务热线:4006-164580(免长途费)