index
logo

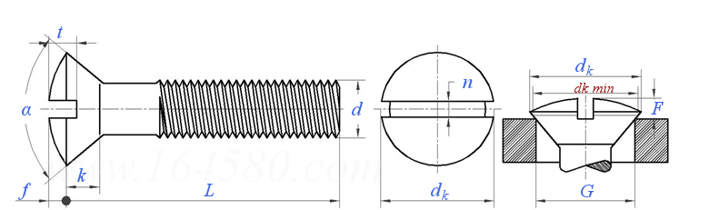
米制开槽半沉头螺钉Table6 ASME/ANSI B 18.6.7M - 1998

选择规格尺寸 点击↓

M2

M2.5

M3

M3.5

M4

M5

M6

M8

M10

ASME/ANSI B 18.6.7M - 1998 米制开槽半沉头螺钉Table6

尺寸单位: mm
美标ASME/ANSI B18.6.7M - 1998 ASME/ANSI18. 米制开槽半沉头螺钉Table6
美标ASME/ANSI B18.6.7M - 1998 ASME/ANSI18. 米制开槽半沉头螺钉Table6
ASME/ANSI B 18.6.7M - 1998 米制开槽半沉头螺钉Table6
扫一扫分享
螺纹尺寸
d
M2 M2.5 M3 M3.5 M4 M5 M6 M8 M10
P 螺距
dk 最大值
最小值
k 最大值
f 最大值
n 最大值
最小值
t 最大值
最小值
F 最大值
最小值
G
α
0.4 0.45 0.5 0.6 0.7 0.8 1 1.25 1.5
3.8 4.7 5.5 7.3 8.4 9.3 11.3 15.8 18.3
3.5 4.4 5.2 6.9 8 8.9 10.9 15.4 17.8
1.2 1.5 1.7 2.3 2.7 2.7 3.3 4.6 5
0.5 0.6 0.7 0.8 1 1.2 1.4 2 2.3
0.7 0.8 1 1.2 1.5 1.5 1.9 2.3 2.8
0.5 0.6 0.8 1 1.2 1.2 1.6 2 2.5
1 1.2 1.5 1.7 1.9 2.4 2.8 3.7 4.4
0.8 1 1.2 1.4 1.6 2 2.4 3.2 3.8
1.29 1.48 1.53 2.12 2.46 2.25 2.63 3.75 4.53
1.12 1.26 1.3 1.83 2.17 1.92 2.25 3.3 4.07
2.82 3.74 4.65 5.57 6.48 8.31 10.14 13.8 15.54
90°~92° 90°~92° 90°~92° 90°~92° 90°~92° 90°~92° 90°~92° 90°~92° 90°~92°
注:技术数据仅供参考,请以官方原件为准!
类似标准及供货信息
1 开槽半沉头螺钉 [国标]
GB /T 69 - 2016
开槽半沉头螺钉
Slotted Raised Countersunk Head Screws
供应商(1)
2 开槽半沉头螺钉 [国标]
GB /T 69 - 2000
开槽半沉头螺钉
Countersunk Slotted Raised Head Screws (Common Head Style)
供应商(1)
3 开槽半沉头螺钉 [国标]
GB 69 - 1985
开槽半沉头螺钉
Slotted Raised Countersunk Head Screws
供应商(1)
4 开槽半沉头不脱出螺钉 [国标]
GB 949 - 1988
开槽半沉头不脱出螺钉
Slotted Raised Countersunk Head Screws with Waisted Shank
5 米制开槽半沉头机械螺钉  Table 4 [美标]
IFI 513 - 1982
米制开槽半沉头机械螺钉 Table 4
Metric Slotted Oval Countersunk Head Machine Screws
6 开槽半沉头螺钉 [德标]
DIN 964 - 1990
开槽半沉头螺钉
Slotted Raised Countersunk Head Screws
供应商(3)
7 开槽半沉头圆柱端螺钉 [德标]
DIN 924 - 2024
开槽半沉头圆柱端螺钉
Slotted Raised Countersunk Head Screws with Dog Point
8 开槽半沉头圆柱端螺钉 [德标]
DIN 924 - 2012
开槽半沉头圆柱端螺钉
Slotted Raised Countersunk Head Screws with Dog Point
9 开槽半沉头圆柱端螺钉 [德标]
DIN 924 - 2006
开槽半沉头圆柱端螺钉
Slotted Raised Countersunk Head Screws with Dog Point
10 一字槽半沉头螺钉(普通头型).产品等级A [国际]
ISO 2010 - 2011
一字槽半沉头螺钉(普通头型).产品等级A
Slotted Raised Countersunk Head Screws - Product Grade A
供应商(1)
11 开槽半沉头螺钉(通用头型) 产品等级A级 [国际]
ISO 2010 - 1994
开槽半沉头螺钉(通用头型) 产品等级A级
Countersunk Slotted Raised Head Screws (common head style) - Product Grade A
供应商(1)
12 开槽半沉头螺钉 表10 [日标]
JIS B 1101 (T10) - 2017
开槽半沉头螺钉 表10
Slotted Raised Countersunk Head Screws - Table 10
13 开槽半沉头螺钉 附表JA.5 [日标]
JIS B 1101 (JA5) - 2017
开槽半沉头螺钉 附表JA.5
Slotted Raised Countersunk Head Screws - Table JA.5
14 精密机械用开槽半沉头螺钉 [日标]
JIS B 1116 (T5) - 2009
精密机械用开槽半沉头螺钉
Slotted Raised Countersunk Head Screws for Fine Mechanics
15 开槽半沉头螺钉 附表3 [Annex Attached Table 3] [日标]
JIS B 1101 (AAT3) - 1996
开槽半沉头螺钉 附表3 [Annex Attached Table 3]
Slotted Raised Countersunk Head Screws [Annex Attached Table 3]
16 开槽半沉头螺钉 表4 [Attached Table 4] [日标]
JIS B 1101 (AT4) - 1996
开槽半沉头螺钉 表4 [Attached Table 4]
Slotted Raised Countersunk Head Screws [Attached Table 4]
17 眼镜框架用 - 开槽倒角半沉头螺钉 [日标]
JIS B 1119 (1CFC) - 1986
眼镜框架用 - 开槽倒角半沉头螺钉
Spectacle Frames - Slotted Chamfered Flat Countersunk Machine Screws
18 眼镜框架用 - 开槽弧面半沉头螺钉 [日标]
JIS B 1119 (1RFC) - 1986
眼镜框架用 - 开槽弧面半沉头螺钉
Spectacle Frames - Slotted Round Flat Countersunk Machine Screws
19 开槽半沉头螺钉Table7 [美标]
ASME/ANSI B 18.6.3 - 2010
开槽半沉头螺钉Table7
Slottted Oval Countersunk Head Machine Screws
20 80°开槽半沉头清根螺钉Table11 [美标]
ASME/ANSI B 18.6.3 (T11) - 2010
80°开槽半沉头清根螺钉Table11
80° Slotted Undercut Oval Countersunk Head Machine Screws
21 开槽半沉头螺钉 [法国]
NF E 25-124 - 1994
开槽半沉头螺钉
Slotted Raised Countersunk Head Screws - Product Grade A
22 铁路车辆  半沉头侧切口机械螺钉 [法国]
NF F 03-004 (FB) - 1983
铁路车辆 半沉头侧切口机械螺钉
Railway Rolling Stock Grade A Raised Countersunk Notched Head Machine
23 铁路车辆 A级开槽半沉头螺钉/螺母 [法国]
NF F 03-006 (slot) - 1983
铁路车辆 A级开槽半沉头螺钉/螺母
Railway Rolling Stock Grade A Slotted Raised Countersunk Head Screws/Nuts
24 铁路车辆 A级  沉头侧切口螺钉/螺母 [法国]
NF F 03-006 (notch) - 1983
铁路车辆 A级 沉头侧切口螺钉/螺母
Railway Rolling Stock Grade A Notched Raised Countersunk Head Screws / Nuts
25 开槽半沉头螺钉(短的)Table10 [英标]
BS 1981 - 1991
开槽半沉头螺钉(短的)Table10
Slottted Oval Countersunk Head Screws: Short Length
26 开槽半沉头螺钉Table8 [英标]
BS 1981 - 1991
开槽半沉头螺钉Table8
Slotted Raised Countersunk Head Machine Screws
27 开槽半沉头机械螺钉 [英标]
BS 4183 (T3) - 1967
开槽半沉头机械螺钉
Slotted Raised Countersunk Head Machine Screws. Metric Series
28 英制开槽半沉头螺钉 - B.S.W. & B.S.F. 螺纹 [Table 3] [英标]
BS 450 - 1958
英制开槽半沉头螺钉 - B.S.W. & B.S.F. 螺纹 [Table 3]
Slotted 90° Raised-Countersunk Head Screws with B.S.W. & B.S.F. Threads [Table 3]
29 米制开槽半沉头螺钉  [Table 2] [澳标]
AS /NZS 1427 - 1996
米制开槽半沉头螺钉 [Table 2]
ISO Metric Slotted Raised Countersunk Head Screws [Table 2]
30 精密机械用开槽半沉头螺钉 [台湾]
CNS 9679 - 1982
精密机械用开槽半沉头螺钉
Slotted Raised Countersunk Head Screws for Fine Mechanics
31 开槽半沉头螺钉 [台湾]
CNS 4414 - 1981
开槽半沉头螺钉
Slotted Raised Countersunk (Oval) Head Screws
32 开槽半沉头螺钉 A级和B级 [俄标]
GOST 17474 - 1980
开槽半沉头螺钉 A级和B级
Raised Countersunk Head Screws (Slotted), Product Grades A and B
33 开槽半沉头螺钉 [Table 6] [韩标]
KS B 1021 (T6) - 2012 (R2022)
开槽半沉头螺钉 [Table 6]
Slotted Raised Countersunk Head Screws [Table 6]
34 开槽半沉头螺钉(通用头型) - 产品等级A级 [德标]
DIN EN ISO 2010 - 1994
开槽半沉头螺钉(通用头型) - 产品等级A级
Slotted Raised Countersunk Head Screws (Common Head Style) - Product Grade A
供应商(3)
35 82° 开槽半沉头机械螺钉(ASTM F837/F468) [TABLE 2.2.2-1] [美标]
ASME B 18.6.3 (H2A) - 2024
82° 开槽半沉头机械螺钉(ASTM F837/F468) [TABLE 2.2.2-1]
82° Slotted Oval Countersunk Head Machine Screws (ASTM F837/F468) [TABLE 2.2.2-1]
36 82° 开槽半沉头清根机械螺钉 (ASTM F837/F468) [TABLE 2.2.3-3] [美标]
ASME B 18.6.3 (H3C) - 2024
82° 开槽半沉头清根机械螺钉 (ASTM F837/F468) [TABLE 2.2.3-3]
82° Slotted Undercut Oval Countersunk Head Machine Screws (ASTM F837/F468) [TABLE 2.2.3-3]
37 82° 开槽半沉头机械螺钉 [Table 7] (ASTM F837 / F468) [美标]
ASME B 18.6.3 (T7) - 2013
82° 开槽半沉头机械螺钉 [Table 7] (ASTM F837 / F468)
82° Slotted Oval Countersunk Head Machine Screws [Table 7] (ASTM F837 / F468)
38 82° 开槽半沉头清根机械螺钉  [table 11] (ASTM F837 / F468) [美标]
ASME B 18.6.3 (T11) - 2013
82° 开槽半沉头清根机械螺钉 [table 11] (ASTM F837 / F468)
82° Slotted Undercut Oval Countersunk Head Machine Screws [table 11] (ASTM F837 / F468)
39 开槽半沉头螺钉 [航天]
QJ 2388 - 1992
开槽半沉头螺钉
Slotted Countersunk Raised Head Screws
40 90°开槽半沉头螺钉 [航空]
HB 1- 209 - 1995
90°开槽半沉头螺钉
90° Countersunk Slotted Raised Head Screws
© 易紧通 服务热线:4006-164580(免长途费)