index
logo

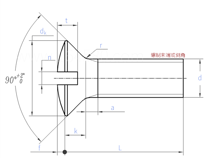
精密机械用开槽半沉头螺钉 CNS 9679 - 1982

选择规格尺寸 点击↓

M1.2 A型

M1.4 A型

M1.6 A型

M1.7 A型

M2 A型

M2.2 A型

M2.3 A型

M2.5 A型

M2.6 A型

M1 C型

M1.2 C型

M1.4 C型

M1.6 C型

M1.7 C型

M2 C型

M2.2 C型

M2.3 C型

M2.5 C型

M2.6 C型

括号内尺寸为非优选
CNS  9679 - 1982 精密机械用开槽半沉头螺钉

尺寸单位: mm
台湾CNS 9679 - 1982 CNS9679 9679CNS 精密机械用开槽半沉头螺钉
CNS  9679 - 1982 精密机械用开槽半沉头螺钉
扫一扫分享
螺纹规格
d
M1.2
A型
M1.4
A型
M1.6
A型
M1.7
A型
M2
A型
M2.2
A型
M2.3
A型
M2.5
A型
M2.6
A型
M1
C型
dk 公称
最大值
最小值
k 最大值=公称
最小值
f
n 最大值
最小值
t 公称
最大值
最小值
1.8 2 2.3 2.5 3 3.3 3.5 3.8 4 1.8
1.85 2.05 2.35 2.55 3.05 3.35 3.55 3.85 4.05 1.85
1.7 1.9 2.2 2.4 2.8 3.1 3.3 3.6 3.8 1.7
0.4 0.4 0.5 0.5 0.6 0.7 0.7 0.8 0.8 0.5
0.35 0.35 0.45 0.45 0.52 0.62 0.62 0.72 0.72 0.45
0.2 0.2 0.3 0.3 0.3 0.4 0.4 0.4 0.4 0.2
0.4 0.4 0.4 0.4 0.5 0.5 0.5 0.7 0.7 0.4
0.32 0.32 0.32 0.32 0.4 0.4 0.4 0.6 0.6 0.32
0.4 0.4 0.5 0.5 0.6 0.7 0.7 0.8 0.8 0.4
0.45 0.45 0.55 0.55 0.68 0.78 0.78 0.88 0.88 0.45
0.35 0.35 0.45 0.45 0.52 0.62 0.62 0.72 0.72 0.35
螺纹规格
d
M1.2
C型
M1.4
C型
M1.6
C型
M1.7
C型
M2
C型
M2.2
C型
M2.3
C型
M2.5
C型
M2.6
C型
dk 公称
最大值
最小值
k 最大值=公称
最小值
f
n 最大值
最小值
t 公称
最大值
最小值
2 2.5 2.8 3 3.5 3.8 4 4.3 4.5
2.05 2.55 2.85 3.05 3.55 3.85 4.05 4.35 4.55
1.9 2.4 2.7 2.9 3.3 3.6 3.8 4.1 4.3
0.5 0.7 0.8 0.8 0.9 1 1 1.1 1.1
0.45 0.65 0.75 0.75 0.82 0.92 0.92 1.02 1.02
0.2 0.3 0.3 0.3 0.4 0.4 0.4 0.5 0.5
0.4 0.4 0.4 0.4 0.5 0.5 0.5 0.7 0.7
0.32 0.32 0.32 0.32 0.4 0.4 0.4 0.6 0.6
0.4 0.5 0.6 0.6 0.7 0.7 0.7 0.8 0.8
0.45 0.55 0.65 0.65 0.78 0.78 0.78 0.88 0.88
0.35 0.45 0.55 0.55 0.62 0.62 0.62 0.72 0.72
注:技术数据仅供参考,请以官方原件为准!
类似标准及供货信息
1 开槽半沉头螺钉 [国标]
GB /T 69 - 2016
开槽半沉头螺钉
Slotted Raised Countersunk Head Screws
供应商(1)
2 开槽半沉头螺钉 [国标]
GB /T 69 - 2000
开槽半沉头螺钉
Countersunk Slotted Raised Head Screws (Common Head Style)
供应商(1)
3 开槽半沉头螺钉 [国标]
GB 69 - 1985
开槽半沉头螺钉
Slotted Raised Countersunk Head Screws
供应商(1)
4 开槽半沉头不脱出螺钉 [国标]
GB 949 - 1988
开槽半沉头不脱出螺钉
Slotted Raised Countersunk Head Screws with Waisted Shank
5 米制开槽半沉头机械螺钉  Table 4 [美标]
IFI 513 - 1982
米制开槽半沉头机械螺钉 Table 4
Metric Slotted Oval Countersunk Head Machine Screws
6 开槽半沉头螺钉 [德标]
DIN 964 - 1990
开槽半沉头螺钉
Slotted Raised Countersunk Head Screws
供应商(3)
7 开槽半沉头圆柱端螺钉 [德标]
DIN 924 - 2024
开槽半沉头圆柱端螺钉
Slotted Raised Countersunk Head Screws with Dog Point
8 开槽半沉头圆柱端螺钉 [德标]
DIN 924 - 2012
开槽半沉头圆柱端螺钉
Slotted Raised Countersunk Head Screws with Dog Point
9 开槽半沉头圆柱端螺钉 [德标]
DIN 924 - 2006
开槽半沉头圆柱端螺钉
Slotted Raised Countersunk Head Screws with Dog Point
10 一字槽半沉头螺钉(普通头型).产品等级A [国际]
ISO 2010 - 2011
一字槽半沉头螺钉(普通头型).产品等级A
Slotted Raised Countersunk Head Screws - Product Grade A
供应商(1)
11 开槽半沉头螺钉(通用头型) 产品等级A级 [国际]
ISO 2010 - 1994
开槽半沉头螺钉(通用头型) 产品等级A级
Countersunk Slotted Raised Head Screws (common head style) - Product Grade A
供应商(1)
12 开槽半沉头螺钉 表10 [日标]
JIS B 1101 (T10) - 2017
开槽半沉头螺钉 表10
Slotted Raised Countersunk Head Screws - Table 10
13 开槽半沉头螺钉 附表JA.5 [日标]
JIS B 1101 (JA5) - 2017
开槽半沉头螺钉 附表JA.5
Slotted Raised Countersunk Head Screws - Table JA.5
14 精密机械用开槽半沉头螺钉 [日标]
JIS B 1116 (T5) - 2009
精密机械用开槽半沉头螺钉
Slotted Raised Countersunk Head Screws for Fine Mechanics
15 开槽半沉头螺钉 附表3 [Annex Attached Table 3] [日标]
JIS B 1101 (AAT3) - 1996
开槽半沉头螺钉 附表3 [Annex Attached Table 3]
Slotted Raised Countersunk Head Screws [Annex Attached Table 3]
16 开槽半沉头螺钉 表4 [Attached Table 4] [日标]
JIS B 1101 (AT4) - 1996
开槽半沉头螺钉 表4 [Attached Table 4]
Slotted Raised Countersunk Head Screws [Attached Table 4]
17 眼镜框架用 - 开槽倒角半沉头螺钉 [日标]
JIS B 1119 (1CFC) - 1986
眼镜框架用 - 开槽倒角半沉头螺钉
Spectacle Frames - Slotted Chamfered Flat Countersunk Machine Screws
18 眼镜框架用 - 开槽弧面半沉头螺钉 [日标]
JIS B 1119 (1RFC) - 1986
眼镜框架用 - 开槽弧面半沉头螺钉
Spectacle Frames - Slotted Round Flat Countersunk Machine Screws
19 开槽半沉头螺钉Table7 [美标]
ASME/ANSI B 18.6.3 - 2010
开槽半沉头螺钉Table7
Slottted Oval Countersunk Head Machine Screws
20 80°开槽半沉头清根螺钉Table11 [美标]
ASME/ANSI B 18.6.3 (T11) - 2010
80°开槽半沉头清根螺钉Table11
80° Slotted Undercut Oval Countersunk Head Machine Screws
21 米制开槽半沉头螺钉Table6 [美标]
ASME/ANSI B 18.6.7M - 1998
米制开槽半沉头螺钉Table6
Metric Slotted Raised Countersunk Head Screws
22 开槽半沉头螺钉 [法国]
NF E 25-124 - 1994
开槽半沉头螺钉
Slotted Raised Countersunk Head Screws - Product Grade A
23 铁路车辆  半沉头侧切口机械螺钉 [法国]
NF F 03-004 (FB) - 1983
铁路车辆 半沉头侧切口机械螺钉
Railway Rolling Stock Grade A Raised Countersunk Notched Head Machine
24 铁路车辆 A级开槽半沉头螺钉/螺母 [法国]
NF F 03-006 (slot) - 1983
铁路车辆 A级开槽半沉头螺钉/螺母
Railway Rolling Stock Grade A Slotted Raised Countersunk Head Screws/Nuts
25 铁路车辆 A级  沉头侧切口螺钉/螺母 [法国]
NF F 03-006 (notch) - 1983
铁路车辆 A级 沉头侧切口螺钉/螺母
Railway Rolling Stock Grade A Notched Raised Countersunk Head Screws / Nuts
26 开槽半沉头螺钉(短的)Table10 [英标]
BS 1981 - 1991
开槽半沉头螺钉(短的)Table10
Slottted Oval Countersunk Head Screws: Short Length
27 开槽半沉头螺钉Table8 [英标]
BS 1981 - 1991
开槽半沉头螺钉Table8
Slotted Raised Countersunk Head Machine Screws
28 开槽半沉头机械螺钉 [英标]
BS 4183 (T3) - 1967
开槽半沉头机械螺钉
Slotted Raised Countersunk Head Machine Screws. Metric Series
29 英制开槽半沉头螺钉 - B.S.W. & B.S.F. 螺纹 [Table 3] [英标]
BS 450 - 1958
英制开槽半沉头螺钉 - B.S.W. & B.S.F. 螺纹 [Table 3]
Slotted 90° Raised-Countersunk Head Screws with B.S.W. & B.S.F. Threads [Table 3]
30 米制开槽半沉头螺钉  [Table 2] [澳标]
AS /NZS 1427 - 1996
米制开槽半沉头螺钉 [Table 2]
ISO Metric Slotted Raised Countersunk Head Screws [Table 2]
31 开槽半沉头螺钉 [台湾]
CNS 4414 - 1981
开槽半沉头螺钉
Slotted Raised Countersunk (Oval) Head Screws
32 开槽半沉头螺钉 A级和B级 [俄标]
GOST 17474 - 1980
开槽半沉头螺钉 A级和B级
Raised Countersunk Head Screws (Slotted), Product Grades A and B
33 开槽半沉头螺钉 [Table 6] [韩标]
KS B 1021 (T6) - 2012 (R2022)
开槽半沉头螺钉 [Table 6]
Slotted Raised Countersunk Head Screws [Table 6]
34 开槽半沉头螺钉(通用头型) - 产品等级A级 [德标]
DIN EN ISO 2010 - 1994
开槽半沉头螺钉(通用头型) - 产品等级A级
Slotted Raised Countersunk Head Screws (Common Head Style) - Product Grade A
供应商(3)
35 82° 开槽半沉头机械螺钉(ASTM F837/F468) [TABLE 2.2.2-1] [美标]
ASME B 18.6.3 (H2A) - 2024
82° 开槽半沉头机械螺钉(ASTM F837/F468) [TABLE 2.2.2-1]
82° Slotted Oval Countersunk Head Machine Screws (ASTM F837/F468) [TABLE 2.2.2-1]
36 82° 开槽半沉头清根机械螺钉 (ASTM F837/F468) [TABLE 2.2.3-3] [美标]
ASME B 18.6.3 (H3C) - 2024
82° 开槽半沉头清根机械螺钉 (ASTM F837/F468) [TABLE 2.2.3-3]
82° Slotted Undercut Oval Countersunk Head Machine Screws (ASTM F837/F468) [TABLE 2.2.3-3]
37 82° 开槽半沉头机械螺钉 [Table 7] (ASTM F837 / F468) [美标]
ASME B 18.6.3 (T7) - 2013
82° 开槽半沉头机械螺钉 [Table 7] (ASTM F837 / F468)
82° Slotted Oval Countersunk Head Machine Screws [Table 7] (ASTM F837 / F468)
38 82° 开槽半沉头清根机械螺钉  [table 11] (ASTM F837 / F468) [美标]
ASME B 18.6.3 (T11) - 2013
82° 开槽半沉头清根机械螺钉 [table 11] (ASTM F837 / F468)
82° Slotted Undercut Oval Countersunk Head Machine Screws [table 11] (ASTM F837 / F468)
39 开槽半沉头螺钉 [航天]
QJ 2388 - 1992
开槽半沉头螺钉
Slotted Countersunk Raised Head Screws
40 90°开槽半沉头螺钉 [航空]
HB 1- 209 - 1995
90°开槽半沉头螺钉
90° Countersunk Slotted Raised Head Screws
© 易紧通 服务热线:4006-164580(免长途费)