index
logo

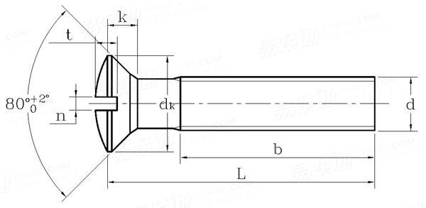
开槽半沉头螺钉(短的)Table10 BS 1981 - 1991

选择规格尺寸 点击↓

0#

(1#)

2#

(3#)

4#

5#

6#

8#

10#

(12#)

1/4

5/16

3/8

括号内尺寸为非优选
BS  1981 - 1991 开槽半沉头螺钉(短的)Table10

尺寸单位: inch
英标BS 1981 - 1991 BS1981 1981BS 开槽半沉头螺钉(短的)Table10
英标BS 1981 - 1991 BS1981 1981BS 开槽半沉头螺钉(短的)Table10
BS  1981 - 1991 开槽半沉头螺钉(短的)Table10
扫一扫分享
螺纹规格
d
0# (1#) 2# (3#) 4# 5# 6# 8# 10# (12#) 1/4 5/16 3/8
dk 最大值
最小值
k
n 最大值
最小值
t 最大值
最小值
0.119 0.146 0.172 0.199 0.225 0.252 0.279 0.332 0.385 0.438 0.507 0.635 0.762
0.099 0.123 0.147 0.171 0.195 0.22 0.244 0.292 0.34 0.389 0.452 0.568 0.685
0.025 0.031 0.036 0.042 0.047 0.053 0.059 0.07 0.081 0.092 0.107 0.134 0.161
0.023 0.026 0.031 0.035 0.039 0.043 0.048 0.054 0.06 0.067 0.075 0.084 0.094
0.016 0.019 0.023 0.027 0.031 0.035 0.039 0.045 0.05 0.056 0.064 0.072 0.081
0.028 0.034 0.04 0.047 0.053 0.059 0.065 0.078 0.09 0.103 0.119 0.149 0.179
0.022 0.027 0.033 0.038 0.043 0.048 0.053 0.064 0.074 0.085 0.098 0.124 0.149
注:技术数据仅供参考,请以官方原件为准!
类似标准及供货信息
1 开槽半沉头螺钉 [国标]
GB /T 69 - 2016
开槽半沉头螺钉
Slotted Raised Countersunk Head Screws
供应商(1)
2 开槽半沉头螺钉 [国标]
GB /T 69 - 2000
开槽半沉头螺钉
Countersunk Slotted Raised Head Screws (Common Head Style)
供应商(1)
3 开槽半沉头螺钉 [国标]
GB 69 - 1985
开槽半沉头螺钉
Slotted Raised Countersunk Head Screws
供应商(1)
4 开槽半沉头不脱出螺钉 [国标]
GB 949 - 1988
开槽半沉头不脱出螺钉
Slotted Raised Countersunk Head Screws with Waisted Shank
5 米制开槽半沉头机械螺钉  Table 4 [美标]
IFI 513 - 1982
米制开槽半沉头机械螺钉 Table 4
Metric Slotted Oval Countersunk Head Machine Screws
6 开槽半沉头螺钉 [德标]
DIN 964 - 1990
开槽半沉头螺钉
Slotted Raised Countersunk Head Screws
供应商(3)
7 开槽半沉头圆柱端螺钉 [德标]
DIN 924 - 2024
开槽半沉头圆柱端螺钉
Slotted Raised Countersunk Head Screws with Dog Point
8 开槽半沉头圆柱端螺钉 [德标]
DIN 924 - 2012
开槽半沉头圆柱端螺钉
Slotted Raised Countersunk Head Screws with Dog Point
9 开槽半沉头圆柱端螺钉 [德标]
DIN 924 - 2006
开槽半沉头圆柱端螺钉
Slotted Raised Countersunk Head Screws with Dog Point
10 一字槽半沉头螺钉(普通头型).产品等级A [国际]
ISO 2010 - 2011
一字槽半沉头螺钉(普通头型).产品等级A
Slotted Raised Countersunk Head Screws - Product Grade A
供应商(1)
11 开槽半沉头螺钉(通用头型) 产品等级A级 [国际]
ISO 2010 - 1994
开槽半沉头螺钉(通用头型) 产品等级A级
Countersunk Slotted Raised Head Screws (common head style) - Product Grade A
供应商(1)
12 开槽半沉头螺钉 表10 [日标]
JIS B 1101 (T10) - 2017
开槽半沉头螺钉 表10
Slotted Raised Countersunk Head Screws - Table 10
13 开槽半沉头螺钉 附表JA.5 [日标]
JIS B 1101 (JA5) - 2017
开槽半沉头螺钉 附表JA.5
Slotted Raised Countersunk Head Screws - Table JA.5
14 精密机械用开槽半沉头螺钉 [日标]
JIS B 1116 (T5) - 2009
精密机械用开槽半沉头螺钉
Slotted Raised Countersunk Head Screws for Fine Mechanics
15 开槽半沉头螺钉 附表3 [Annex Attached Table 3] [日标]
JIS B 1101 (AAT3) - 1996
开槽半沉头螺钉 附表3 [Annex Attached Table 3]
Slotted Raised Countersunk Head Screws [Annex Attached Table 3]
16 开槽半沉头螺钉 表4 [Attached Table 4] [日标]
JIS B 1101 (AT4) - 1996
开槽半沉头螺钉 表4 [Attached Table 4]
Slotted Raised Countersunk Head Screws [Attached Table 4]
17 眼镜框架用 - 开槽倒角半沉头螺钉 [日标]
JIS B 1119 (1CFC) - 1986
眼镜框架用 - 开槽倒角半沉头螺钉
Spectacle Frames - Slotted Chamfered Flat Countersunk Machine Screws
18 眼镜框架用 - 开槽弧面半沉头螺钉 [日标]
JIS B 1119 (1RFC) - 1986
眼镜框架用 - 开槽弧面半沉头螺钉
Spectacle Frames - Slotted Round Flat Countersunk Machine Screws
19 开槽半沉头螺钉Table7 [美标]
ASME/ANSI B 18.6.3 - 2010
开槽半沉头螺钉Table7
Slottted Oval Countersunk Head Machine Screws
20 80°开槽半沉头清根螺钉Table11 [美标]
ASME/ANSI B 18.6.3 (T11) - 2010
80°开槽半沉头清根螺钉Table11
80° Slotted Undercut Oval Countersunk Head Machine Screws
21 米制开槽半沉头螺钉Table6 [美标]
ASME/ANSI B 18.6.7M - 1998
米制开槽半沉头螺钉Table6
Metric Slotted Raised Countersunk Head Screws
22 开槽半沉头螺钉 [法国]
NF E 25-124 - 1994
开槽半沉头螺钉
Slotted Raised Countersunk Head Screws - Product Grade A
23 铁路车辆  半沉头侧切口机械螺钉 [法国]
NF F 03-004 (FB) - 1983
铁路车辆 半沉头侧切口机械螺钉
Railway Rolling Stock Grade A Raised Countersunk Notched Head Machine
24 铁路车辆 A级开槽半沉头螺钉/螺母 [法国]
NF F 03-006 (slot) - 1983
铁路车辆 A级开槽半沉头螺钉/螺母
Railway Rolling Stock Grade A Slotted Raised Countersunk Head Screws/Nuts
25 铁路车辆 A级  沉头侧切口螺钉/螺母 [法国]
NF F 03-006 (notch) - 1983
铁路车辆 A级 沉头侧切口螺钉/螺母
Railway Rolling Stock Grade A Notched Raised Countersunk Head Screws / Nuts
26 开槽半沉头螺钉Table8 [英标]
BS 1981 - 1991
开槽半沉头螺钉Table8
Slotted Raised Countersunk Head Machine Screws
27 开槽半沉头机械螺钉 [英标]
BS 4183 (T3) - 1967
开槽半沉头机械螺钉
Slotted Raised Countersunk Head Machine Screws. Metric Series
28 英制开槽半沉头螺钉 - B.S.W. & B.S.F. 螺纹 [Table 3] [英标]
BS 450 - 1958
英制开槽半沉头螺钉 - B.S.W. & B.S.F. 螺纹 [Table 3]
Slotted 90° Raised-Countersunk Head Screws with B.S.W. & B.S.F. Threads [Table 3]
29 米制开槽半沉头螺钉  [Table 2] [澳标]
AS /NZS 1427 - 1996
米制开槽半沉头螺钉 [Table 2]
ISO Metric Slotted Raised Countersunk Head Screws [Table 2]
30 精密机械用开槽半沉头螺钉 [台湾]
CNS 9679 - 1982
精密机械用开槽半沉头螺钉
Slotted Raised Countersunk Head Screws for Fine Mechanics
31 开槽半沉头螺钉 [台湾]
CNS 4414 - 1981
开槽半沉头螺钉
Slotted Raised Countersunk (Oval) Head Screws
32 开槽半沉头螺钉 A级和B级 [俄标]
GOST 17474 - 1980
开槽半沉头螺钉 A级和B级
Raised Countersunk Head Screws (Slotted), Product Grades A and B
33 开槽半沉头螺钉 [Table 6] [韩标]
KS B 1021 (T6) - 2012 (R2022)
开槽半沉头螺钉 [Table 6]
Slotted Raised Countersunk Head Screws [Table 6]
34 开槽半沉头螺钉(通用头型) - 产品等级A级 [德标]
DIN EN ISO 2010 - 1994
开槽半沉头螺钉(通用头型) - 产品等级A级
Slotted Raised Countersunk Head Screws (Common Head Style) - Product Grade A
供应商(3)
35 82° 开槽半沉头机械螺钉(ASTM F837/F468) [TABLE 2.2.2-1] [美标]
ASME B 18.6.3 (H2A) - 2024
82° 开槽半沉头机械螺钉(ASTM F837/F468) [TABLE 2.2.2-1]
82° Slotted Oval Countersunk Head Machine Screws (ASTM F837/F468) [TABLE 2.2.2-1]
36 82° 开槽半沉头清根机械螺钉 (ASTM F837/F468) [TABLE 2.2.3-3] [美标]
ASME B 18.6.3 (H3C) - 2024
82° 开槽半沉头清根机械螺钉 (ASTM F837/F468) [TABLE 2.2.3-3]
82° Slotted Undercut Oval Countersunk Head Machine Screws (ASTM F837/F468) [TABLE 2.2.3-3]
37 82° 开槽半沉头机械螺钉 [Table 7] (ASTM F837 / F468) [美标]
ASME B 18.6.3 (T7) - 2013
82° 开槽半沉头机械螺钉 [Table 7] (ASTM F837 / F468)
82° Slotted Oval Countersunk Head Machine Screws [Table 7] (ASTM F837 / F468)
38 82° 开槽半沉头清根机械螺钉  [table 11] (ASTM F837 / F468) [美标]
ASME B 18.6.3 (T11) - 2013
82° 开槽半沉头清根机械螺钉 [table 11] (ASTM F837 / F468)
82° Slotted Undercut Oval Countersunk Head Machine Screws [table 11] (ASTM F837 / F468)
39 开槽半沉头螺钉 [航天]
QJ 2388 - 1992
开槽半沉头螺钉
Slotted Countersunk Raised Head Screws
40 90°开槽半沉头螺钉 [航空]
HB 1- 209 - 1995
90°开槽半沉头螺钉
90° Countersunk Slotted Raised Head Screws
© 易紧通 服务热线:4006-164580(免长途费)